LEMON Manuals: Even more car manuals for everyone: 1960-2025
Home >> Hummer >> 2008 >> H3 Adventure, Automatic >> Repair and Diagnosis >> External Pages >> Different car >> Section 11 (Cellular System, Entertainment System, And Navigation System) >> Schematic and Routing Diagrams >> Radio/Navigation System Schematics
April 5, 2026: LEMON Manuals is launched! Read the announcement.

Radio/Navigation System Schematics

WARNING: This page is about a different car, the 2008 Isuzu i-370, 2008 Isuzu i-290, 2008 GMC Canyon, and 2008 Chevrolet Colorado. However, it is still accessible from the selected car via links, so may be relevant.
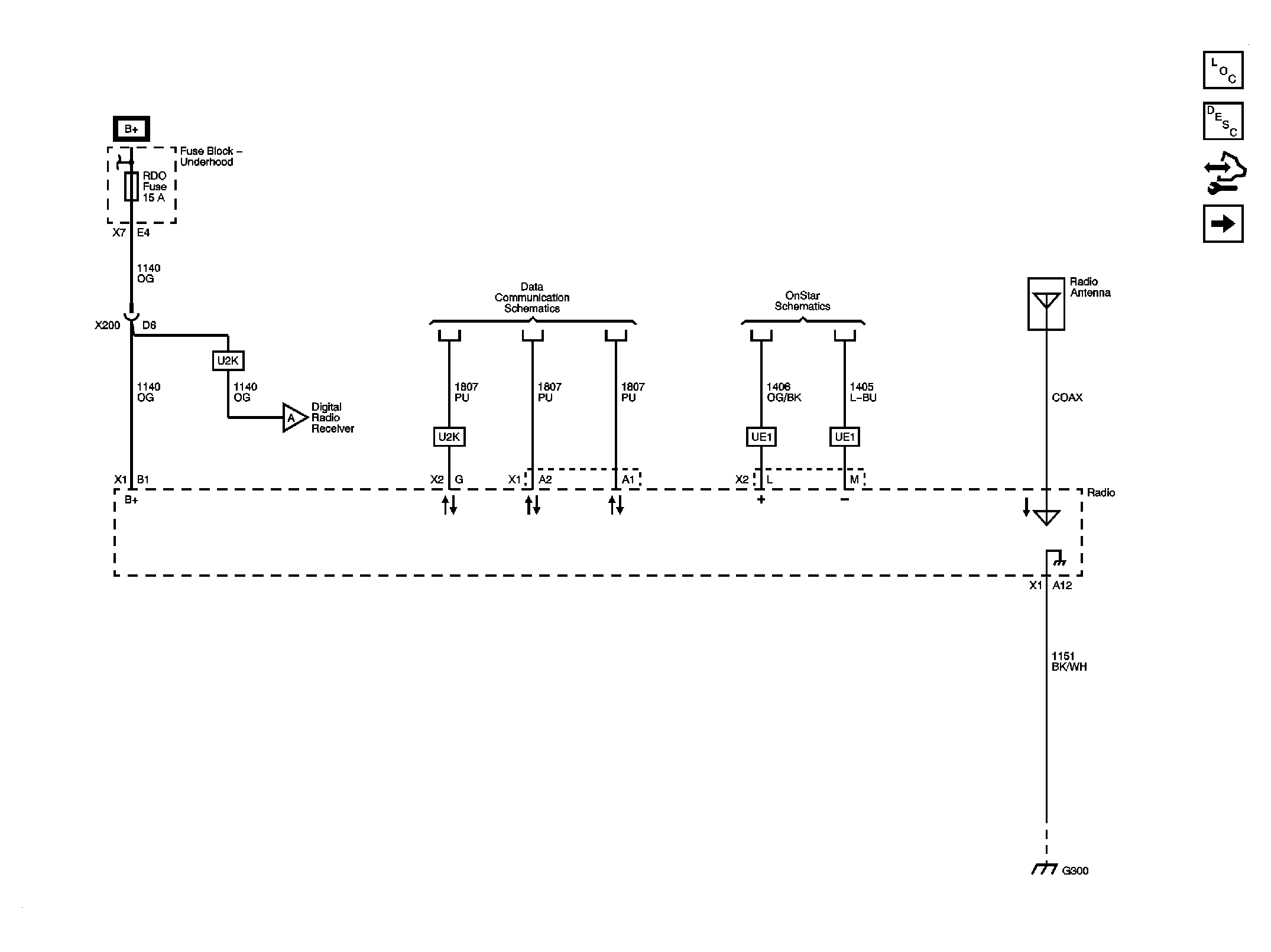
Fig 1: Power, Ground, and Serial Data
GM1907352Courtesy of GENERAL MOTORS CORP.
Fig 2: Speakers
GM1907484Courtesy of GENERAL MOTORS CORP.
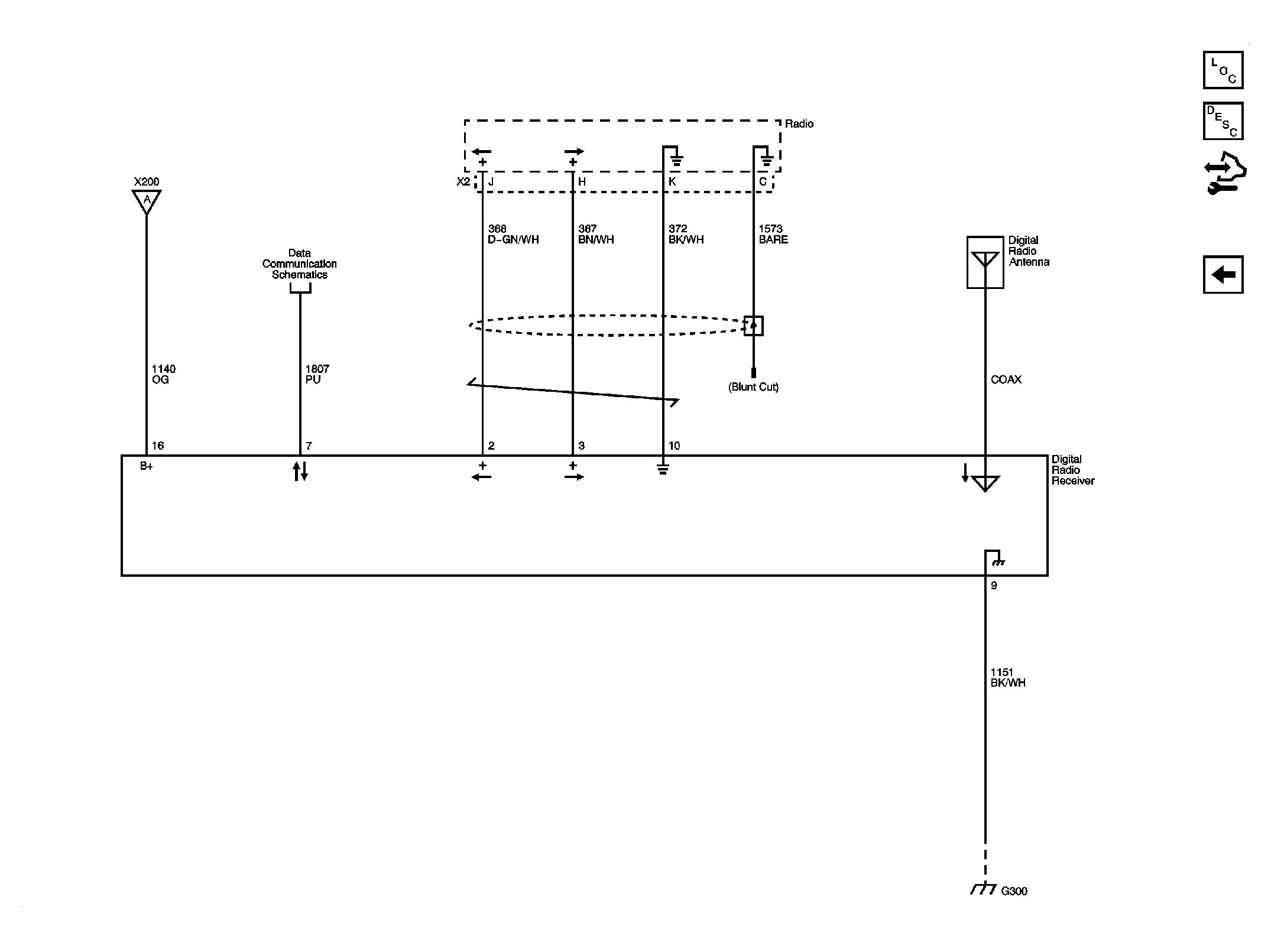
Fig 3: Digital Radio - U2K
GM1907358Courtesy of GENERAL MOTORS CORP.