LEMON Manuals: Even more car manuals for everyone: 1960-2025
Home >> Hummer >> 2008 >> H3 Adventure, Automatic >> Repair and Diagnosis >> External Pages >> Different car >> Section 98 (Cellular System, Entertainment System, And Navigation System) >> Schematic and Routing Diagrams >> Radio/Navigation System Schematics
April 5, 2026: LEMON Manuals is launched! Read the announcement.

Radio/Navigation System Schematics

WARNING: This page is about a different car, the 2008 Chevrolet Malibu Classic. However, it is still accessible from the selected car via links, so may be relevant.
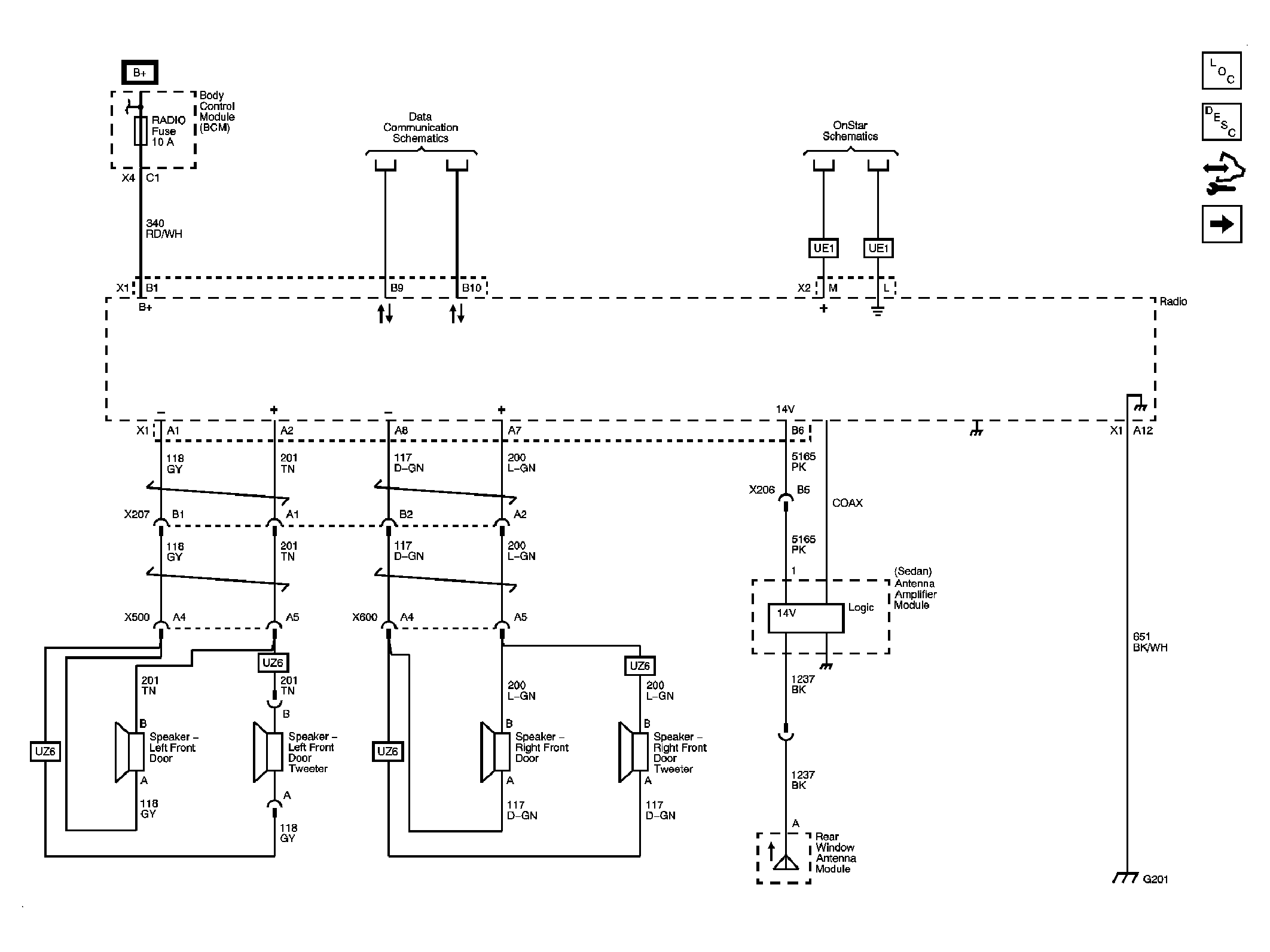
Fig 1: Power, Ground, Front Speakers, Antenna And References - Schematic
GM1891677Courtesy of GENERAL MOTORS CORP.
Fig 2: Rear Speakers w/o UK6, U32 Or U2K - Schematic
GM1891679Courtesy of GENERAL MOTORS CORP.
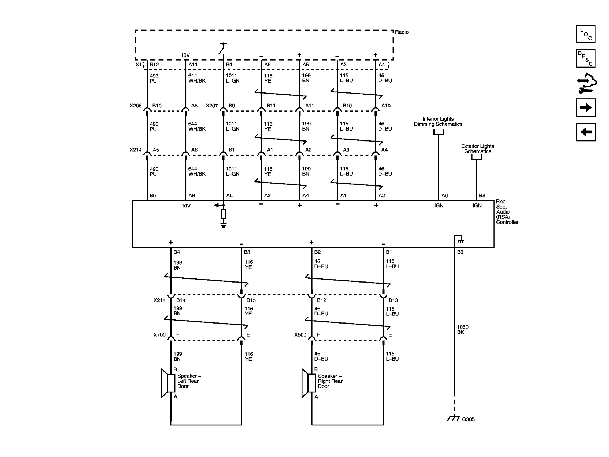
Fig 3: Rear Seat Audio (RSA) Controller - Schematic
GM1891680Courtesy of GENERAL MOTORS CORP.
Fig 4: DVD Player And Digital Radio Receiver - Schematic
GM1891681Courtesy of GENERAL MOTORS CORP.
Fig 5: Redundant Radio Controls (3-Spoke) - Schematic
GM1891683Courtesy of GENERAL MOTORS CORP.
Fig 6: Redundant Radio Controls (4-Spoke) - Schematic
GM1891685Courtesy of GENERAL MOTORS CORP.