LEMON Manuals: Even more car manuals for everyone: 1960-2025
Home >> Hummer >> 2008 >> H3 Base, Automatic >> Repair and Diagnosis >> External Pages >> Different car >> Section 219 (Suspension Control System - Automatic Level Control) >> Schematic and Routing Diagrams >> Automatic Level Control Schematics
April 5, 2026: LEMON Manuals is launched! Read the announcement.

Automatic Level Control Schematics

WARNING: This page is about a different car, the 2008 Cadillac STS. However, it is still accessible from the selected car via links, so may be relevant.
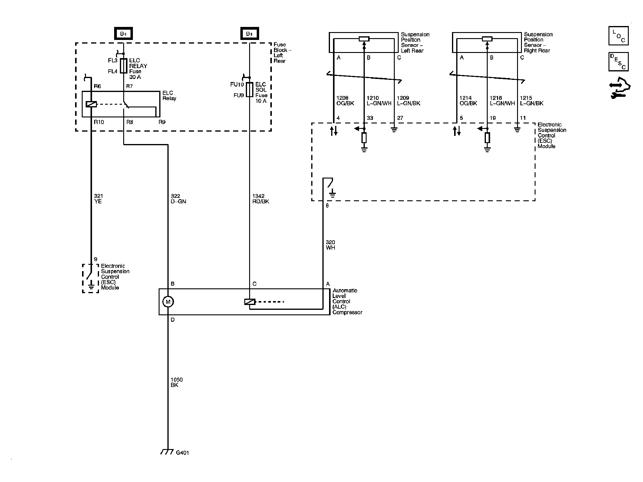
Fig 1: Automatic Level Control Schematic
GM1904616Courtesy of GENERAL MOTORS CORP.