LEMON Manuals: Even more car manuals for everyone: 1960-2025
Home >> Hummer >> 2009 >> H3 Alpha >> Repair and Diagnosis >> External Pages >> Different car >> Section 110 (Cellular System, Entertainment System, And Navigation System) >> Schematic and Routing Diagrams >> Video System Schematics
April 5, 2026: LEMON Manuals is launched! Read the announcement.

Video System Schematics

WARNING: This page does not describe the selected car, but rather 8 other vehicles, including the 2008 GMC Yukon XL, 2008 GMC Yukon, 2008 Chevrolet Tahoe, 2008 Chevrolet Suburban, and 2008 Chevrolet Avalanche. However, it is still accessible from the selected car via links, so may be relevant.
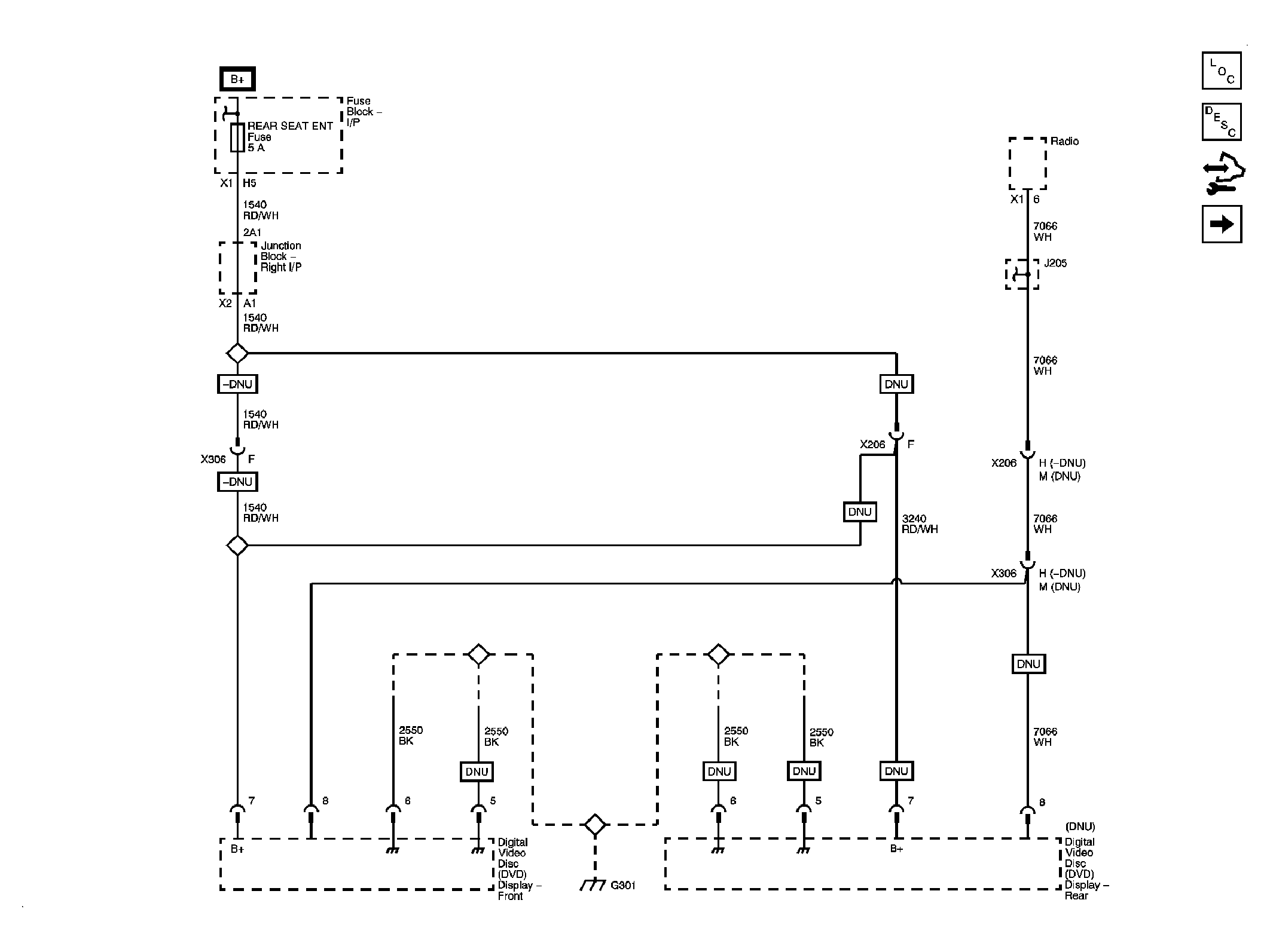
Fig 1: Display Power and Ground
GM1907272Courtesy of GENERAL MOTORS CORP.
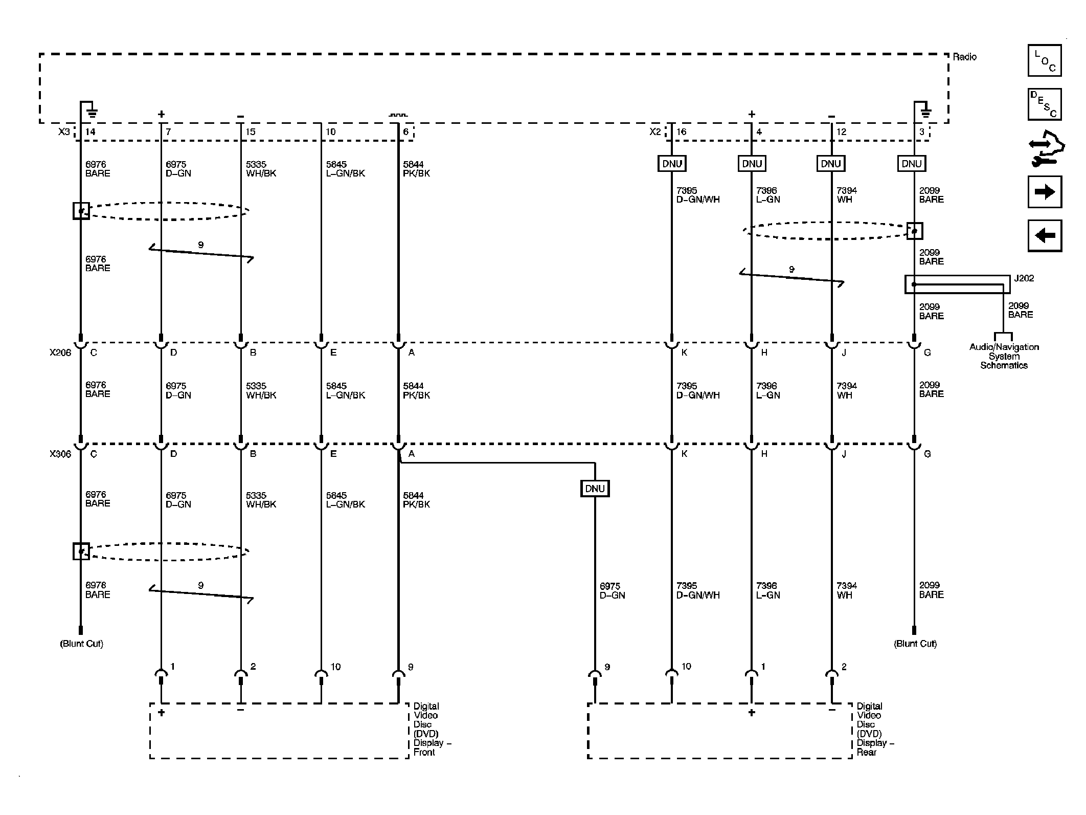
Fig 2: Video Signals
GM1907277Courtesy of GENERAL MOTORS CORP.
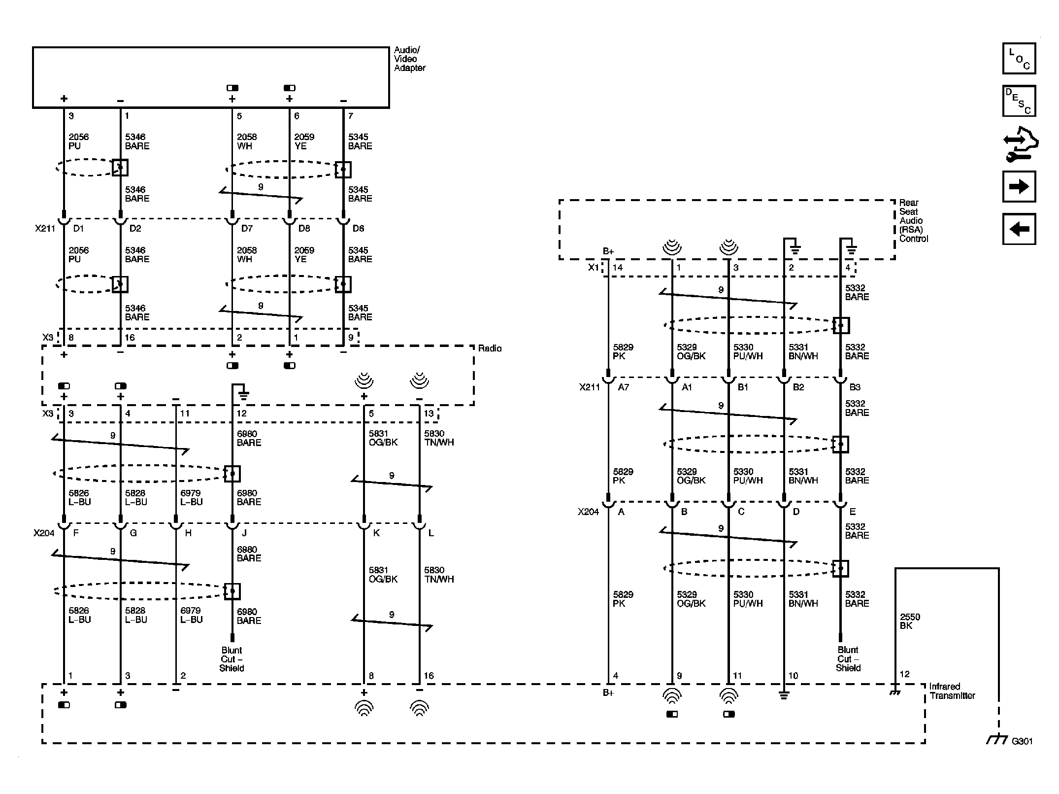
Fig 3: Audio Signals
GM1907281Courtesy of GENERAL MOTORS CORP.
Fig 4: Dual DVD Headrest System
GM1907284Courtesy of GENERAL MOTORS CORP.