LEMON Manuals: Even more car manuals for everyone: 1960-2025
Home >> Hummer >> 2010 >> H3 Alpha >> Repair and Diagnosis >> External Pages >> Different car >> Section 1902 (Object Detection System - Park Assist System) >> Schematic Wiring Diagrams >> Object Detection Wiring Schematics >> SPO Accessory Rear Vision Camera Wiring Schematics
April 5, 2026: LEMON Manuals is launched! Read the announcement.

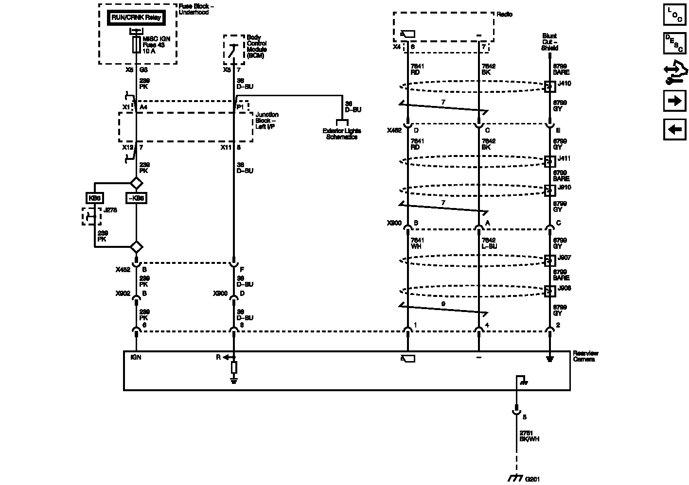
SPO Accessory Rear Vision Camera Wiring Schematics

WARNING: This page does not describe the selected car, but rather 8 other vehicles, including the 2012 GMC Yukon XL, 2012 GMC Yukon, 2012 Chevrolet Tahoe, 2012 Chevrolet Suburban, and 2012 Chevrolet Avalanche. However, it is still accessible from the selected car via links, so may be relevant.
Fig 1: SPO Accessory Rear Vision Camera Wiring Schematics
GM2643587Courtesy of GENERAL MOTORS COMPANY