LEMON Manuals: Even more car manuals for everyone: 1960-2025
Home >> Hummer >> 2010 >> H3 Alpha >> Repair and Diagnosis >> External Pages >> Different car >> Section 868 (Cellular System, Entertainment System, And Navigation System) >> Schematic and Routing Diagrams >> Video System Schematics
April 5, 2026: LEMON Manuals is launched! Read the announcement.

Video System Schematics

WARNING: This page is about a different car, the 2007 GMC Sierra and 2007 Chevrolet Silverado. However, it is still accessible from the selected car via links, so may be relevant.
Fig 1: Display Power, Ground and Video Signals
GM1847935Courtesy of GENERAL MOTORS CORP.
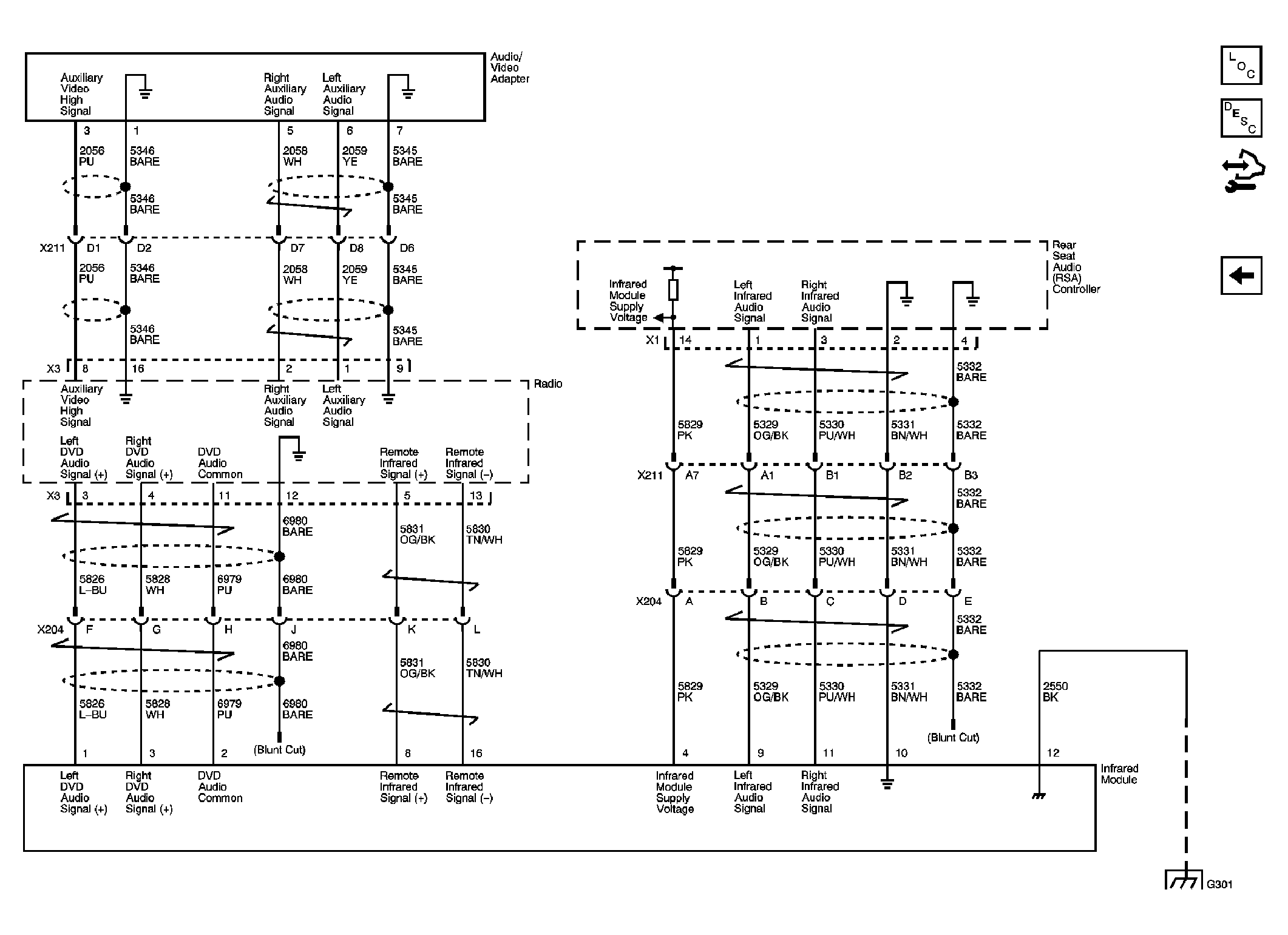
Fig 2: Audio Signals
GM1847937Courtesy of GENERAL MOTORS CORP.