LEMON Manuals: Even more car manuals for everyone: 1960-2025
Home >> Hummer >> 2010 >> H3 Base, Automatic >> Repair and Diagnosis >> External Pages >> Different car >> Section 11 (Cellular Systems, Entertainment Systems & Navigation Systems) >> Schematic and Routing Diagrams >> Video System Schematics
April 5, 2026: LEMON Manuals is launched! Read the announcement.

Video System Schematics

WARNING: This page is about a different car, the 2010 GMC Canyon and 2010 Chevrolet Colorado. However, it is still accessible from the selected car via links, so may be relevant.
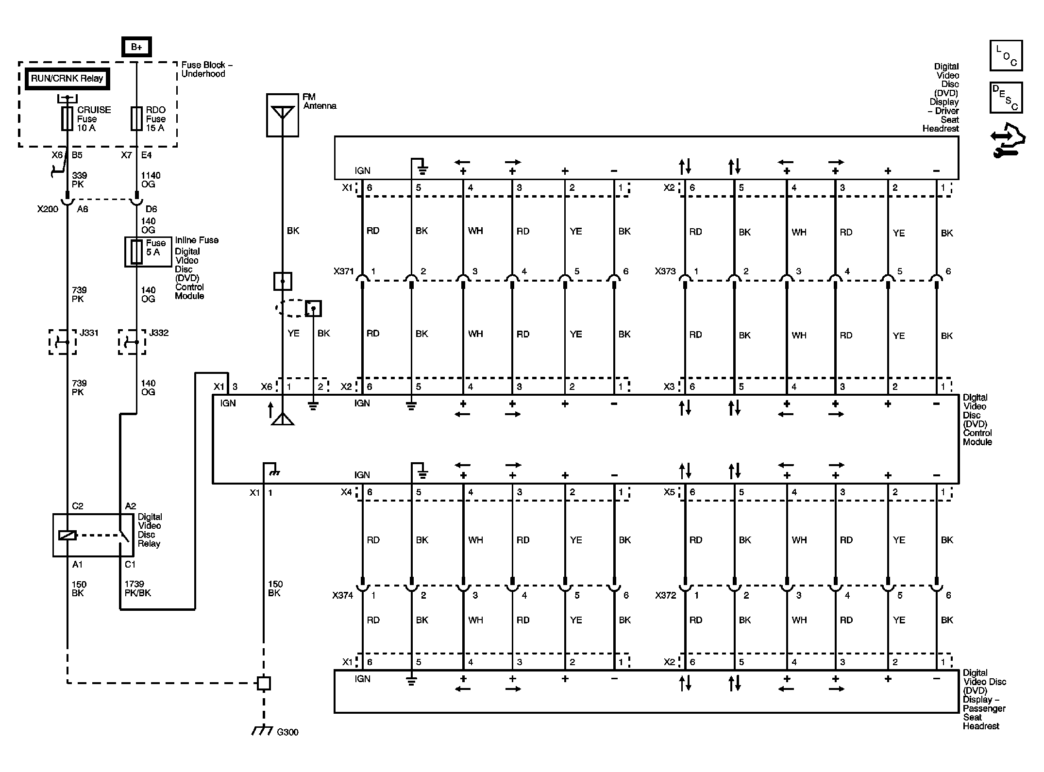
Fig 1: Headrest DVD (SPO Accessory)
GM2279666Courtesy of GENERAL MOTORS CORP.