LEMON Manuals: Even more car manuals for everyone: 1960-2025
Home >> Hummer >> 2010 >> H3T Alpha >> Repair and Diagnosis >> External Pages >> Different car >> Section 988 (Cellular System, Entertainment System, And Navigation System) >> Schematic and Routing Diagrams >> Radio/Navigation System Schematics
April 5, 2026: LEMON Manuals is launched! Read the announcement.

Radio/Navigation System Schematics

WARNING: This page is about a different car, the 2008 GMC Sierra, 2008 GMC Cab & Chassis Sierra, 2008 Chevrolet Silverado, and 2008 Chevrolet Cab & Chassis Silverado. However, it is still accessible from the selected car via links, so may be relevant.
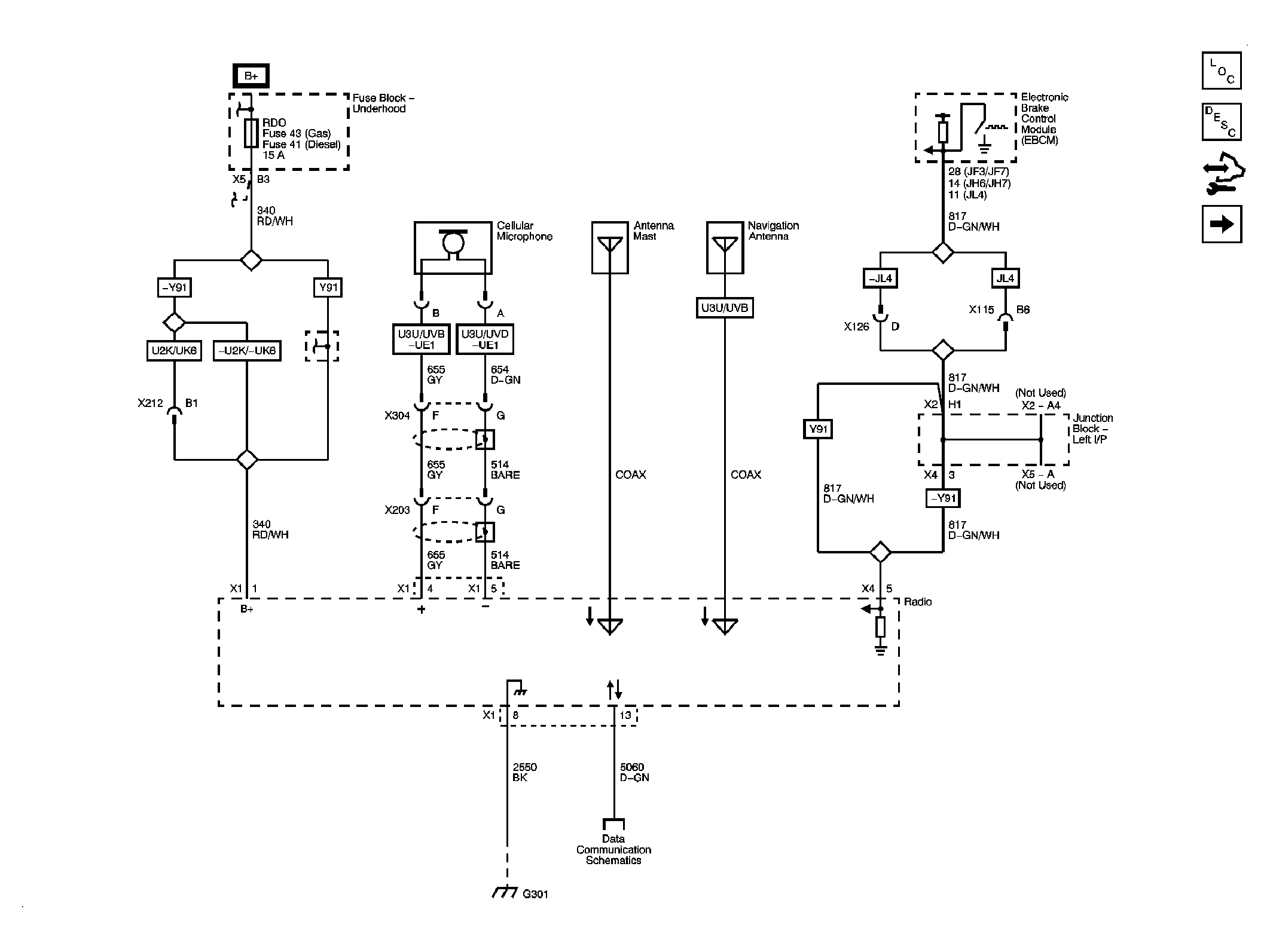
Fig 1: Radio Power, Ground and Serial Data
GM1915151Courtesy of GENERAL MOTORS CORP.
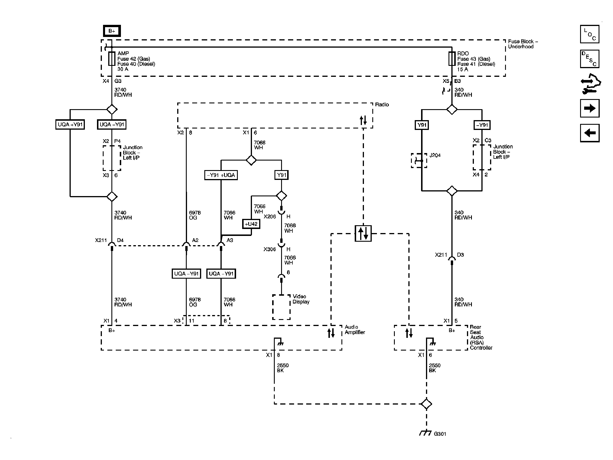
Fig 2: Amplifier (UQA) and Rear Seat Audio (UK6) Power, Ground and Serial Data
GM1915157Courtesy of GENERAL MOTORS CORP.
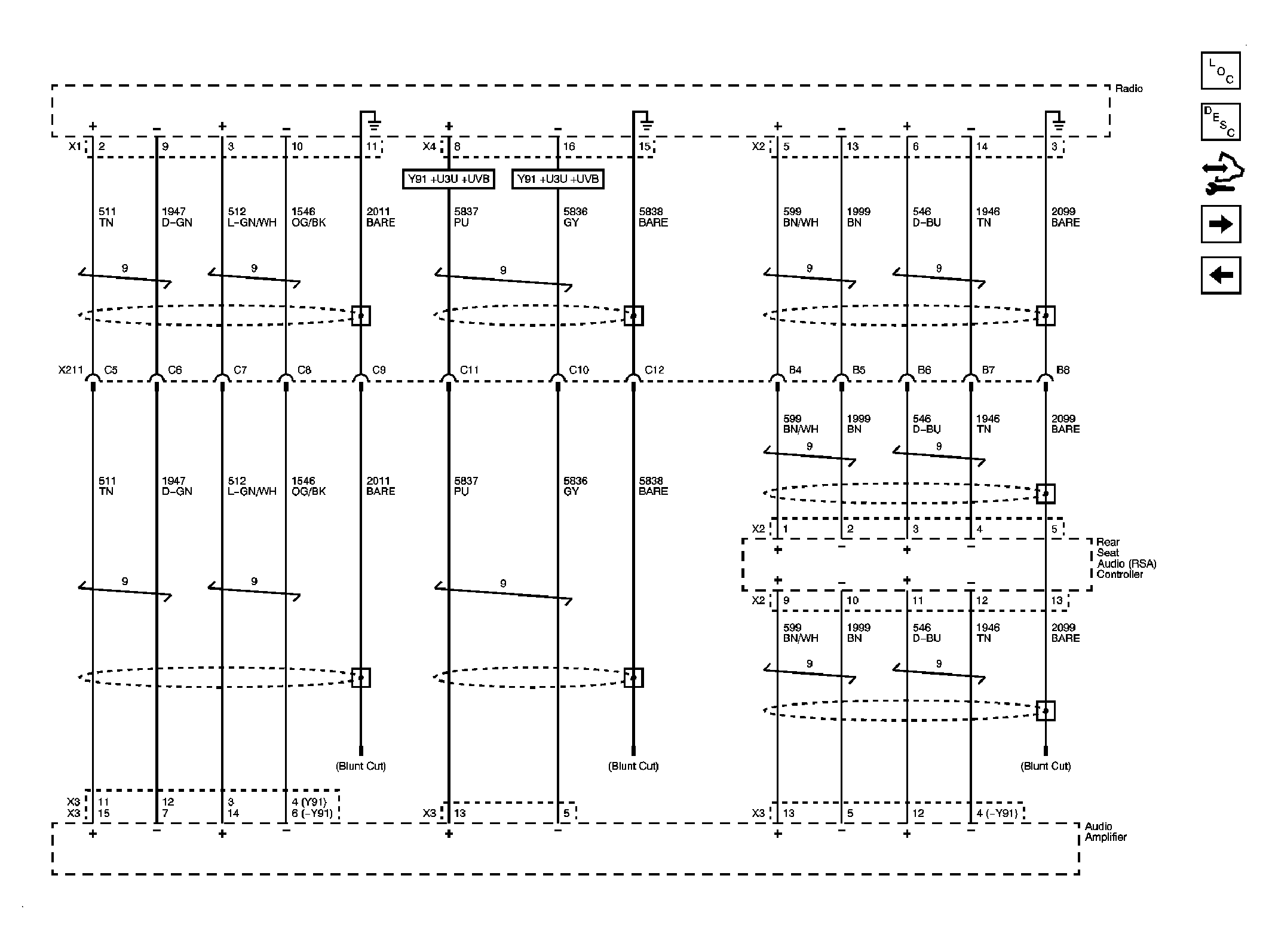
Fig 3: Amplifier Inputs (UQA)
GM1915163Courtesy of GENERAL MOTORS CORP.
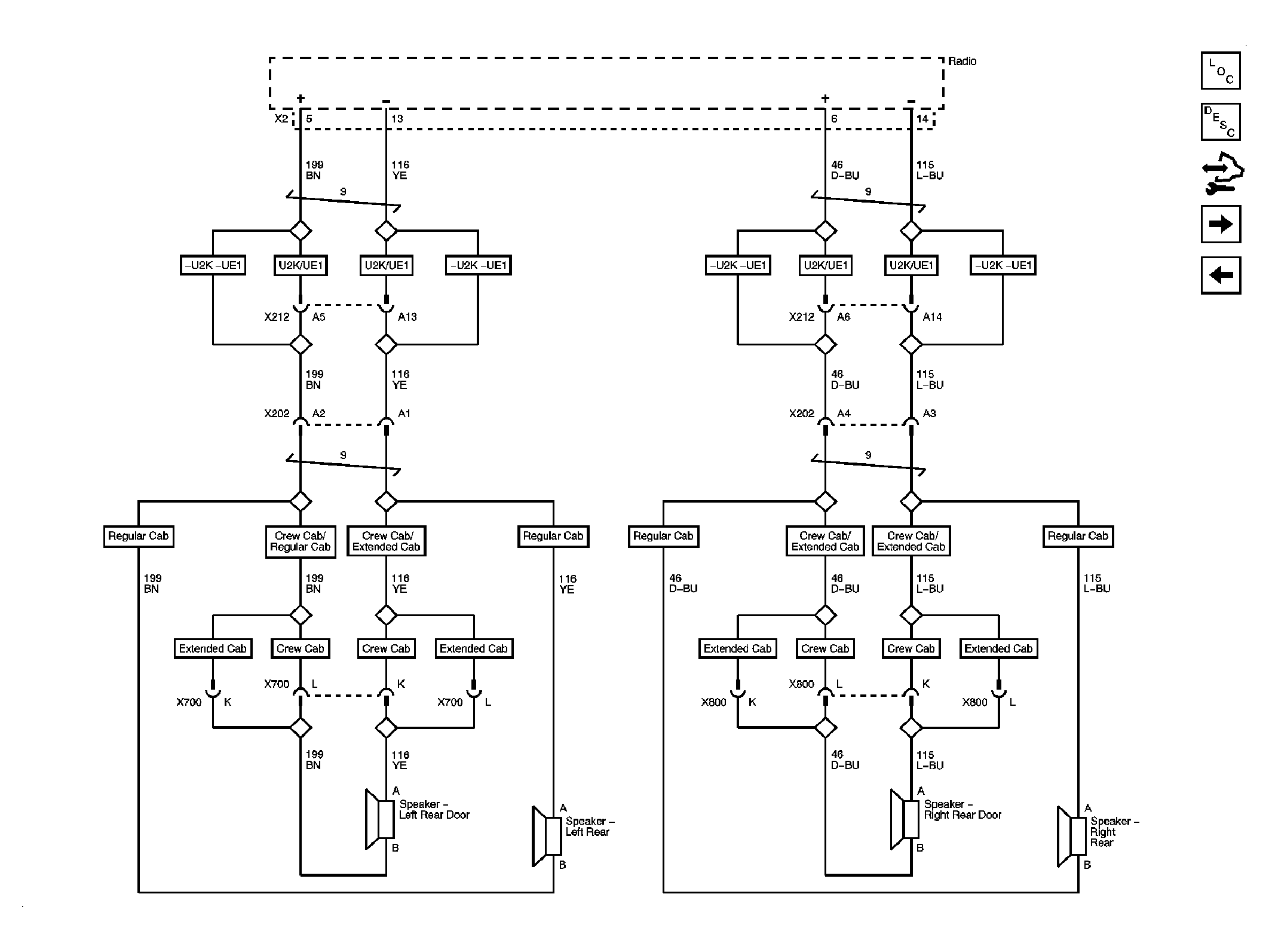
Fig 4: Front Speakers (UQ3/UQ5)
GM1915167Courtesy of GENERAL MOTORS CORP.
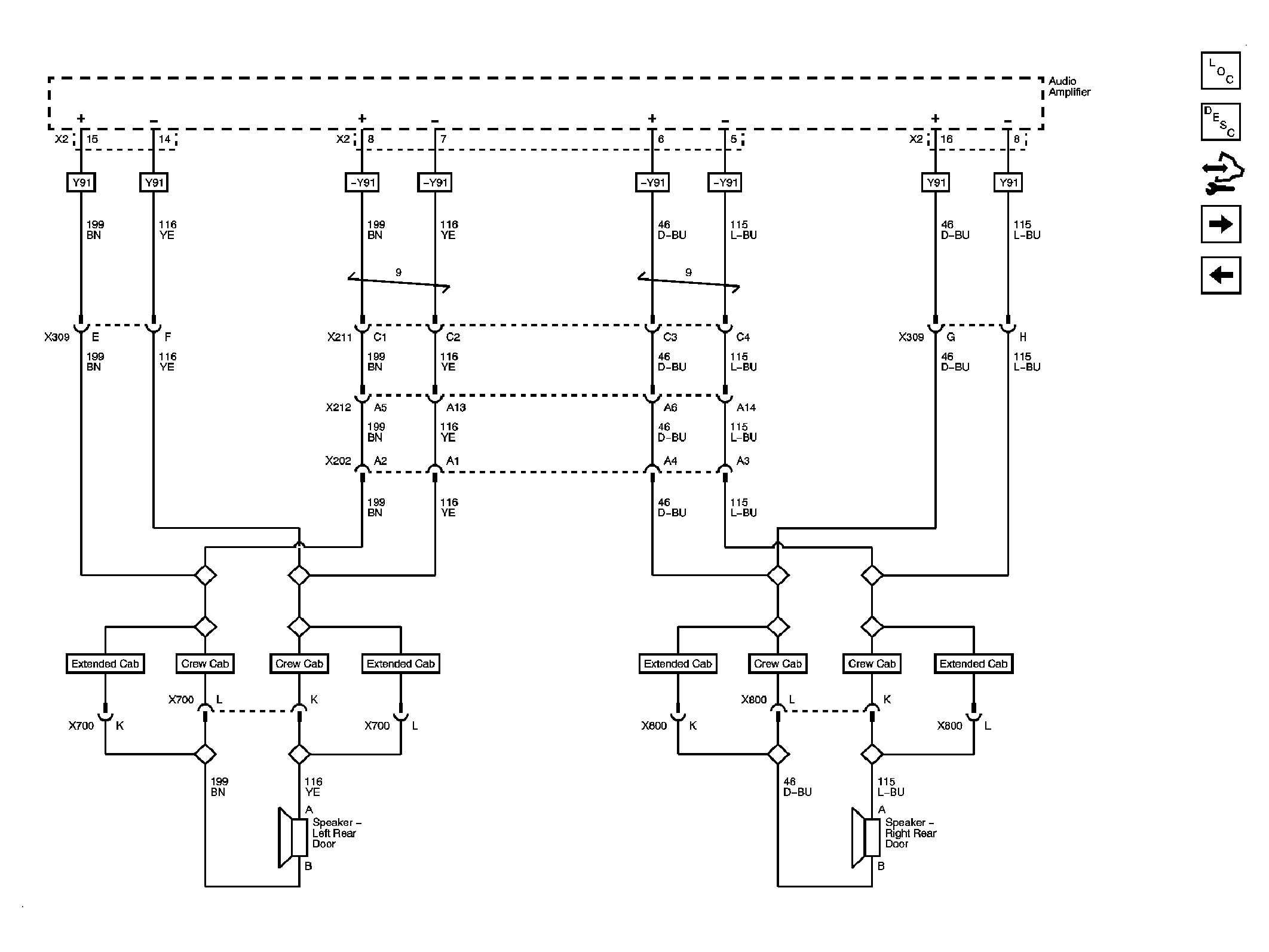
Fig 5: Rear Speakers (UQ3/UQ5)
GM1915170Courtesy of GENERAL MOTORS CORP.
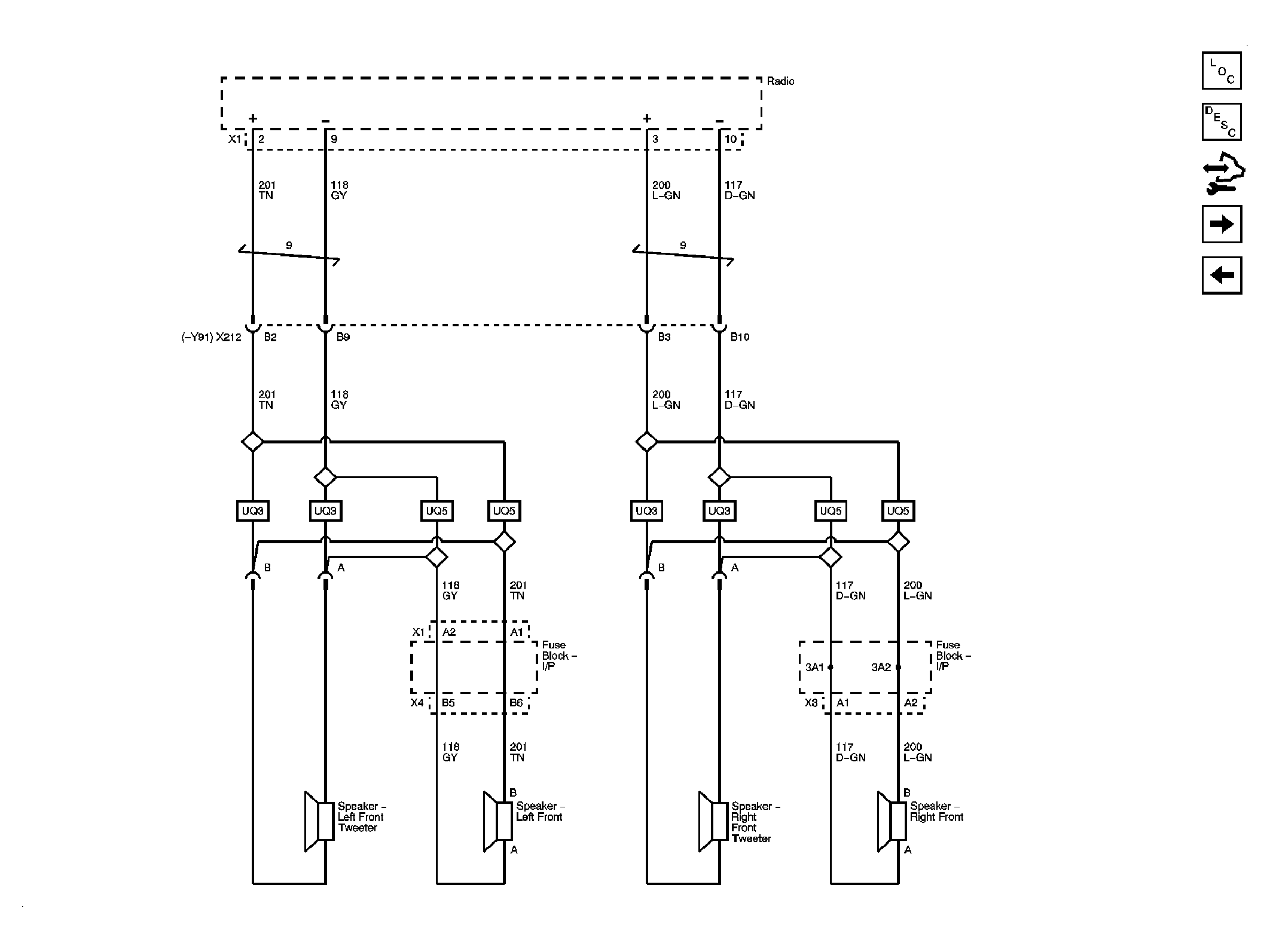
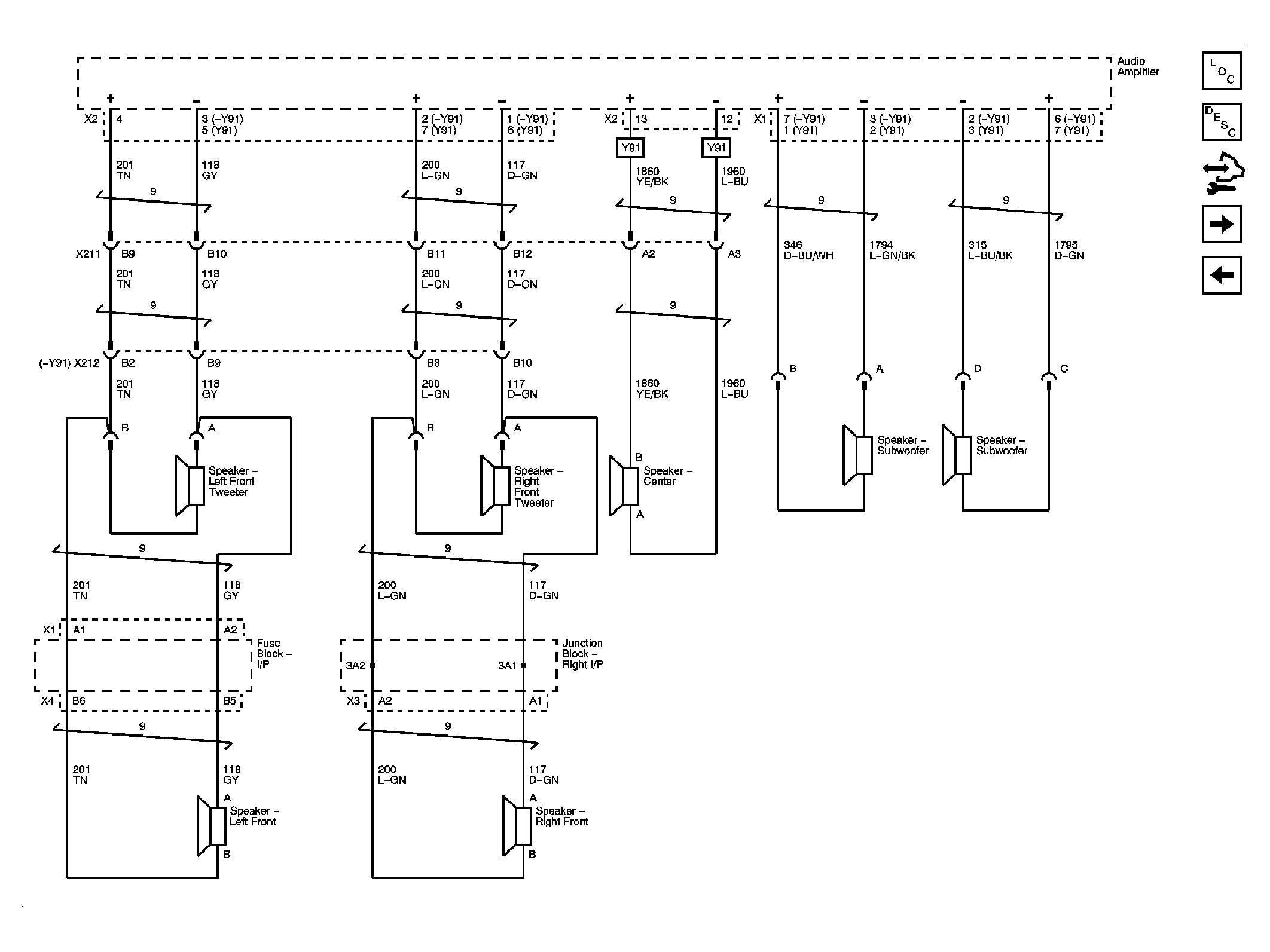
Fig 6: Front Speakers (UQA)
GM1915173Courtesy of GENERAL MOTORS CORP.
Fig 7: Rear Speakers (UQA)
GM1915177Courtesy of GENERAL MOTORS CORP.
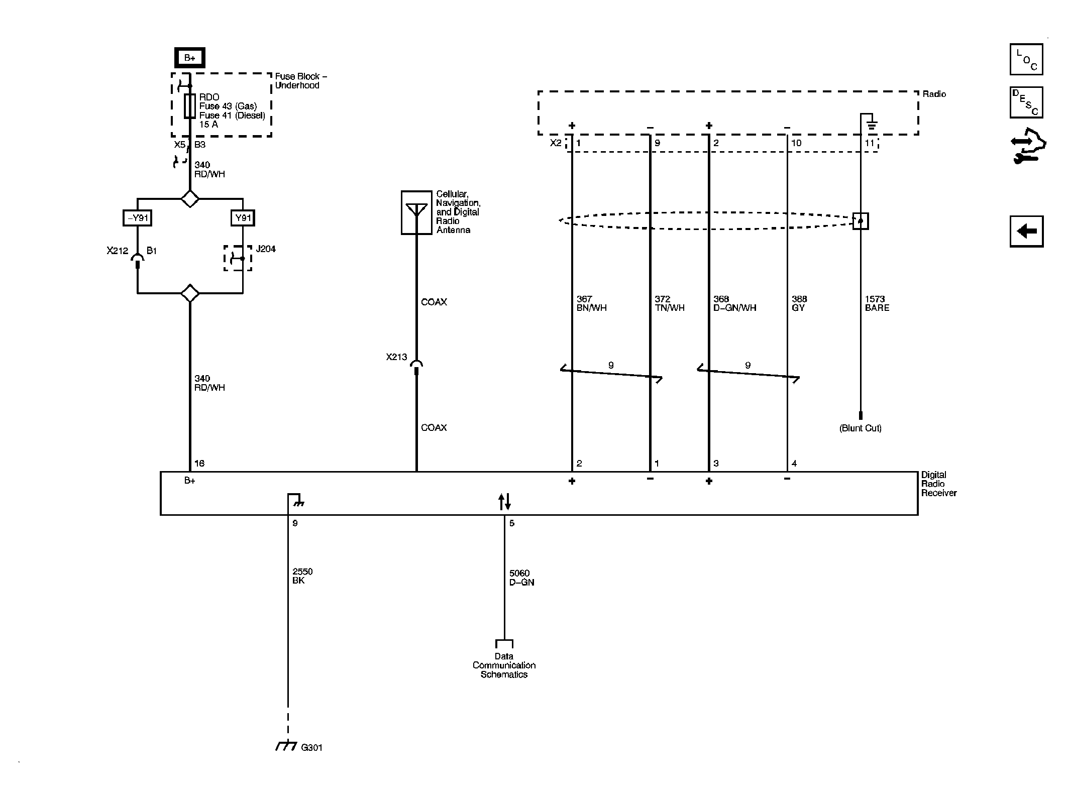
Fig 8: Digital Radio Receiver (U2K)
GM1915179Courtesy of GENERAL MOTORS CORP.