LEMON Manuals: Even more car manuals for everyone: 1960-2025
Home >> Hummer >> 2010 >> H3T Base, Standard >> Repair and Diagnosis >> External Pages >> Different car >> Section 38 (Data Communication System) >> Schematic and Routing Diagrams >> Data Communication Schematics
April 5, 2026: LEMON Manuals is launched! Read the announcement.

Data Communication Schematics

WARNING: This page is about a different car, the 2010 GMC Canyon and 2010 Chevrolet Colorado. However, it is still accessible from the selected car via links, so may be relevant.
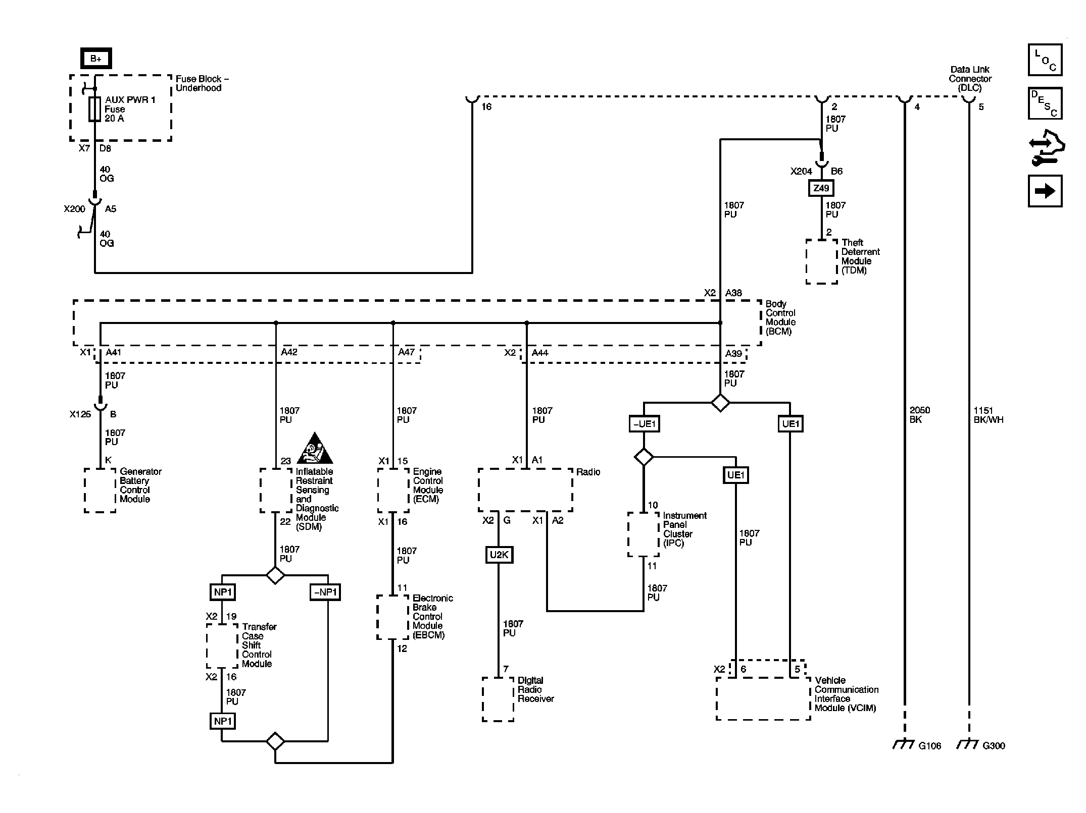
Fig 1: Class 2 Serial Data
GM2242668Courtesy of GENERAL MOTORS CORP.
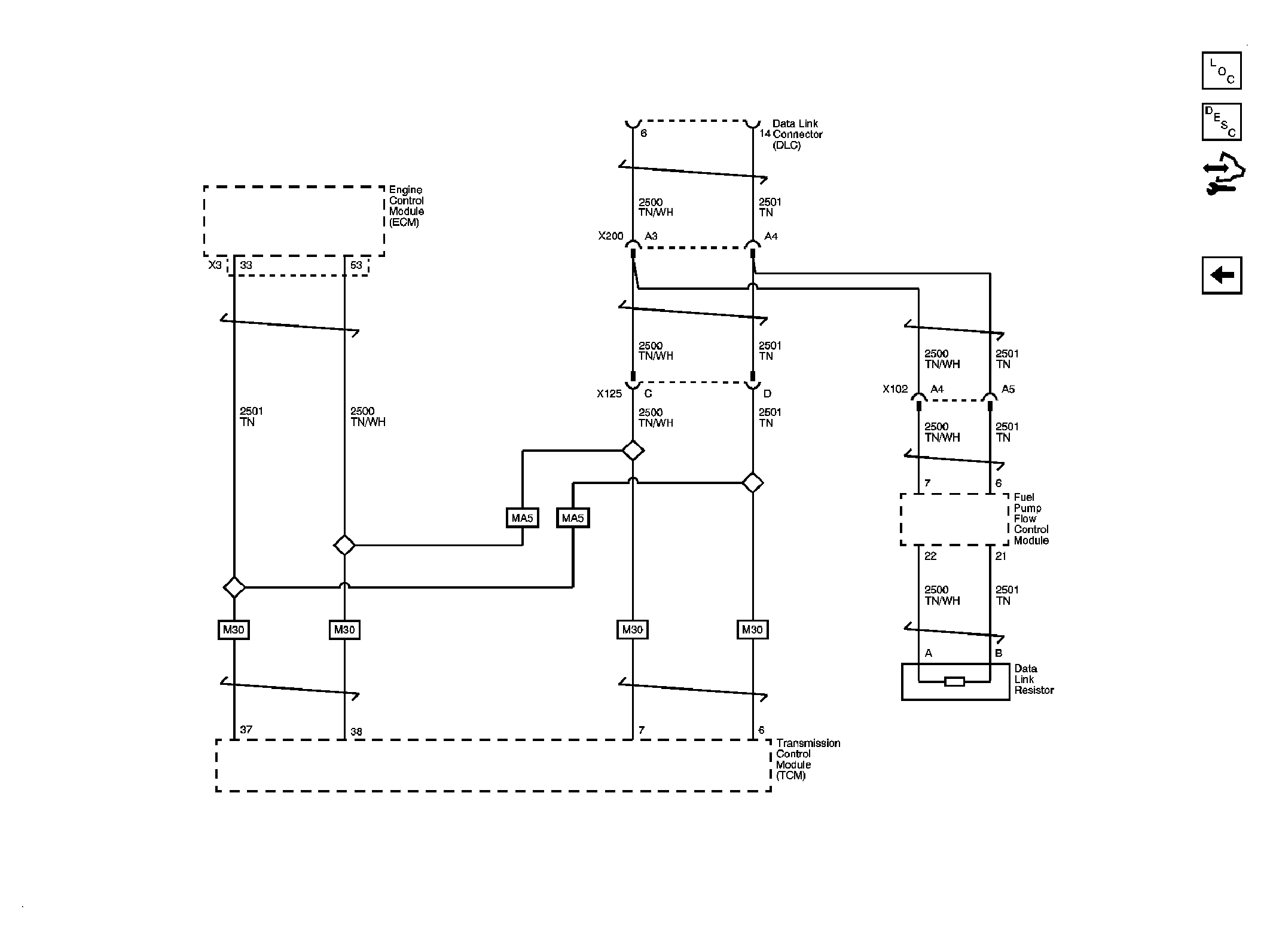
Fig 2: High Speed GMLAN Serial Data
GM2242669Courtesy of GENERAL MOTORS CORP.