LEMON Manuals: Even more car manuals for everyone: 1960-2025
Home >> Hyundai >> 2003 >> Santa Fe V6-3.5L >> Repair and Diagnosis >> Powertrain Management >> Computers and Control Systems >> Relays and Modules - Computers and Control Systems >> Main Relay (Computer/Fuel System) >> Description and Operation
April 5, 2026: LEMON Manuals is launched! Read the announcement.

Main Relay (Computer/Fuel System): Description and Operation

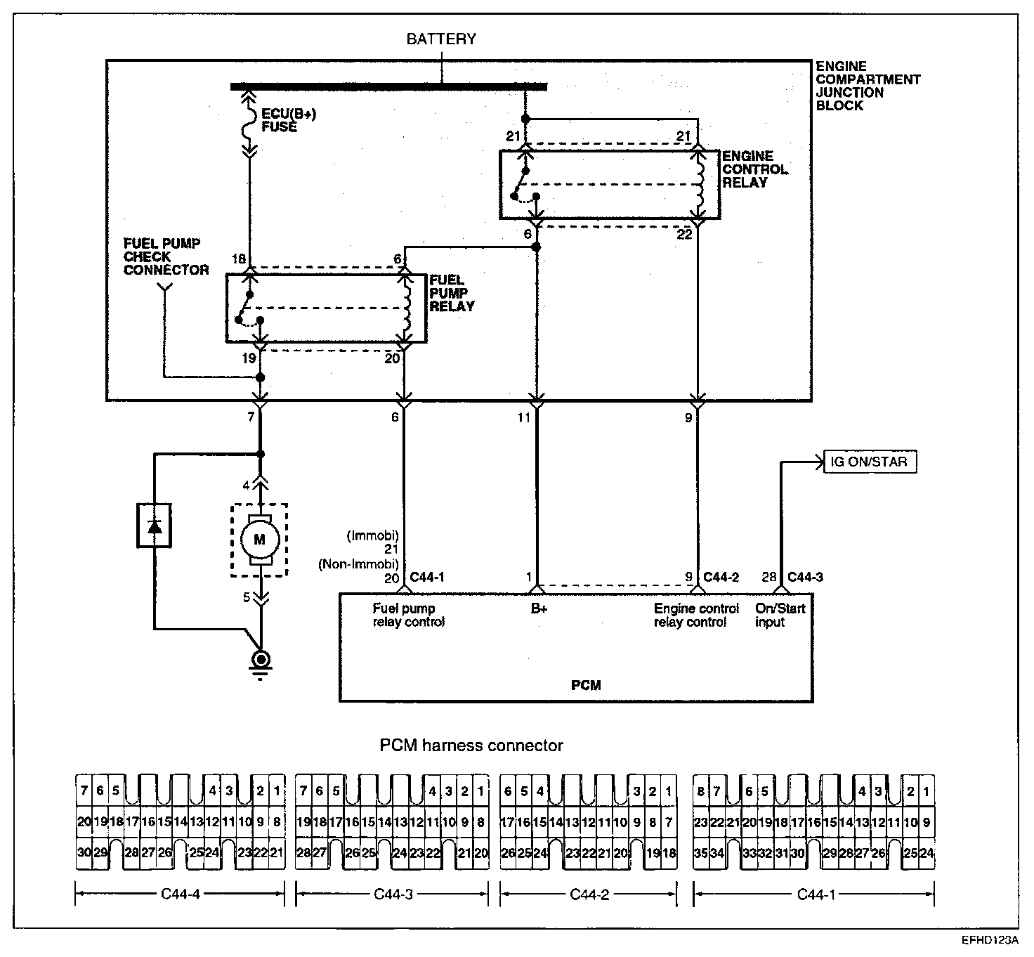
ENGINE CONTROL MODULE (ECM) CONTROL RELAY




When the ignition switch is turned on, battery voltage is applied from the ignition switch to the PCM, turning ON the ignition power transistor and energizing the MFI control relay coil. This turns ON the MFI control relay switch, and supplies power from the battery to the PCM through the MFI control relay switch.

Circuit Diagram: