LEMON Manuals: Even more car manuals for everyone: 1960-2025
Home >> Hyundai >> 2004 >> XG350 Base >> Repair and Diagnosis >> Brakes >> Traction Control >> Anti-Lock Brake System >> Anti-Lock Braking System Control Module >> Circuit Diagram >> FTCS Ecu
April 5, 2026: LEMON Manuals is launched! Read the announcement.

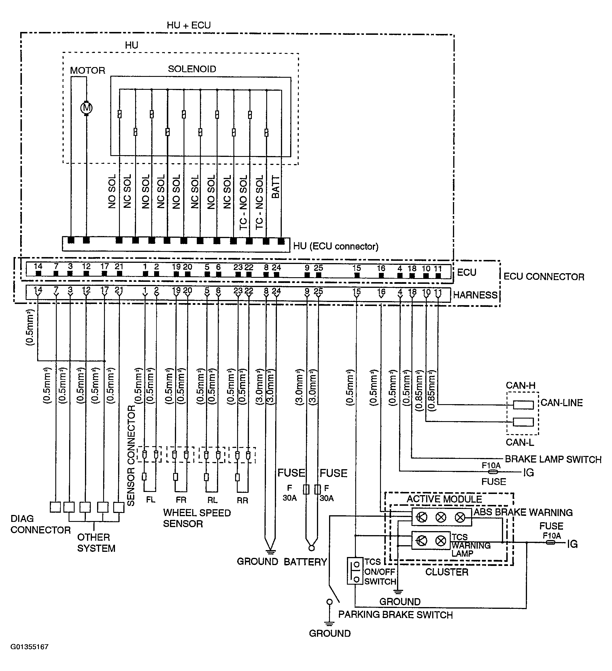
FTCS Ecu

Fig 1: FTCS ECU Circuit Diagram
G01355167Courtesy of HYUNDAI MOTOR CO.