LEMON Manuals: Even more car manuals for everyone: 1960-2025
Home >> Hyundai >> 2006 >> Tucson L4-2.0L >> Repair and Diagnosis >> Powertrain Management >> Computers and Control Systems >> Engine Control Module >> Diagrams >> Diagram Information and Instructions >> Schematic Diagrams
April 5, 2026: LEMON Manuals is launched! Read the announcement.

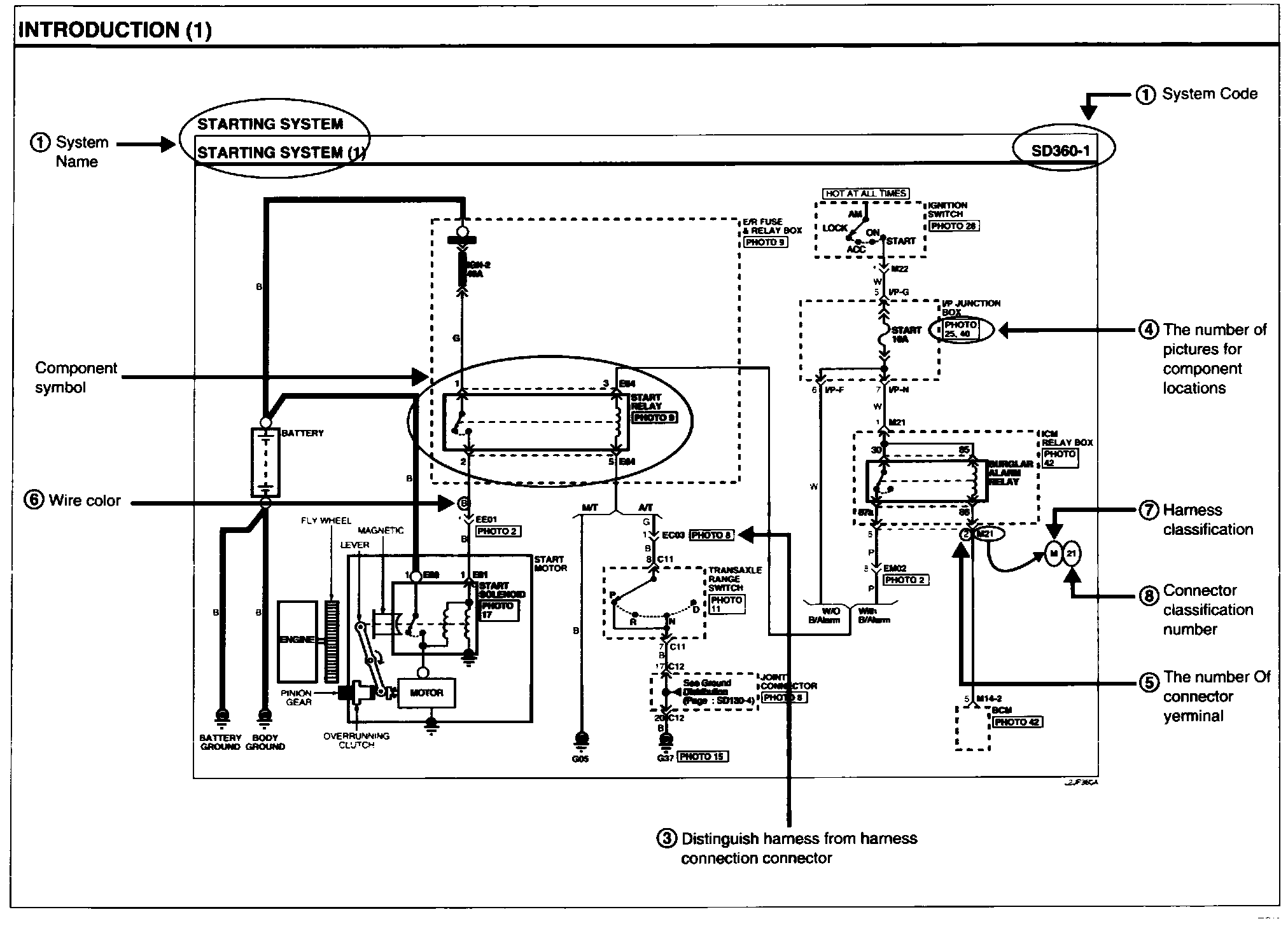
Schematic Diagrams

01 DIAGRAMS BY SYSTEM/ NAME OF SCHEMATIC DIAGRAM




- Each diagram is consisted of circuits by system. This schematic diagram includes the path of electricity flow, connection condition for each switch, and the function of other relevant circuits at once. It is applicable to real service work.
- It is very important to understand relevant circuits exactly before troubleshooting diagnosis.
- Circuits by system depends upon part number and are indicated on schematic diagram index.

02 CONNECTOR CONFIGURATION (COMPONENTS)




- The connector figure of consisted parts in the schematic diagram by system is indicated at the end of schematic diagram.
- It shows the front of the connector on the harness side with not connecting the components to harness connector.
The number of terminal being in use is in accordance with the way obtaining number and unused terminal is marked with (*).

03 CONNECTOR CONFIGURATIONS (CONNECTION BETWEEN HARNESSES)




- When connecting the harness with connector between harnesses, it shows female and male connectors and indicates them on the connector configurations group.

04 COMPONENT LOCATIONS




- To find the components easily, component locations diagram is indicated with "PHOTO NO" on the lower of component name.
- To make it easy to distinguish connectors, the connector in the picture is indicated being installed in the vehicle.

05 CONNECTOR VIEW AND NUMBERING ORDER






NOTE: UNLESS OTHERWISE STATED, ALL CONNECTOR VIEWS ARE FROM THE TERMINAL SIDE OF THE CONNECTOR.

06 WIRE COLOR ABBREVIATIONS




The abbreviations are used to identify wire colors in the circuit schematics.

07 HARNESS CLASSIFICATION




Electrical wiring connectors are classified according to the wiring pans in the Harness Layouts.

08 CONNECTOR IDENTIFICATION
A connector identification symbol consists of a wiring harness location classification symbol corresponding to a wiring harness location and number corresponding to the connector.

These connector locations can be found in the HARNESS LAYOUTS.




Example

NOTE: Connectors which connect each wiring harness are represented by the symbols as in below diagram.




Example

JUNCTION BLOCK IDENTIFICATION




A junction block identification symbol consists of a wiring harness location classification symbol corresponding to a wiring harness location and number corresponding to the connector in the junction block.

HARNESS LAYOUTS




Harness layouts show the routing of the major wiring harnesses, the in-line connectors and the splices between the major harnesses. These layouts will make electrical troubleshooting easier.