LEMON Manuals: Even more car manuals for everyone: 1960-2025
Home >> Hyundai >> 2009 >> Veracruz FWD V6-3.8L >> Repair and Diagnosis >> Powertrain Management >> Computers and Control Systems >> Relays and Modules - Computers and Control Systems >> Body Control Module >> Description and Operation >> BCM (Body Control Module) >> 2 of 2
April 5, 2026: LEMON Manuals is launched! Read the announcement.

2 of 2






NOTE:
Headlamp low output includes condition on switches and also by AUTO LIGHT.

9. FOLLOW ME HOME FUNCTION
Due to the change of law for North American variant, tail lamp should be ON as long as head lamp is ON. Tail lamp can't be turned OFF when head lamp is ON.
After switching off ignition, you generate a call of headlight (head lamp low and tail lamp) and open driver side door and then after close driver door, you will have consequently lighting of head lamp low and tail lamp during 30sec.





NOTE:
1. Door Lock 2 times : Tx Door Lock 2 times or Passive Door Lock 2 times
2. When Open the Driver door, former 2 times lock counter is cleared, and Start new 2 times lock counting
3. During active the Follow-me-home function(counting 30sec), if Driver door is re-opened, re-start 20min counter and if Driver door is re-close, re-start 30sec counter.








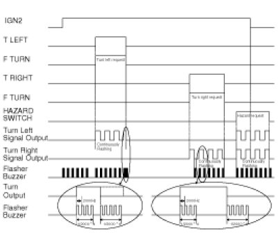
10. FLASHER BUZZER Operation
When the BCM detects the TURN LEFT SIGNAL or TURN RIGHT SIGNAL transition, then starts flasher buzzer outputs depend on transition.




T1 : 2KHz, 50% Duty
11. TURN SIGNAL NORMAL OPERATING CONDITION
(Turn signal period : 85 ± 10 period/min)

While IGN2 is ON, if FULL TURN SIGNAL or TURN SIGNAL LEFT or TURN SIGNAL RIGHT or HAZARD input is detected, then turn signal outputs are turned ON TURN LAMPs following as switch input state (FULL LEFT, FULL RIGHT or HAZARD).
A. Full Turn Left(T LEFT = 1 and F TURN = 1) : Continuously flashing turn left lamp
B. Full Turn Right(T RIGHT = 1 and F TURN = 1) : Continuously flashing turn right lamp

NOTE:
Priority : HAZARD > TURN SIGNAL




Normal : 85 ± 10 Period/min
12. DOUBLE BLINKING CONDITION
In case of activation of hazard the fault detection will be able to detect the failure only if 3 bulbs are broken-down. This bulb failure can be tested by the diagnostic specification.
In case of turn signal activation when one of the FRONT or REAR is broken-down (Lamp failure), the turn signal blinks with double frequency. Lamp failure condition as below.
(1) Flasher fault detection should be inhibited according to Battery voltage status When the VBAT voltage is lower than 9V -> this threshold for flasher fault detection should be configured as the calibration variable (EEPROM variable)
(2) The fault detection is carried out continuously, until fault condition is detected by BCM and once fault is detected, BCM keep the fault condition until flasher triggering condition is released(Turn Right or Left switch off/ IGN1 & IGN2 or Hazard switch off)
The double blinking works at IGN1 ON & IGN2 ON condition, double blinking for Hazard: Except side lamp, if any error condition is detected then triggered the double blinking.
Period: 140 ±10 period/min




13. MAGNETIC BUZZER SOUND
Sound Period : T2 (0.6 s or 0.25 s or 0.730s)
Sound duration : T1 (fix value or infinite)




(1) SOUND PRIORITY
A. 1st : Diagnostic sound (provided to test the Buzzer by way of Diagnostic tool)
B. 2nd : Seatbelt warning
C. 3rd : Overspeed warning
D. 4th : Key operated warning
E. 5th : Parking Brake warning
F. 6th : "MSL not blocked" warning (SMK option only)
G. 7th : Key learning sound (Sound period : 600 m sec.) (Learning with High SCAN tool) (non SMK option only)
H. 8th : Key learning sound (Sound period : 600 m sec.) (Learning with Code Saving tool) (non SMK option only)
I. 9th : Warnings for SMK systems (ID Deactivation warning) (SMK option only)

NOTE:
A buzzer ending restores the activity of a buzzer previously interrupted.

(2) BUZZER SOUND ENDING

NOTE:
After any buzzer sound block ends, another buzzer sound block can start. During warning sound, the other high priority warning can't interrupt current activating one before the end of the previous sound block.




14. SEAT BELT WARNING FUNCTION
A calibration bit Seat belt warning buzzer sound option is defined to disable /enable the seat belt reminder buzzer, this calibration bit is by default set to True.

A calibration bit Assistant Seat Belt Reminder option is defined to enable/disable the Assistant side Seat Belt Reminder function, this calibration bit is by default set to False.
(1) SEAT BELT WARNING LAMP DRIVING CONDITION




(2) SEAT BELT WARNING SOUND
Frequency : 800 Hz
Sound period : T2 = 1sec
Sound duration : T1 = (see following chapters)
In case of 6sec blinking case, following as seatbelt lamp blinking, buzzer warning sound. So if lamp is blinking over 6sec, buzzer warning sound one more time.




15. KEY LEARNING INTERNAL SOUND
Key Learning sound :
Frequency: 800 Hz
Sound period: 600msec
Sound duration: 600msec

When each Key's learning is ended, magnetic buzzer is operated, every one time.




16. KEY OPERATED WARNING
(1) KEY OPERATED WARNING SOUND
Frequency : 800 Hz
Sound period : T2 = 0.6sec
Sound duration : infinite
(2) KEY OPERATED WARNING ALGORITHM
A. (While IGN KEY is inserted into the KEY CYLINDER (*) Or ACC is ON) & (IGN1 = IGN2 = ALT'L = OFF) if DRIVER SIDE DOOR is opened. KEY OPERATED WARN'G starts.
(*) if non SMK, or SMK option : KEY IN = TRUE
B. (If the KEY is pulled out from key cylinder & ACC = OFF)
Or IGN2 = ON
Or IGN1 = ON
Or ALT'L = ON
or if DRIVER SIDE DOOR is closed, then the key operated warning stops immediately.
C. DURATION: Permanent (The KEY OPERATED WARNING continues permanently if the condition has not changed)





NOTE:
- The same definition is used for SMK and non SMK option.
- The activation and deactivation must be made in the states. When an event with a higher priority interrupts the key reminder and when this event finishes, the key reminder must be reactivated.

17. SMART KEY SYSTEM WARNINGS (SMART KEY OPTION ONLY)
(1) SMK(Smart Key) system warning sounds
In case of MAGNETIC BUZZER :
Frequency: 800 Hz
Sound period: T2 = 0.25 s
Number of period : 1
TON : 3 secs
TOFF : 0 secs
The frequency is fixed at 2khz.
(2) 2 warning sounds are necessary for the SMK system in the following cases :

When receiving the "ID out warning" command from SMK ECU via CAN (meaning that ID is found outside the vehicle), the warning sound (MAGNETIC BUZZER and External BUZZER) starts.
MAGNETIC BUZZER Sound duration : T1 = 5 s
18. PARKING BRAKE BUZZER WARNING
(1) PARKING BRAKE WARNING SOUND
Frequency : 800 Hz
Sound period : T2 = 0.6sec
Sound duration : infinite
(2) Operation
A. In state of IGN1 ON, this warning sound is start when vehicle speed is over 10Km/h and PARK BRAKE switch is ON.
B. This activity is stop if :
- IGN1 OFF.
- Vehicle speed is under 10kmh (with filtering as same method with CAN bit 20Kmh)
- PARK BRAKE switch is OFF




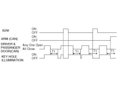
19. IGN KEY HOLE ILLUMINATION
(1) FUNCTION Description
Turn On Condition





30 sec Illumination Condition





Illumination stops condition









T1 : 30 ± 1sec.
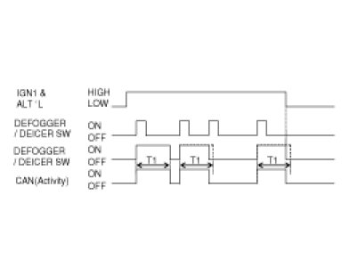
20. DEFOGGER AND DEICER TIMER
(1) FUNCTION Description
Condition 1





Condition 2





Condition 3





Condition 4





If alternator input is changed to low or IGN1 input is changed to Off, Defogger output and DEICER output should be turned OFF immediately.




T1 : 20min ± 1min

NOTE:
The delay between DEFOGGER SWITCH INPUT and DEFOGGER OUTPUT: Less than 100msec., Outside mirror DOOR MODULE via CAN controls heated function. It is the same for DEICER SWITCH input and DEICER output.
DEICER and DEFOGGER output is turned on independently by DEICER SWITCH input and DEFOGGER SWITCH input.

21. DECAYED ROOM LAMP
(1) Transitions from Room lamp OFF state:
Condition 1





Condition 2





Condition 3









(2) Transitions from Room lamp ON for 30s state:
Condition 1





Condition 2





Condition 3









(3) Transitions from Room lamp ON for 20min state:
Condition 1





Condition 2





Condition 3









(4) Transitions from Room lamp Decaying state:
Condition 1





Condition 2





Condition 3





Condition 4









(5) Transitions from Room lamp ON state:
Condition 1





Condition 2





Condition 3









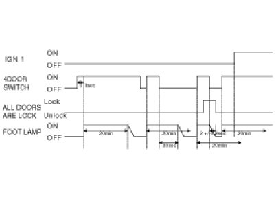
22. DECAYED FOOT LAMP
(1) Transitions from Foot lamp OFF state:
Condition 1





Condition 2





Condition 3









(2) Transitions from Foot lamp ON for 30s state:
Condition 1





Condition 2





Condition 3





Condition 4









(3) Transitions from Foot lamp ON for 20min state:
Condition 1





Condition 2





Condition 3









(4) Transitions from Foot lamp Decaying state:
Condition 1





Condition 2





Condition 3





Condition 4









(5) Transitions from Foot lamp ON state:
Condition 1





Condition 2





Condition 3










NOTE:
- Following as INHIBIT P Logic value, BCM sends the INH P state via CAN.
- Foot lamp's brightness can be changed by diagnostic values.

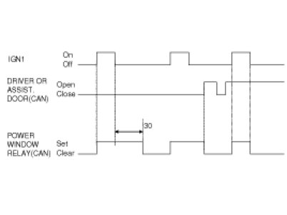
23. POWER WINDOW TIMER





(1) FUNCTION Description
A. POWER WINDOW RELAY CAN signal is switched ON(1) when IGN1 SWITCH On.
B. When IGN1 SWITCH is turned Off, the POWER WINDOW RELAY CAN signal remains On for 30sec and then is turned OFF(0).
C. During the operation(2), if driver or assistant side door is opened, the POWER WINDOW RELAY CAN signal is turned OFF(0) immediately.