LEMON Manuals
: Even more car manuals for everyone: 1960-2025
Home
>>
Hyundai
>>
2010
>>
Tucson FWD L4-2.4L
>>
Repair and Diagnosis
>>
Diagrams
>>
Electrical Diagrams
>>
Starting System
>>
Keyless Starting System
>>
Keyless Start Control Module
>>
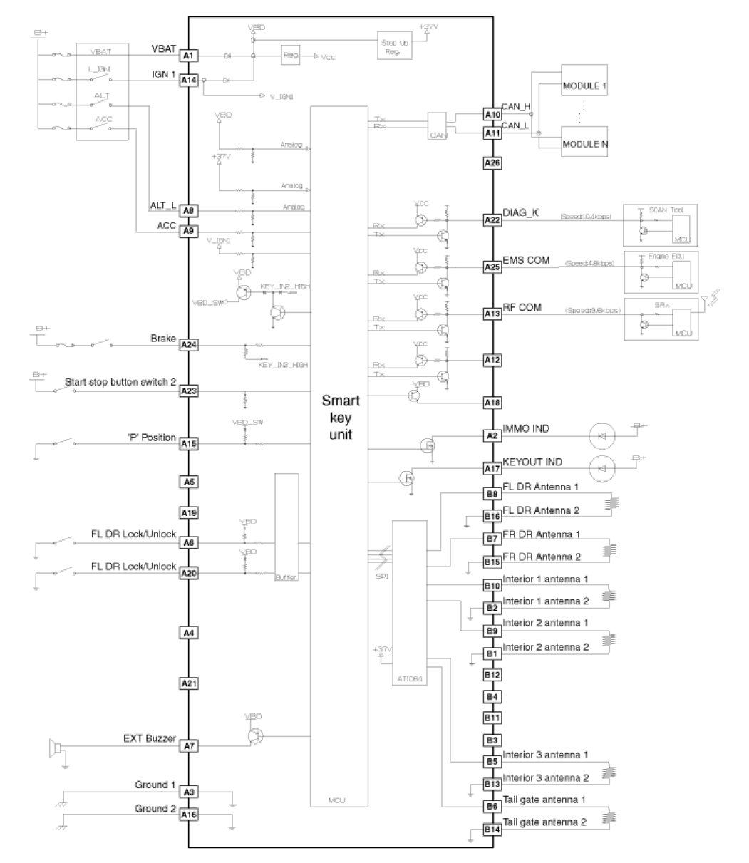
Smart key unit
April 5, 2026:
LEMON Manuals is launched!
Read the announcement.
Smart key unit
Circuit Diagram