LEMON Manuals: Even more car manuals for everyone: 1960-2025
Home >> Hyundai >> 2011 >> Veracruz FWD V6-3.8L >> Repair and Diagnosis >> Powertrain Management >> Computers and Control Systems >> Relays and Modules - Computers and Control Systems >> Body Control Module >> Description and Operation >> BCM (Body Control Module) >> Part 1 of 2
April 5, 2026: LEMON Manuals is launched! Read the announcement.

Part 1 of 2





Condition 2





Condition 3









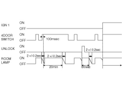
(3) Transitions from Room lamp ON for 20min state:
Condition 1





Condition 2





Condition 3









(4) Transitions from Room lamp Decaying state:
Condition 1





Condition 2





Condition 3





Condition 4









(5) Transitions from Room lamp ON state:
Condition 1





Condition 2





Condition 3









22. DECAYED FOOT LAMP
(1) Transitions from Foot lamp OFF state:
Condition 1





Condition 2





Condition 3









(2) Transitions from Foot lamp ON for 30s state:
Condition 1





Condition 2





Condition 3





Condition 4









(3) Transitions from Foot lamp ON for 20min state:
Condition 1





Condition 2





Condition 3









(4) Transitions from Foot lamp Decaying state:
Condition 1





Condition 2





Condition 3





Condition 4









(5) Transitions from Foot lamp ON state:
Condition 1





Condition 2





Condition 3










NOTE:
- Following as INHIBIT P Logic value, BCM sends the INH P state via CAN.
- Foot lamp's brightness can be changed by diagnostic values.

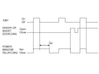
23. POWER WINDOW TIMER





(1) FUNCTION Description
A. POWER WINDOW RELAY CAN signal is switched ON(1) when IGN1 SWITCH On.
B. When IGN1 SWITCH is turned Off, the POWER WINDOW RELAY CAN signal remains On for 30sec and then is turned OFF(0).
C. During the operation(2), if driver or assistant side door is opened, the POWER WINDOW RELAY CAN signal is turned OFF(0) immediately.