LEMON Manuals: Even more car manuals for everyone: 1960-2025
Home >> Hyundai >> 2011 >> Veracruz FWD V6-3.8L >> Repair and Diagnosis >> Powertrain Management >> Computers and Control Systems >> Relays and Modules - Computers and Control Systems >> Engine Control Module >> Diagrams >> Electrical Diagrams
April 5, 2026: LEMON Manuals is launched! Read the announcement.

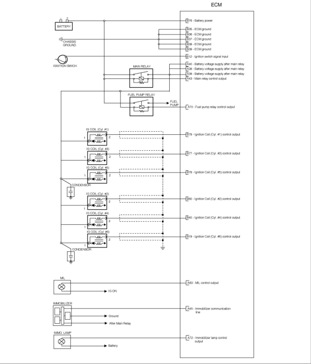
Electrical Diagrams





ECM Terminal And Input/output Signal

ECM Harness Connector




ECM Terminal Function
Connector [CLG-A]









Connector [CLG-B]









ECM Terminal Input/output Signal
Connector [CLG-A]













Connector [CLG-B]


















Circuit Diagram