Component Inspection
- Check auto cruise switch
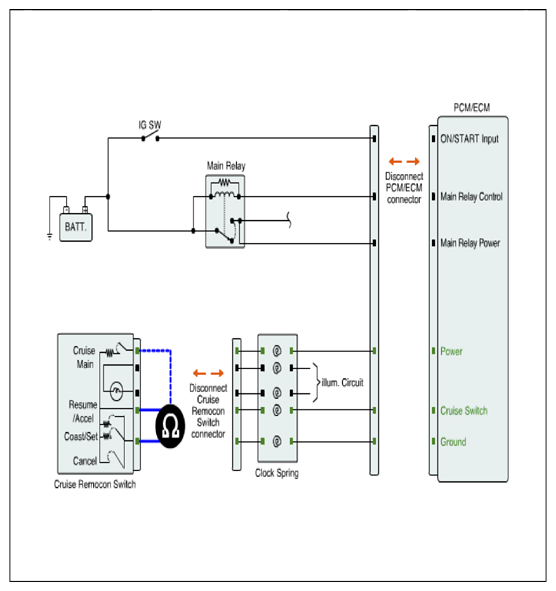
- IG "OFF" and disconnect Cruise switch connector.
- Measure resistance between signal and power terminals of Cruise switch connector with each switch depressed. (Component side)
- Measure resistance between signal and ground terminals of Cruise remocon connector with each switch depressed. (Component side)RESISTANCE SPECIFICATION
Item Resistance (Ω) ON/OFF switch 3.9 kΩ ± 5% SET switch 220 Ω ± 5% RESUME switch 910 Ω ± 5% CANCEL switch 0 Ω ± 5% - Is the measured resistance within specification?
YES
- Substitute with a known - good ECM and check for proper operation. If the problem is corrected, replace ECM and go to "VERIFICATION OF VEHICLE REPAIR " procedure.
NO
- Substitute with a known - good auto cruise switch and check for proper operation. If the problem is corrected, replace auto cruise switch and go to "VERIFICATION OF VEHICLE REPAIR " procedure.