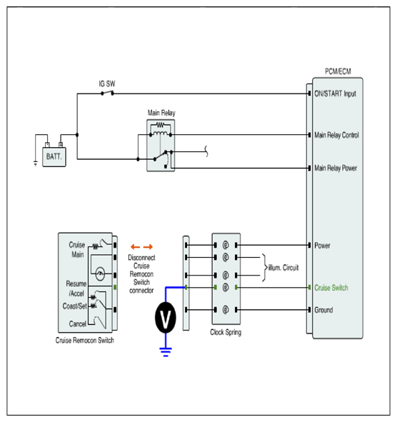
Signal Circuit Inspection
- Check voltage
- IG "OFF" and disconnect Cruise switch connector.
- IG "ON".
- Measure voltage between signal terminal of Cruise switch harness connector and chassis ground.
Specification: Approx. 4.5V
- Is the measured voltage within specification?
YES
- Go to "COMPONENT INSPECTION " procedure.
NO
- Go to " 2 Check short in harness" as follows.
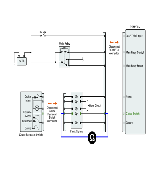
- Check short in harness
- IG "OFF" and disconnect Cruise switch connector and ECM connector.
- Measure resistance between signal and power terminals of Cruise switch harness connector.
- Measure resistance between signal and ground terminals of Cruise switch harness connector.
Specification: Infinite
Courtesy of HYUNDAI MOTOR AMERICA
- Is the measured resistance within specification?
YES
- Go to " 3 Check open in harness" as follows.
NO
- Repair short in control harness and go to "VERIFICATION OF VEHICLE REPAIR " procedure.
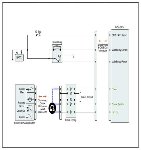
- Check open in harness
- IG "OFF" and disconnect Cruise switch connector and ECM connector.
- Measure resistance between signal terminal of Cruise switch harness connector and cruise signal terminal of ECM harness connector.
Specification: Approx. below 1Ω
- Is the measured resistance within specification?
YES
- Go to "COMPONENT INSPECTION " procedure.
NO
- Repair open in harness, and go to "VERIFICATION OF VEHICLE REPAIR " procedure.