LEMON Manuals: Even more car manuals for everyone: 1960-2025
Home >> Hyundai >> 2012 >> Elantra GLS, Automatic Trans >> Repair and Diagnosis >> Engine Performance >> System >> Engine Control System Diagnosis (2 Of 2) >> DTC P2626: O2 Sensor Pumping Current Trim Circuit/Open (Bank 1 Sensor 1) >> Inspection/Repair >> W/Harness Inspection >> Control Circuit Inspection
April 5, 2026: LEMON Manuals is launched! Read the announcement.

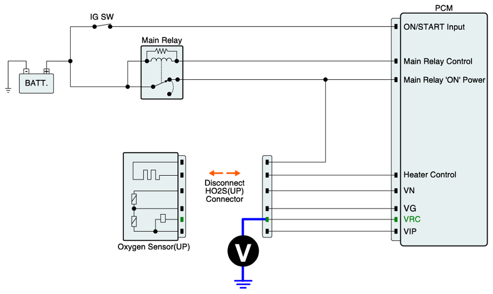
Control Circuit Inspection

  1. Ignition "OFF".
  2. Disconnect HO2S connector.
  3. Ignition "ON", Engine "OFF".
  4. Measure voltage between VRC terminal of the sensor harness connector and chassis ground.

    Specification:  Approx. 2~3V

  5. Measure resistance between VRC terminal and other terminals of the HO2S harness connector.

    Specification:  Infinite

    Fig 1: Measuring Resistance Between VRC Terminal And Other Terminals Of HO2S Connector (1 Of 4)
    G07272900Courtesy of HYUNDAI MOTOR CO.
    Fig 2: Measuring Resistance Between VRC Terminal And Other Terminals Of HO2S Connector (2 Of 4)
    G07272901Courtesy of HYUNDAI MOTOR CO.
    Fig 3: Measuring Resistance Between VRC Terminal And Other Terminals Of HO2S Connector (3 Of 4)
    G07272902Courtesy of HYUNDAI MOTOR CO.
    Fig 4: Measuring Resistance Between VRC Terminal And Other Terminals Of HO2S Connector (4 Of 4)
    G07272903Courtesy of HYUNDAI MOTOR CO.
  6. Is HO2S display near the specification?

    YES 

    Go to next step as below.

    NO 

    Repair open or short to ground in signal circuit and go to "VERIFICATION OF VEHICLE REPAIR " procedure.

    NOTE: HO2S must have a clean air reference to function properly. The air is obtained by way of the sensor wire (s). Do not attempt to repair the wire (s), connector, or the terminals.