LEMON Manuals: Even more car manuals for everyone: 1960-2025
Home >> Hyundai >> 2012 >> Equus Signature >> Repair and Diagnosis >> Accessories & Equipment >> Communication Devices >> Body Control Module (BCM) >> BCM (Body Control Module) >> Description and Operation >> Operation >> Head Lamp Washer Function
April 5, 2026: LEMON Manuals is launched! Read the announcement.

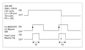
Head Lamp Washer Function

  1. In case of IGN Switch FAM = IGN & (Tail Lamp LH=ON and Tail Lamp RH=ON) status, if head lamp washer Switch input is detected, head lamp washer output is turned ON.
  2. In case of (IGN Switch FAM = IGN & Head Lamp Low Relay=ON) status, if washer Switch input is detected more T1 time, head lamp washer output is turned ON.
  3. When a washer request arrived during washer activation, the second it's not take in account.

    T1, T2, T3 Time is implemented in the FAM EEPROM.

    Fig 1: Head Lamp Washer Blinking Pattern
    G08831380Courtesy of HYUNDAI MOTOR AMERICA