LEMON Manuals: Even more car manuals for everyone: 1960-2025
Home >> Hyundai >> 2012 >> Equus Signature >> Repair and Diagnosis >> Accessories & Equipment >> Communication Devices >> Body Control Module (BCM) >> BCM (Body Control Module) >> Description and Operation >> Operation >> RDM Side Curtain Control
April 5, 2026: LEMON Manuals is launched! Read the announcement.

RDM Side Curtain Control

According to power window Close condition and curtain position, Rear Side Curtain is operated as following

  1. Side Curtain Arbitration
    Power window Position Curtain Position Curtain SW Remote Request
    OFF MANUAL UP MANUAL DOWN AUTO UP AUTO DOWN Stop
    Max Up Not Bottom Local SW OFF - (2) (1) (2) (1) -
    MANUAL UP (2) (2) - (2) - -
    MANUAL DOWN (1) - (1) - (1) -
    AUTO UP (2) (2) - (2) - -
    AUTO DOWN (1) - (1) - (1) -
    Bottom Local SW OFF - ON - ON - -
    MANUAL UP ON ON - ON - -
    MANUAL DOWN - - - - - -
    AUTO UP ON ON - ON - -
    AUTO DOWN - - - - - -
    • : ignored

    (1) Rear side curtain signal is ON for 100ms. (MANUAL DOWN or AUTODOWN)
    (2) Rear side curtain signal is ON for 150ms. (MANUAL UP or AUTO UP)

    *3, *4: If Curtain Position or Power window Position is not valid, Curtain SW is only OFF regardless of other condition.
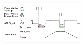
    1. Basic SW input of Side Curtain
      Fig 1: Side Curtain Basic SW Input Blinking Pattern
      G08831357Courtesy of HYUNDAI MOTOR AMERICA
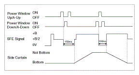
    2. Reverse SW input in Side Curtain output
      Fig 2: Side Curtain Reverse SW Input Blinking Pattern
      G08831358Courtesy of HYUNDAI MOTOR AMERICA
    3. Same SW input during SFE Signal operation
      Fig 3: SW Input Blinking Pattern (During SFE Signal Operation)
      G08831359Courtesy of HYUNDAI MOTOR AMERICA
    4. Same SW input after SFE Signal operation
      Fig 4: SW Input Blinking Pattern (After SFE Signal Operation)
      G08831360Courtesy of HYUNDAI MOTOR AMERICA
    5. Three SW input of Side Curtain
      Fig 5: Side Curtain Three SW Input Blinking Pattern
      G08831361Courtesy of HYUNDAI MOTOR AMERICA
    6. SW input during Side Curtain Operation
      Fig 6: SW Input Blinking Pattern (During Side Curtain Operation)
      G08831362Courtesy of HYUNDAI MOTOR AMERICA
    7. Sleep/WakeUp Control
      • Sleep status
        Fig 7: Sleep/WakeUp Control System Blinking Pattern (Sleep Status)
        G08831363Courtesy of HYUNDAI MOTOR AMERICA
    8. WakeUp status
      Fig 8: Sleep/WakeUp Control System Blinking Pattern (Wakeup Status)
      G08831364Courtesy of HYUNDAI MOTOR AMERICA