LEMON Manuals: Even more car manuals for everyone: 1960-2025
Home >> Hyundai >> 2012 >> Genesis Coupe V6-3.8L >> Repair and Diagnosis >> Powertrain Management >> Computers and Control Systems >> Relays and Modules - Computers and Control Systems >> Body Control Module >> Description and Operation >> Part 1 of 2
April 5, 2026: LEMON Manuals is launched! Read the announcement.

Part 1 of 2





Description





Function

Wiper Control
1. WIPER DATA FLOW




2. WASHER INTERLOCKING WIPER
Turn Wiper Relay ON after T1 when turning Washer SW ON at the status of IGN2 ON and if the input of Washer SW is between 0.06 and 0.2sec, turn the output of Wiper Relay OFF after T3.But, ignore the input of Washer SW occurred while washer interlocking wiper is being operated and accept it from the input of Washer SW after operating Wiper Relay.




T1 : 0.3 ± 0.1sec, T2 : 0.06 - 0.2sec, T3 : 0.7 ± 0.1sec
T3 = 0 (In case of T2 ≤ 0.06 sec.)
(1) Turn Wiper Relay ON after T1 when turning Washer SW ON at the status of IGN2 ON and if the input of Washer SW is more than 0.2sec, turn the output of Wiper Relay ON for 2.5~3.8sec after turning Washer SW OFF.
But, ignore the input of Washer SW occurred while washer interlocking wiper is being operated and accept it from the input of Washer SW after operating Wiper Relay.




T1 : 0.3 ± 0.03s, T2 : over 0.2s, T3 : 2.5 - 3.8s
(2) Turn the output of WASHER INTERLOCKING WIPER ON when Washer SW is turned ON for more than 0.2sec during the operation of INT WIPER. If Washer SW is turned on for less than 0.2sec, turn the output of Wiper Relay ON once.




T1 : 0.3 ± 0.1s, T2 : over 0.2s,
T3 : 2.5 - 3.8s, T4 : INT TIME - 0.7s,
T5 : 0.06 - 0.2s, T6 : 0.7 ± 0.1s
(3) In case of starting (IGN1 ON & IGN2 OFF) ignore the input of Washer SW.
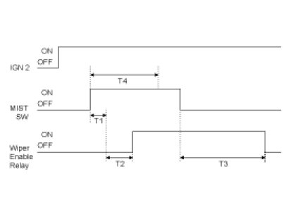
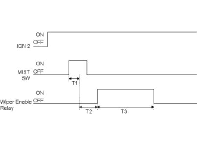
3. MIST INTERLOCKING WIPER
(1) Turn the output of Wiper Relay for 700ms when turning Mist SW ON at the status of IGN2 ON.




T1 : Min 60 ms, T2 : Max 100ms,
T3 : 700 ± 100ms
(2) If the input of Mist SW is continuous (for more than 700ms), keep the condition of Wiper Relay is ON and if Mist SW is turned OFF, turn the output of Wiper Relay for 700ms from that point.
(3) Ignore the input of Mist SW while operating WIPER by INT WIPER, WASHER Interlocking WIPER.




T1 : Min 60 ms, T2 : Max 100ms,
T3 : 700 ± 100ms, T4 : 700ms

Lamp Control
1. EXTERIOR LAMP CONTROL DATA FLOW




2. TAIL LAMP AUTO CUT
(1) Turn IGN OFF when turning Tail SW ON after turning IGN ON and turn Tail Lamp Relay OFF (automatic blackout) when opening Driver door SW.
(2) Also, turn Tail Lamp Relay OFF (automatic blackout) even though IGN is turned OFF after opening Driver door SW at the condition that IGN is ON.
(3) When turning Tail SW ON again from OFF after the automatic blackout, Tail Lamp Relay will be turned ON and AUTO CUT function will be cancelled.
(4) When turning IGN KEY ON after the automatic blackout, Tail Lamp Relay will be turned ON and AUTO CUT function will be cancelled.
(5) AUTO CUT will be kept when removing or installing B+ at the status of AUTO CUT.
(6) Tail Lamp Relay will be kept turning OFF though Driver door SW is closed from opened at the status of AUTO CUT.




*1 IGN KEY ON : Key in SW ON or ACC ON or IGN 1 ON or IGN 2 ON (Non-SMK)
Fob in ON or ACC ON or IGN 1 ON or IGN 2 ON (SMK)
IGN KEY ON : Key in SW OFF and ACC ON and IGN 1 OFF and IGN 2 OFF (Non-SMK)
Fob in OFF and ACC ON and IGN 1 OFF and IGN 2 OFF (Non-SMK)
3. AUTO LIGHT CONTROL
(1) If the service voltage (Auto light_VCC) of AUTO LIGHT SENSOR is less than 4v or more than 6v at the status of IGN1 ON, it means it has defects. Always turn Tail Lamp Relay and Head Lamp Relay ON regardless of the value of SENSOR when turning Auto Light SW ON with trouble. The FILTERING time for defects and recovery of the service voltage is 300msec each.
(2) If the value of Auto Light Signal is input value of LIGHT ON at the status of IGN1 ON and Auto Light SW ON, turn the LIGHT ON in 2.5sec ± 100msec.
(3) If the value of Auto Light Signal is input value of LIGHT OFF at the status of LIGHT ON, turn the LIGHT OFF in 2.5sec ± 100msec.
(4) If the value of Auto Light Signal is input value of TAIL LAMP ON, turn Tail Lamp Relay ON only and if it is input value of HEAD LAMP ON, turn Tail Lamp Relay and Head Lamp Relay ON.
(5) Turn the proper LIGHT ON immediately when turning Auto Light SW ON in the condition of LIGHT ON and turn the LIGHT OFF when turning Auto Light SW OFF.
(6) Keep the output of head lamp SW without blinking if the value of Auto light signal is input value of head lamp ON when moving the head lamp SW ON position to the Auto light SW ON position.
(7) Keep the output of head lamp SW without blinking when moving the Auto light SW ON position to the head lamp SW ON position.
(8) Follow the table below for each value of LIGHT ON for Auto Light Signal.













T1 : 12 ± 0.2s, T2 : 12 ± 0.2s
4. HEAD LAMP LOW
(1) Turn Head Lamp Relay ON when turning Head Lamp SW ON while IGN1 is ON.
(2) Turn Head Lamp Relay OFF if IGN1 OFF or Head Lamp SW is OFF.
(3) Do not control things above if Head Lamp Relay can be controlled by Auto Light function.





Interior Room Lamp
1. INTERIOR ROOM LAMP DATA FLOW




ATWS : Logic signal of ATWS
RKECMD : RKE LOCK/UNLOCK signal
2. Room Lamp Off
(1) Condition 1





(2) Condition 2





(3) Condition 3









T1 : 20 ± 1min, T2 :30 ± 3sec, T3 : 100 ms
3. Room Lamp On for 30s
(1) Condition 1





(2) Condition 2





(3) Condition 3









T1 : 20 ± 1min, T2 : 30 ± 3sec
4. Room Lamp On for 20min
(1) Condition 1





(2) Condition 2





(3) Condition 3









T1 :20 ± 1min, T2 : 30 ± 3sec
5. Room Lamp Decaying
(1) Condition 1





(2) Condition 2





(3) Condition 3





(4) Condition 4









T1 : 20 ± 1min, T2 : 30 ± 3sec.
6. Room Lamp On
(1) Condition 1





(2) Condition 2





(3) Condition 3









T1 : 20 ± 1min, T2 : 30 ±3sec

NOTE:
1. ROOM LAMP should not be flickered when turning IGN1 ON.
2. Exposure for the ROOM LAMP should be more than 32 steps.

7. BUZZER CONTROL

Data Flow




(1) SPECIFICATION of BUZZER SOUND









(2) Priority :
A. Seat belt Warning/seat Belt Reminder
B. Key Operated Warning
C. ESCL Not Locked Warning
D. ID Out Warning
E. ESCL Not Unlocked Warning
F. SSB SW Warning
G. Back Up Warning
(3) Keep the output up to the OFF cycle when turning the output OFF.
(4) Measurement distance for sound pressure: 1.0 m