LEMON Manuals: Even more car manuals for everyone: 1960-2025
Home >> Hyundai >> 2012 >> Tucson AWD L4-2.4L >> Repair and Diagnosis >> Diagrams >> Electrical Diagrams >> Powertrain Management >> Body Control Module
April 5, 2026: LEMON Manuals is launched! Read the announcement.

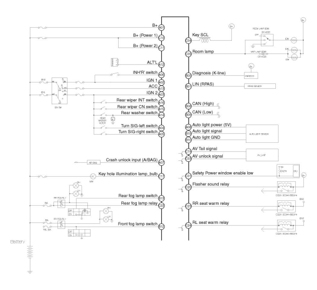
Body Control Module





Circuit Diagram