LEMON Manuals: Even more car manuals for everyone: 1960-2025
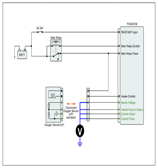
Home >> Hyundai >> 2013 >> Accent GLS, Automatic Trans >> Repair and Diagnosis >> Engine Performance >> System >> Engine Control System Diagnosis (1 Of 2) >> DTC P0130: O2 Sensor Circuit (Bank 1/Sensor 1) >> W/Harness Inspection >> Inspection/Repair >> Signal Circuit Inspection
April 5, 2026: LEMON Manuals is launched! Read the announcement.

Signal Circuit Inspection