LEMON Manuals: Even more car manuals for everyone: 1960-2025
Home >> Hyundai >> 2014 >> Elantra GT Automatic Trans >> Repair and Diagnosis >> Engine Performance >> Engine Control Systems >> Engine Control System >> Engine Control Module (ECM) >> Schematic Diagrams >> Circuit Diagram >> (A/T)
April 5, 2026: LEMON Manuals is launched! Read the announcement.

Circuit Diagram: (A/T)

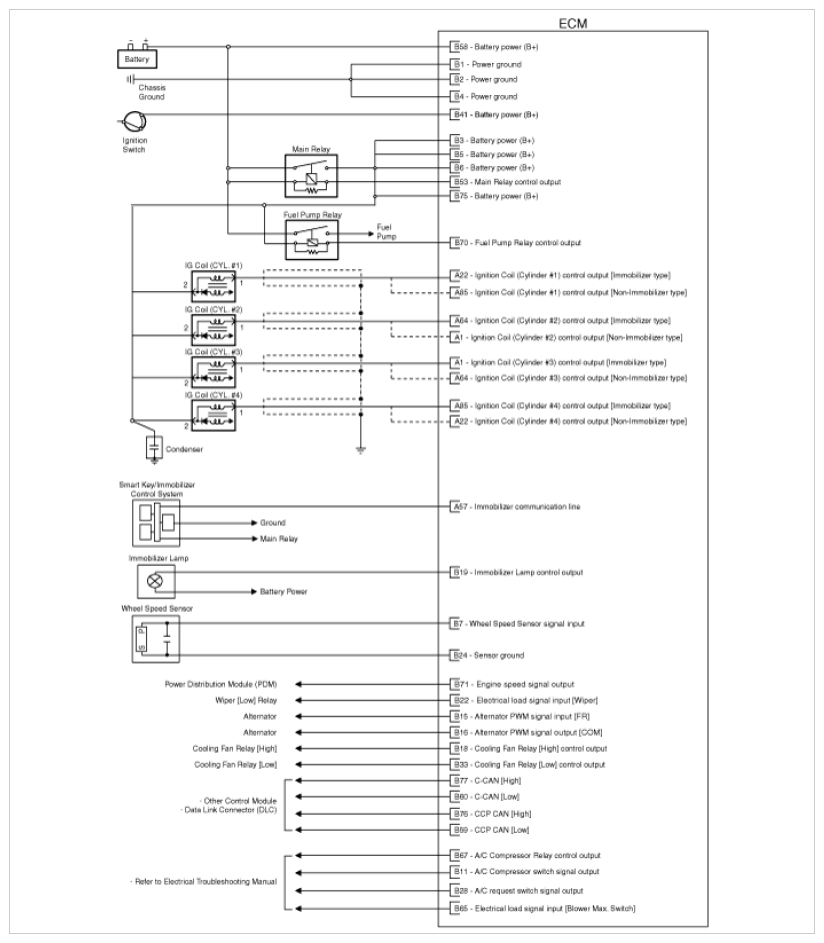
Fig 1: ECM - Circuit Diagram - A/T (1 Of 4)
G09885870Courtesy of HYUNDAI MOTOR AMERICA
Fig 2: ECM - Circuit Diagram - A/T (2 Of 4)
G09885871Courtesy of HYUNDAI MOTOR AMERICA
Fig 3: ECM - Circuit Diagram - A/T (3 Of 4)
G09885872Courtesy of HYUNDAI MOTOR AMERICA
Fig 4: ECM - Circuit Diagram - A/T (4 Of 4)
G09885873Courtesy of HYUNDAI MOTOR AMERICA