LEMON Manuals: Even more car manuals for everyone: 1960-2025
Home >> Hyundai >> 2015 >> Veloster Turbo, Automatic Trans >> Repair and Diagnosis >> Engine Performance >> Engine Control Systems >> Engine Control System - 1.6L T-GDI >> Engine Control Module (ECM) >> Schematic Diagrams >> Circuit Diagram
April 5, 2026: LEMON Manuals is launched! Read the announcement.

Circuit Diagram

[WT) 

Fig 1: Engine Control Module Circuit Diagram - M/T (1 Of 4)
G10604510Courtesy of HYUNDAI MOTOR AMERICA
Fig 2: Engine Control Module Circuit Diagram - M/T (2 Of 4)
G10604511Courtesy of HYUNDAI MOTOR AMERICA
Fig 3: Engine Control Module Circuit Diagram - M/T (3 Of 4)
G10604512Courtesy of HYUNDAI MOTOR AMERICA
Fig 4: Engine Control Module Circuit Diagram - M/T (4 Of 4)
G10604513Courtesy of HYUNDAI MOTOR AMERICA

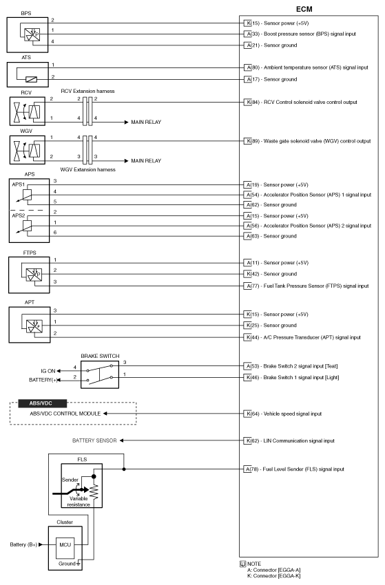
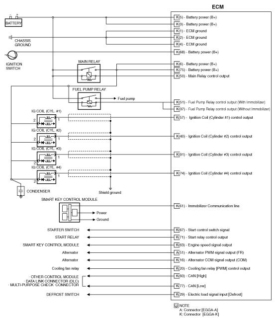
[A/T] 

Fig 5: Engine Control Module Circuit Diagram - A/T (1 Of 4)
G10604514Courtesy of HYUNDAI MOTOR AMERICA
Fig 6: Engine Control Module Circuit Diagram - A/T (2 Of 4)
G10604515Courtesy of HYUNDAI MOTOR AMERICA
Fig 7: Engine Control Module Circuit Diagram - A/T (3 Of 4)
G10604516Courtesy of HYUNDAI MOTOR AMERICA
Fig 8: Engine Control Module Circuit Diagram - A/T (4 Of 4)
G10604517Courtesy of HYUNDAI MOTOR AMERICA