LEMON Manuals: Even more car manuals for everyone: 1960-2025
Home >> Hyundai >> 2016 >> Equus Signature >> Repair and Diagnosis >> Engine Performance >> Engine Control Systems >> Engine Control System >> Engine Control Module (ECM) >> Schematic Diagrams >> Circuit Diagram
April 5, 2026: LEMON Manuals is launched! Read the announcement.

Circuit Diagram

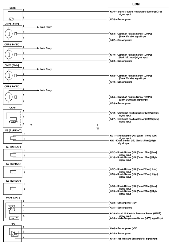
Fig 1: Engine Control Module Circuit Diagram (1 Of 5)
G10382634Courtesy of HYUNDAI MOTOR AMERICA
Fig 2: Engine Control Module Circuit Diagram (2 Of 5)
G10382635Courtesy of HYUNDAI MOTOR AMERICA
Fig 3: Engine Control Module Circuit Diagram (3 Of 5)
G10382636Courtesy of HYUNDAI MOTOR AMERICA
Fig 4: Engine Control Module Circuit Diagram (4 Of 5)
G10382637Courtesy of HYUNDAI MOTOR AMERICA
Fig 5: Engine Control Module Circuit Diagram (5 Of 5)
G10382638Courtesy of HYUNDAI MOTOR AMERICA