LEMON Manuals: Even more car manuals for everyone: 1960-2025
Home >> Hyundai >> 2019 >> Accent Limited >> Repair and Diagnosis >> Engine Performance >> Engine Control Systems >> Engine Control System >> Engine Control Module (ECM) >> Schematic Diagrams >> Circuit Diagram >> (A/T)
April 5, 2026: LEMON Manuals is launched! Read the announcement.

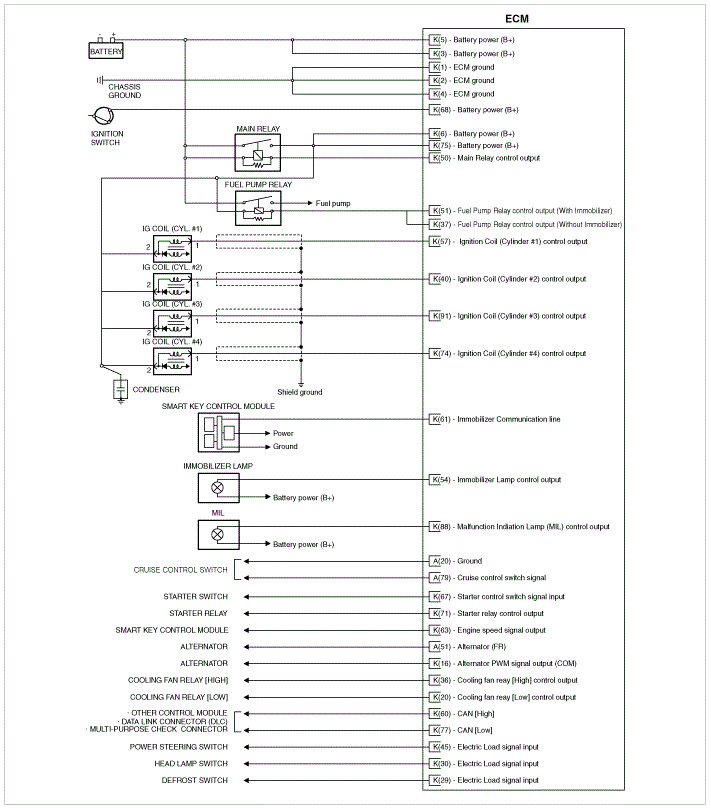
Circuit Diagram: (A/T)

G12598475Courtesy of HYUNDAI MOTOR AMERICA
G12598476Courtesy of HYUNDAI MOTOR AMERICA
G12598477Courtesy of HYUNDAI MOTOR AMERICA
G12598478Courtesy of HYUNDAI MOTOR AMERICA