LEMON Manuals: Even more car manuals for everyone: 1960-2025
Home >> Hyundai >> 2019 >> Accent Limited >> Repair and Diagnosis >> Transmission >> Transmission Control Systems >> Automatic Transaxle Control System >> Transaxle Control Module (TCM) >> Schematic Diagrams >> Circuit Diagram
April 5, 2026: LEMON Manuals is launched! Read the announcement.

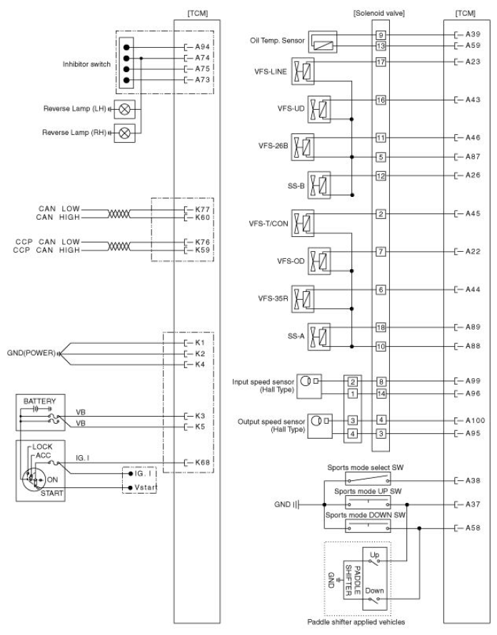
Circuit Diagram

G12598966Courtesy of HYUNDAI MOTOR AMERICA

[Inhibitor Switch] 

G12598967Courtesy of HYUNDAI MOTOR AMERICA