LEMON Manuals: Even more car manuals for everyone: 1960-2025
Home >> Infiniti >> 2002 >> I35 >> Repair and Diagnosis >> Brakes >> Traction Control >> Anti-Lock/Traction Control/TCS >> Description >> Schematic
April 5, 2026: LEMON Manuals is launched! Read the announcement.

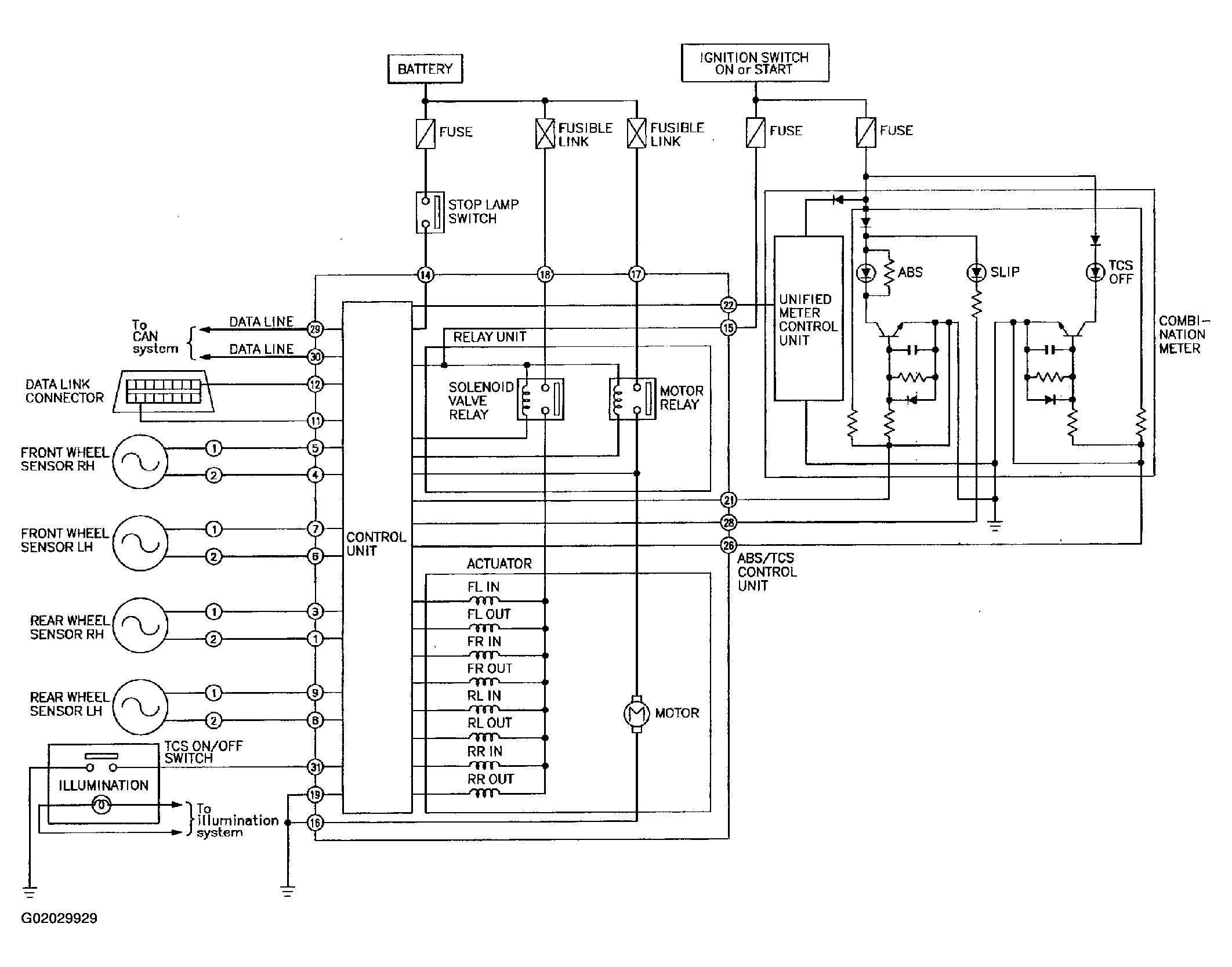
Anti-Lock/Traction Control/TCS: Description: Schematic

Fig 1: TCS Schematic
G02029929Courtesy of NISSAN MOTOR CO., U.S.A.