LEMON Manuals: Even more car manuals for everyone: 1960-2025
Home >> Infiniti >> 2002 >> Q45 >> Repair and Diagnosis >> Body & Frame >> Door Locks >> Remote Keyless Entry System >> Schematic
April 5, 2026: LEMON Manuals is launched! Read the announcement.

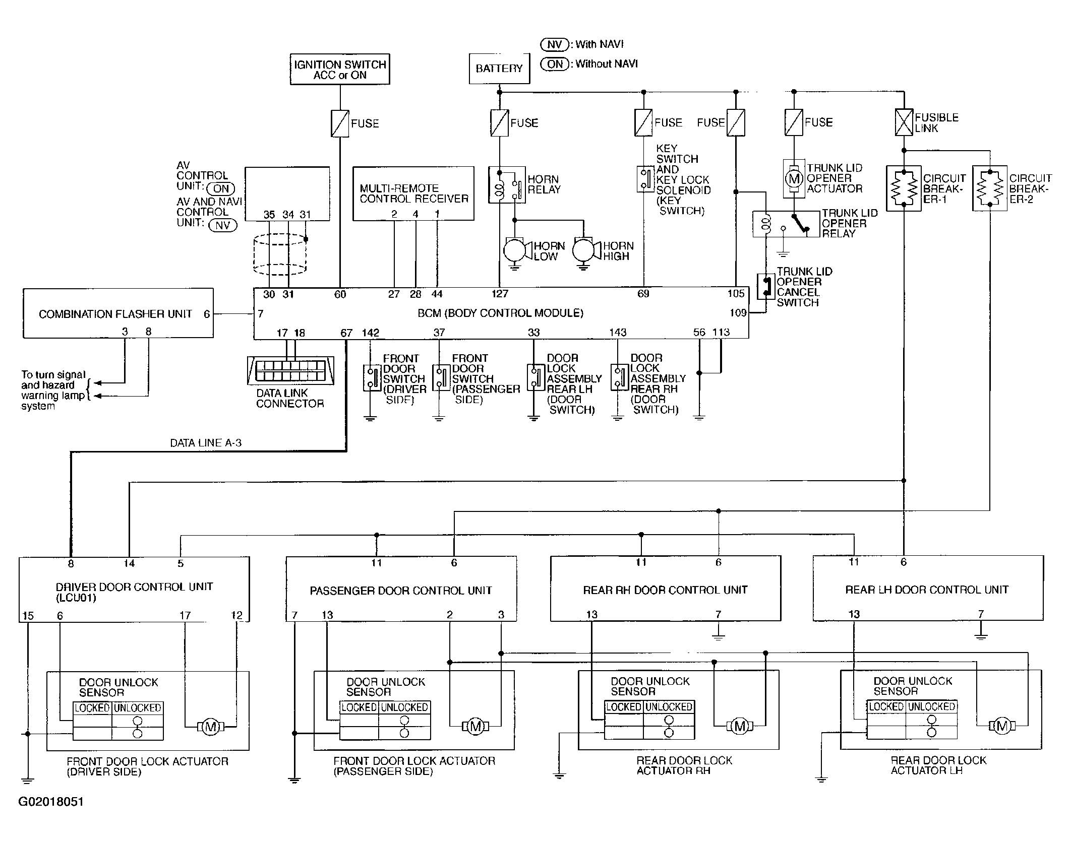
Remote Keyless Entry System: Schematic

Fig 1: Schematic
G02018051Courtesy of NISSAN MOTOR CO., U.S.A.