LEMON Manuals: Even more car manuals for everyone: 1960-2025
Home >> Infiniti >> 2003 >> M45 >> Repair and Diagnosis >> Body & Frame >> Windows >> Power Window System >> Power Window System >> Schematic
April 5, 2026: LEMON Manuals is launched! Read the announcement.

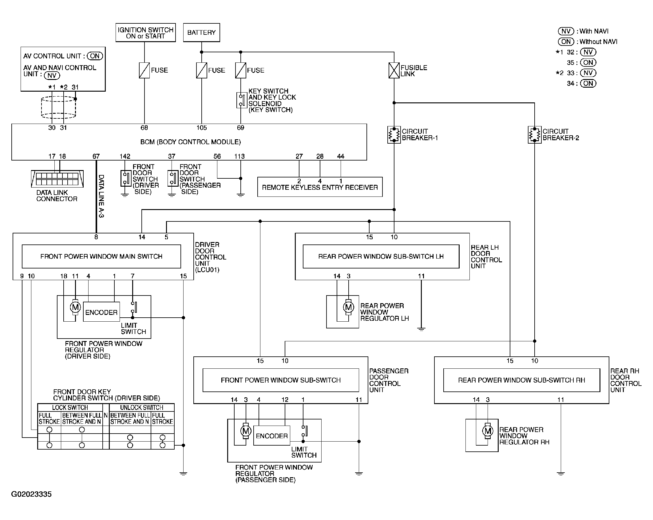
Power Window System: Schematic

Fig 1: Power Window System Schematic Diagram
G02023335Courtesy of NISSAN MOTOR CO., U.S.A.