LEMON Manuals: Even more car manuals for everyone: 1960-2025
Home >> Infiniti >> 2004 >> FX35 AWD >> Repair and Diagnosis >> Engine Performance >> Engine Control System >> ICC Brake Switch >> Diagnostic Procedure
April 5, 2026: LEMON Manuals is launched! Read the announcement.

Diagnostic Procedure

  1. Check Overall Function-I 

    With CONSULT-II 

    1. Turn ignition switch ON.
    2. Select BRAKE SW1 in DATA MONITOR mode with CONSULT-II. See Figure.
    3. Check BRAKE SW1 indication under the following conditions. See Figure.

    Without CONSULT-II 

    1. Turn ignition switch ON.
    2. Check voltage between ECM terminal 108 and ground under the following conditions.
      Fig 1: Testing ICC Brake Hold Relay Circuit (DVOM)
      G00345368Courtesy of NISSAN MOTOR CO., U.S.A.
      Fig 2: Identifying ECM Terminal 108 Specifications (W/DVOM)
      G00345367Courtesy of NISSAN MOTOR CO., U.S.A.

    OK or NG

    1. OK: Go to 2.
    2. NG: Go to 3.

  2. Check Overall Function-II 

    With CONSULT-II 

    Check BRAKE SW2 indication in DATA MONITOR mode.

    Fig 3: Testing BRAKE SW2 Circuit With CONSULT-II
    G00344296Courtesy of NISSAN MOTOR CO., U.S.A.
    Fig 4: Identifying Brake Switch 2 Specifications (CONSULT-II)
    G00344295Courtesy of NISSAN MOTOR CO., U.S.A.

    Without CONSULT-II 

    Check voltage between ECM terminal 101 and ground under the following conditions.

    Fig 5: Testing Stop Lamp Switch Circuit (W/DVOM)
    G00344297Courtesy of NISSAN MOTOR CO., U.S.A.
    Fig 6: Identifying ECM Terminal 101 Specifications
    G00344298Courtesy of NISSAN MOTOR CO., U.S.A.

    OK or NG

    1. OK: Inspection end 
    2. NG: Go to 11.

  3. Check ICC Brake Switch Power Supply Circuit 
    1. Turn ignition switch OFF.
    2. Disconnect ICC brake switch harness connector. See Figure.
    3. Turn ignition switch ON.
      Fig 7: Locating ICC Brake Switch Harness Connector
      G00344299Courtesy of NISSAN MOTOR CO., U.S.A.
    4. Check voltage between ICC brake switch terminal 1 and ground with CONSULT- II or tester.
      Fig 8: Confirming Power To ICC Brake Switch
      G00344300Courtesy of NISSAN MOTOR CO., U.S.A.
      1. Voltage: Battery voltage 

    OK or NG

    1. OK: Go to 5.
    2. NG: Go to 4.

  4. Detect Malfunctioning Part 

    Check the following.

    • Fuse block (J/B) connector E201
    • 10A fuse
    • Harness for open or short between ICC brake switch and fuse
      1. Repair open circuit or short to ground or short to power in harness or connectors.

  5. Check ICC Brake Switch Input Signal Circuit-I 
    1. Turn ignition switch OFF.
    2. Disconnect ECM harness connector.
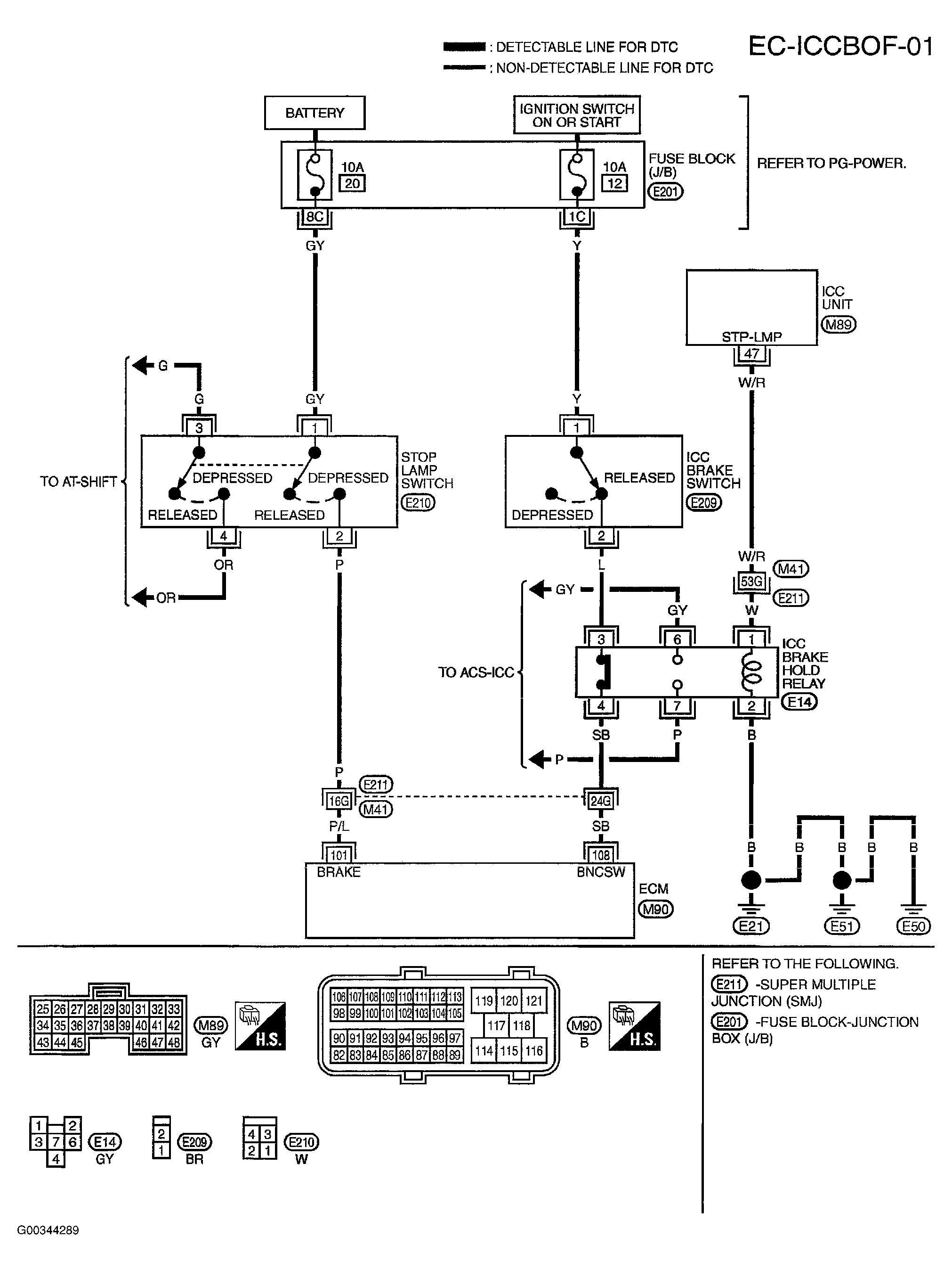
    3. Check harness continuity between ICC brake switch terminal 2 and ECM terminal 108.

      Refer to wiring diagram. See Figure.

      1. Continuity should exist  .

    4. Also check harness for short to ground and short to power.

    OK or NG

    1. OK: Go to 10.
    2. NG: Go to 6.

  6. Check ICC Brake Switch Input Signal Circuit-II 
    1. Turn ignition switch OFF.
    2. Disconnect ICC brake hold relay.
      Fig 9: Locating ICC Brake Hold Relay
      G00344301Courtesy of NISSAN MOTOR CO., U.S.A.
    3. Check harness continuity between ICC brake switch terminal 2 and ICC brake hold relay terminal 3.
      1. Continuity should exist  .
    4. Also check harness for short to ground and short to power.

    OK or NG

    1. OK: Go to 7.
    2. NG: Repair open circuit or short to ground or short to power in harness or connectors.

  7. Check ICC Brake Switch Input Signal Circuit-III 
    1. Disconnect ECM harness connector.
    2. Check harness continuity between ICC brake hold relay terminal 4 and ECM terminal 108.
      1. Continuity should exist  .
    3. Also check harness for short to ground and short to power.

    OK or NG

    1. OK: Go to 9.
    2. NG: Go to 8.

  8. Detect Malfunctioning Part 

    Check the following.

    • Harness connectors E211. M41
    • Harness for open or short between ICC brake hold relay and ECM
      1. Repair open circuit or short to ground or short to power in harness or connectors.

  9. Check ICC Brake Hold Relay 

    Refer to COMPONENT INSPECTION .

    OK or NG

    1. OK: Go to 10.
    2. NG: Replace ICC brake hold relay.

  10. Check ICC Brake Switch 

    Refer to COMPONENT INSPECTION .

    1. OK: Go to 16.
    2. NG: Replace ICC brake switch.

  11. Check Stop Lamp Switch Power Supply Circuit 
    1. Turn ignition switch OFF.
    2. Disconnect stop lamp switch harness connector. See Figure.
    3. Check voltage between stop lamp switch terminal 1 and ground with CONSULT-II or tester.
      Fig 10: Testing Power To Stop Lamp Switch
      G00344303Courtesy of NISSAN MOTOR CO., U.S.A.
      1. Voltage: Battery voltage 

    OK or NG

    1. OK: Go to 13.
    2. NG: Go to 12.

  12. Detect Malfunctioning Part 

    Check the following.

    • Fuse block (J/B) connector E201
    • 10A fuse
    • Harness for open or short between stop lamp switch and battery
      1. Repair open circuit or short to ground in harness or connectors.

  13. Check Stop Lamp Switch Input Signal Circuit For Open And Short 
    1. Disconnect ECM harness connector.
    2. Check harness continuity between ECM terminal 101 and stop lamp switch terminal 2.

      Refer to wiring diagram. See Figure.

      1. Continuity should exist  .

    3. Also check harness for short to ground and short to power.

    OK or NG

    1. OK: Go to 15.
    2. NG: Go to 14.

  14. Detect Malfunctioning Part 

    Check the following.

    • Harness connectors E211, M41
    • Harness for open or short between ECM and stop lamp switch
      1. Repair open circuit or short to ground in harness or connectors.

  15. Check Stop Lamp Switch 

    Refer to COMPONENT INSPECTION 

    OK or NG

    1. OK: Go to 16.
    2. NG: Replace stop lamp switch.

  16. Check Intermittent Incident 

    Refer to TROUBLE DIAGNOSIS FOR INTERMITTENT INCIDENT .

    1. Inspection end