LEMON Manuals: Even more car manuals for everyone: 1960-2025
Home >> Infiniti >> 2004 >> FX35 AWD >> Repair and Diagnosis >> Engine Performance >> Engine Control System >> Ignition Signal >> Diagnostic Procedure
April 5, 2026: LEMON Manuals is launched! Read the announcement.

Diagnostic Procedure

  1. Check Engine Start 

    Turn ignition switch OFF, and restart engine.

    Is engine running? 

    Yes or No

    1. Yes (With CONSULT-II)<< Go to 2.
    2. Yes (Without CONSULT-II)<< Go to 3.
    3. No: Go to 4.

  2. Check Overall Function 

    With CONSULT-II 

    1. Perform POWER BALANCE in ACTIVE TEST mode with CONSULT-II. See Figure.
    2. Make sure that each circuit produces a momentary engine speed drop.

    OK or NG

    1. OK: Inspection end 
    2. NG: Go to 9.

  3. Check Overall Function 

    Without CONSULT-II 

    1. Let engine idle.
    2. Read the voltage signal between ECM terminals 60, 61, 62, 79, 80, 81 and ground with an oscilloscope.
      Fig 1: Determining Voltage To Each Ignition Coil (DVOM)
      G00727349Courtesy of NISSAN MOTOR CO., U.S.A.
    3. NOTE: The pulse cycle changes depending on RPM at idle.
      Fig 2: Using Oscilloscope To Verify Pulse Signals To Ignition Coils
      G00727348Courtesy of NISSAN MOTOR CO., U.S.A.
    4. Verify that the oscilloscope screen shows the signal wave as shown in Fig 2.

    OK or NG

    1. OK: Inspection end 
    2. NG: Go to 10.

  4. Check Ignition Coil Power Supply Circuit-I 
    1. Turn ignition switch OFF, wait at least 10 seconds and then turn ON.
    2. Check voltage between ECM terminals 119, 120 and ground with CONSULT-II or tester.
      Fig 3: Verifying Battery Voltage To ECM (DVOM)
      G00727350Courtesy of NISSAN MOTOR CO., U.S.A.
      1. Voltage: Battery voltage 

    OK or NG

    1. OK: Go to 5.
    2. NG: Go to POWER SUPPLY AND GROUND CIRCUIT .

  5. Check Ignition Coil Power Supply Circuit-II 
    1. Turn ignition switch OFF.
    2. Disconnect condenser harness connector. See Figure.
    3. Turn ignition switch ON.
    4. Check voltage between condenser terminal 1 and ground with CONSULT-II or tester.
        Fig 4: Testing ECM Relay Operation
        G00727352Courtesy of NISSAN MOTOR CO., U.S.A.
      1. Voltage: Battery voltage 

    OK or NG

    1. OK: Go to 7.
    2. NG: Go to 6.

  6. Check Ignition Coil Power Supply Circuit-III 
    1. Turn ignition switch OFF.
    2. Disconnect IPDM E/R harness connector.
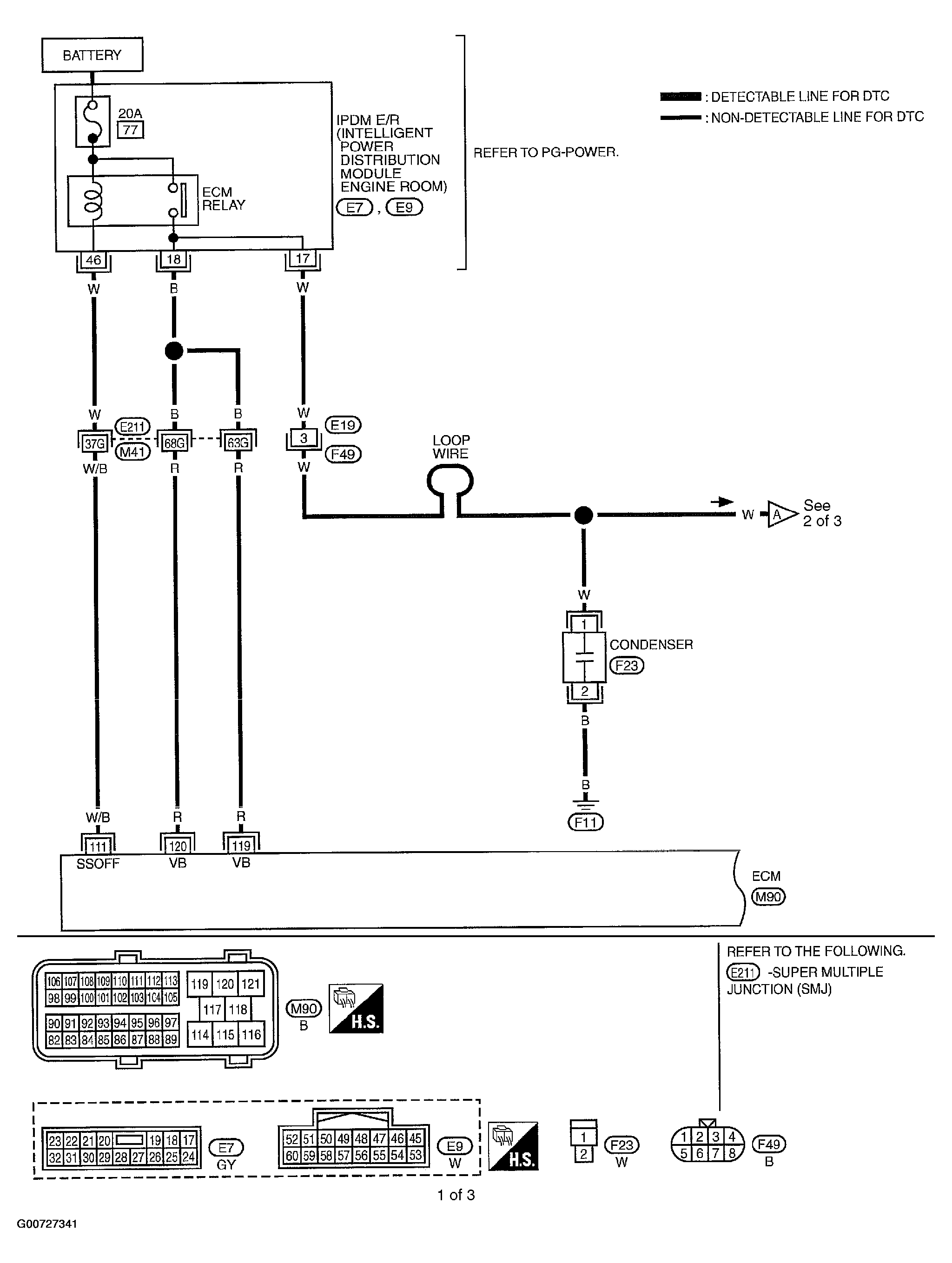
    3. Check harness continuity between IPDM E/R terminal 17 and condenser terminal 1.

      Refer to wiring diagram. See WIRING DIAGRAM .

      1. Continuity should exist  .

    4. Also check harness for short to ground and short to power.

    OK or NG

    1. OK: Go to POWER SUPPLY AND GROUND CIRCUIT .
    2. NG: Go to 7.

  7. Detect Malfunctioning Part 

    Check the following.

    • Harness connectors E19, F49
    • Harness for open or short between condenser and IPDM E/R

    1. Repair open circuit or short to ground or short to power in harness or connectors.
  8. Check Condenser Ground Circuit For Open And Short 
    1. Turn ignition switch OFF.
    2. Check harness continuity between condenser terminal 2 and engine ground.

      Refer to wiring diagram. See Figure.

      1. Continuity should exist  .

    3. Also check harness for short to power.

    OK or NG

    1. OK: Go to 9.
    2. NG: Repair open circuit or short to power in harness or connectors.

  9. Check Condenser 

    Refer to COMPONENT INSPECTION .

    OK or NG

    1. OK: Go to 10.
    2. NG: Replace condenser.

  10. Check Ignition Coil Power Supply Circuit-V 
    1. Turn ignition switch OFF.
    2. Reconnect all harness connectors disconnected.
    3. Disconnect ignition coil harness connector. See Figure.
    4. Turn ignition switch ON.
    5. Check voltage between ignition coil terminal 3 and ground with CONSULT-II or tester.
      Fig 5: Confirming Battery Power To Ignition Coils
      G00727354Courtesy of NISSAN MOTOR CO., U.S.A.

      Voltage: Battery voltage 

    OK or NG

    1. OK: Go to 12.
    2. NG: Go to 11.

  11. Detect Malfunctioning Part 

    Check the following.

    • Harness connectors F10, F211
    • Harness for open or short between ignition coil and harness connector F49

    1. Repair or replace harness or connectors.
  12. Check Ignition Coil Ground Circuit For Open And Short 
    1. Turn ignition switch OFF.
    2. Check harness continuity between ignition coil terminal 2 and engine ground.

      Refer to wiring diagram. See WIRING DIAGRAM .

      1. Continuity should exist  .

    3. Also check harness for short to power.

    OK or NG

    1. OK: Go to 14.
    2. NG: Go to 13.

  13. Detect Malfunctioning Part 

    Check the following.

    • Harness connectors F211, F10
    • Harness for open or short between ignition coil and engine ground

    1. Repair open circuit or short to power in harness or connectors.
  14. Check Ignition Coil Output Signal Circuit For Open And Short 
    1. Disconnect ECM harness connector.
    2. Check harness continuity between ECM terminals 60, 61, 62, 79, 80, 81 and ignition coil terminal 1.

      Refer to wiring diagram. See WIRING DIAGRAM .

      1. Continuity should exist  .

    3. Also check harness for short to ground and short to power.

    OK or NG

    1. OK: Go to 16.
    2. NG: Go to 15.

  15. Detect Malfunctioning Part 

    Check the following.

    • Harness connectors F10, F211
    • Harness for open or short between ignition coil and ECM

    1. Repair open circuit or short to ground or short to power in harness or connectors.
  16. Check Ignition Coil With Power Transistor 

    Refer to COMPONENT INSPECTION .

    OK or NG

    1. OK: Go to 17.
    2. NG: Replace ignition coil with power transistor.

  17. Check Intermittent Incident 

    Refer to TROUBLE DIAGNOSIS FOR INTERMITTENT INCIDENT .

    1. Inspection end