LEMON Manuals: Even more car manuals for everyone: 1960-2025
Home >> Infiniti >> 2004 >> FX45 >> Repair and Diagnosis >> Accessories & Equipment >> Communication Devices >> Body Control Module >> BCM (Body Control Module) >> Schematic
April 5, 2026: LEMON Manuals is launched! Read the announcement.

BCM (Body Control Module): Schematic

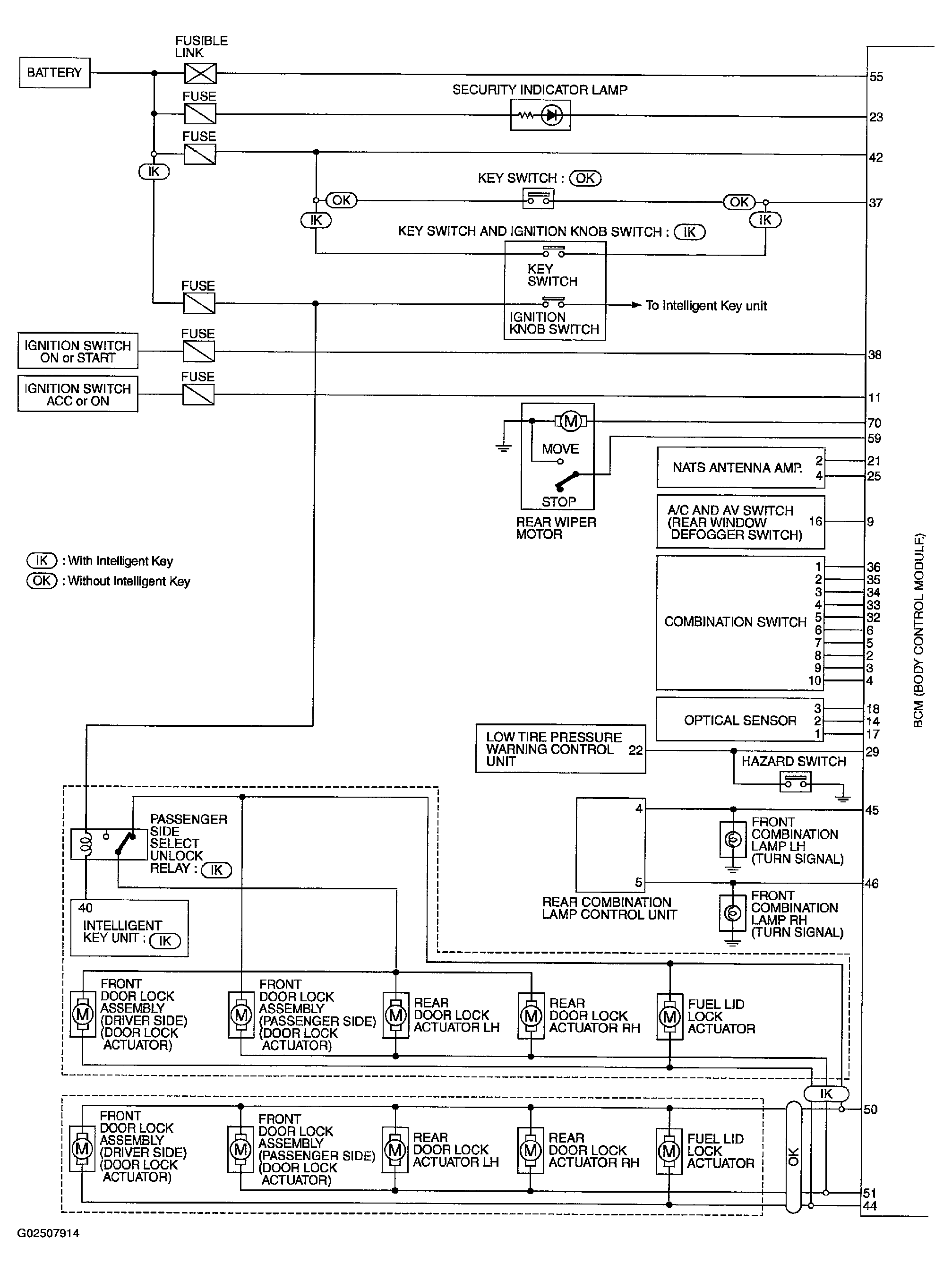
Fig 1: Schematic BCM (1 Of 2)
G02507914Courtesy of NISSAN MOTOR CO., U.S.A.
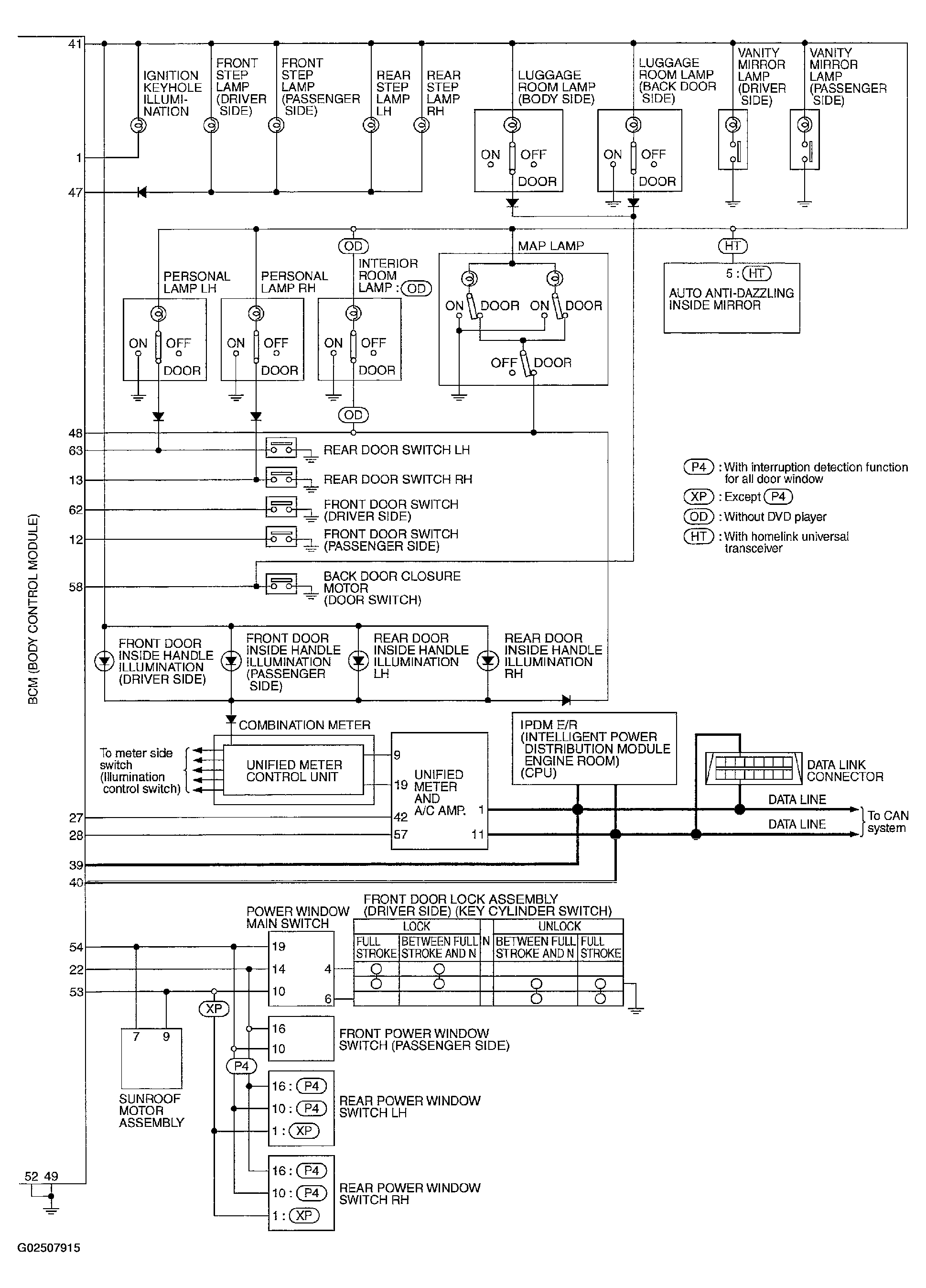
Fig 2: Schematic BCM (2 Of 2)
G02507915Courtesy of NISSAN MOTOR CO., U.S.A.