LEMON Manuals: Even more car manuals for everyone: 1960-2025
Home >> Infiniti >> 2004 >> FX45 >> Repair and Diagnosis >> Engine Performance >> Engine Control System >> ASCD Brake Switch >> Wiring Diagram
April 5, 2026: LEMON Manuals is launched! Read the announcement.

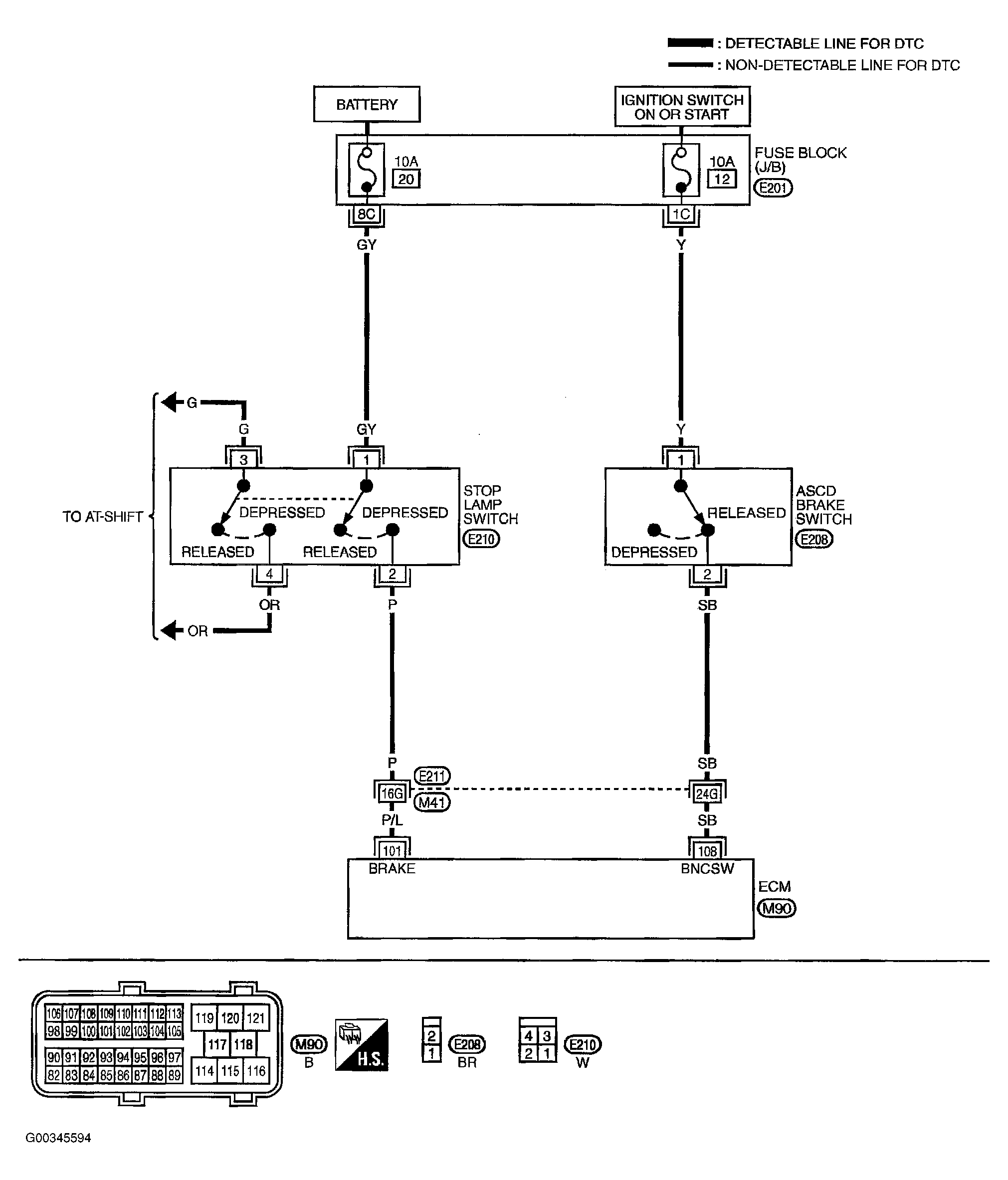
ASCD Brake Switch: Wiring Diagram

NOTE: For system wiring diagrams, see SYSTEM WIRING DIAGRAMS .

Manufacture refers to Intelligent Cruise Control (ICC) Brake Switch Or Automatic Speed Control Device (ASCD) as Brake Switch 1.

Manufacture refers to Stop Lamp Switch as Brake Switch 2.

Fig 1: ASCD & Stop Lamp Switch Circuits
G00345594Courtesy of NISSAN MOTOR CO., U.S.A.

Specification data are reference values and are measured between each terminal and ground.

CAUTION: Do not use ECM ground terminals when measuring input/output voltage. Doing so may result in damage to the ECM's transistor. Use a ground other than ECM terminals, such as the ground.
Fig 2: Specifications For ECM's ASCD & Stop Lamp Switch Terminals
G00345595Courtesy of NISSAN MOTOR CO., U.S.A.