LEMON Manuals: Even more car manuals for everyone: 1960-2025
Home >> Infiniti >> 2004 >> FX45 >> Repair and Diagnosis >> Engine Performance >> Engine Control System >> Ignition Signal >> Wiring Diagram
April 5, 2026: LEMON Manuals is launched! Read the announcement.

Ignition Signal: Wiring Diagram

NOTE: For system wiring diagrams, see SYSTEM WIRING DIAGRAMS .
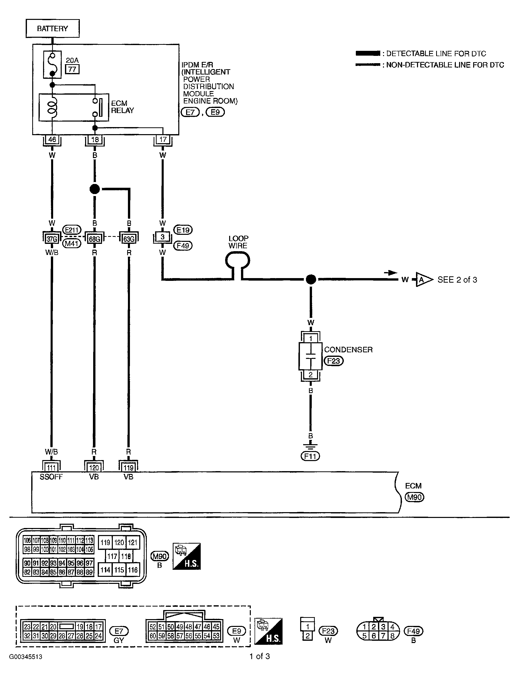
Fig 1: Ignition System Circuit (1 Of 3)
G00345513Courtesy of NISSAN MOTOR CO., U.S.A.

Specification data are reference values and are measured between each terminal and ground.

CAUTION: Do not use ECM ground terminals when measuring input/output voltage. Doing so may result in damage to the ECM's transistor. Use a ground other than ECM terminals, such as the ground.
Fig 2: ECM Terminal 111, 119 & 120 Specifications
G00345514Courtesy of NISSAN MOTOR CO., U.S.A.
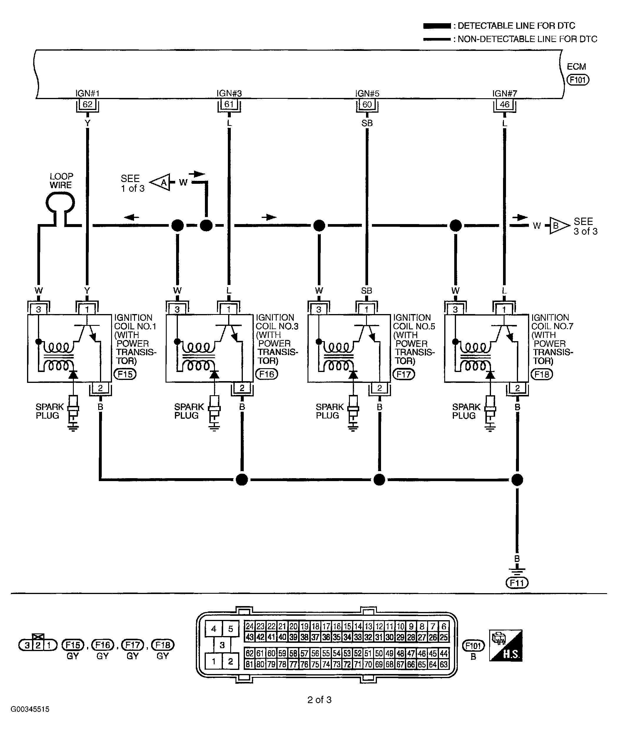
Fig 3: Ignition System Circuit (2 Of 3)
G00345515Courtesy of NISSAN MOTOR CO., U.S.A.

Specification data are reference values and are measured between each terminal and ground. Pulse signal is measured by CONSULT-II.

CAUTION: Do not use ECM ground terminals when measuring input/output voltage. Doing so may result in damage to the ECM's transistor. Use a ground other than ECM terminals, such as the ground.
Fig 4: ECM Terminal 46 & 60-62 Specifications
G00345516Courtesy of NISSAN MOTOR CO., U.S.A.
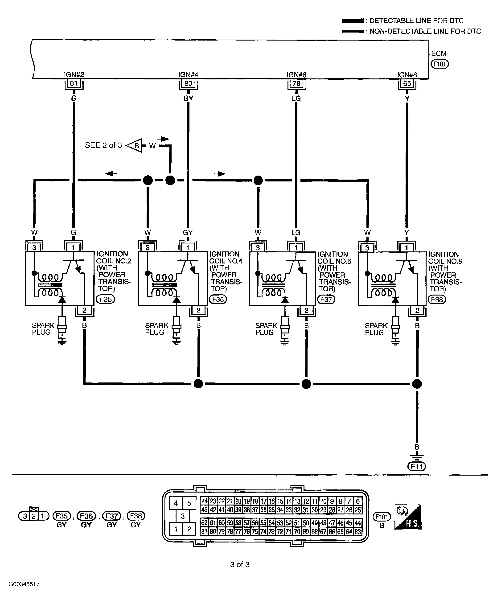
Fig 5: Ignition System Circuit (3 Of 3)
G00345517Courtesy of NISSAN MOTOR CO., U.S.A.

Specification data are reference values and are measured between each terminal and ground. Pulse signal is measured by CONSULT-II.

CAUTION: Do not use ECM ground terminals when measuring input/output voltage. Doing so may result in damage to the ECM's transistor. Use a ground other than ECM terminals, such as the ground.
Fig 6: ECM Terminal 65, 79, 80 & 81 Specifications
G00345518Courtesy of NISSAN MOTOR CO., U.S.A.