LEMON Manuals: Even more car manuals for everyone: 1960-2025
Home >> Infiniti >> 2004 >> FX45 >> Repair and Diagnosis >> Engine Performance >> Engine Control System >> Injector Circuit >> Wiring Diagram
April 5, 2026: LEMON Manuals is launched! Read the announcement.

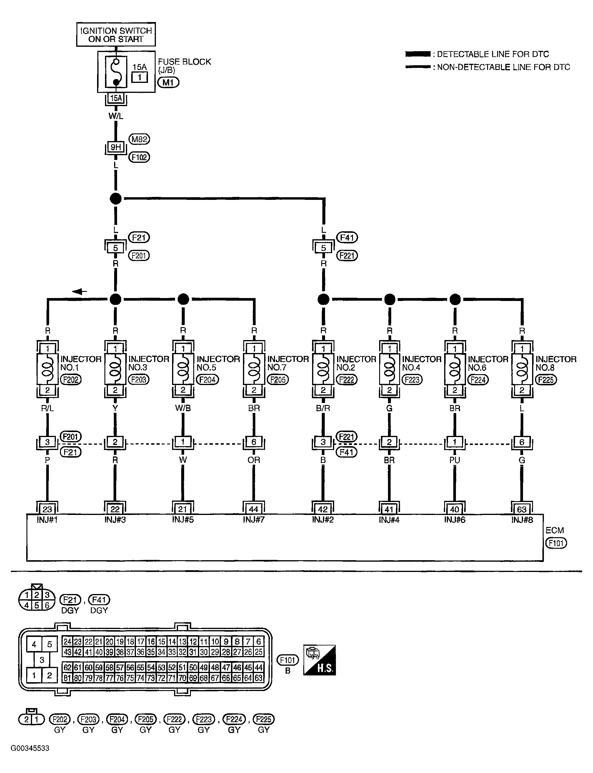
Injector Circuit: Wiring Diagram

NOTE: For system wiring diagrams, see SYSTEM WIRING DIAGRAMS .
Fig 1: Fuel Injectors 1-8 Circuit
G00345533Courtesy of NISSAN MOTOR CO., U.S.A.

Specification data are reference values and are measured between each terminal and ground.

Pulse signal is measured by CONSULT-II.

CAUTION: Do not use ECM ground terminals when measuring input/output voltage. Doing so may result in damage to the ECM's transistor. Use a ground other than ECM terminals, such as the ground.
Fig 2: ECM Terminal 21-23, 40-44 & 63 Specifications
G00345534Courtesy of NISSAN MOTOR CO., U.S.A.