LEMON Manuals: Even more car manuals for everyone: 1960-2025
Home >> Infiniti >> 2004 >> G35 x >> Repair and Diagnosis >> Body & Frame >> Body, Cab Control Systems >> 2004 - Body Control Module - Sedan >> BCM (Body Control Module) >> Schematic
April 5, 2026: LEMON Manuals is launched! Read the announcement.

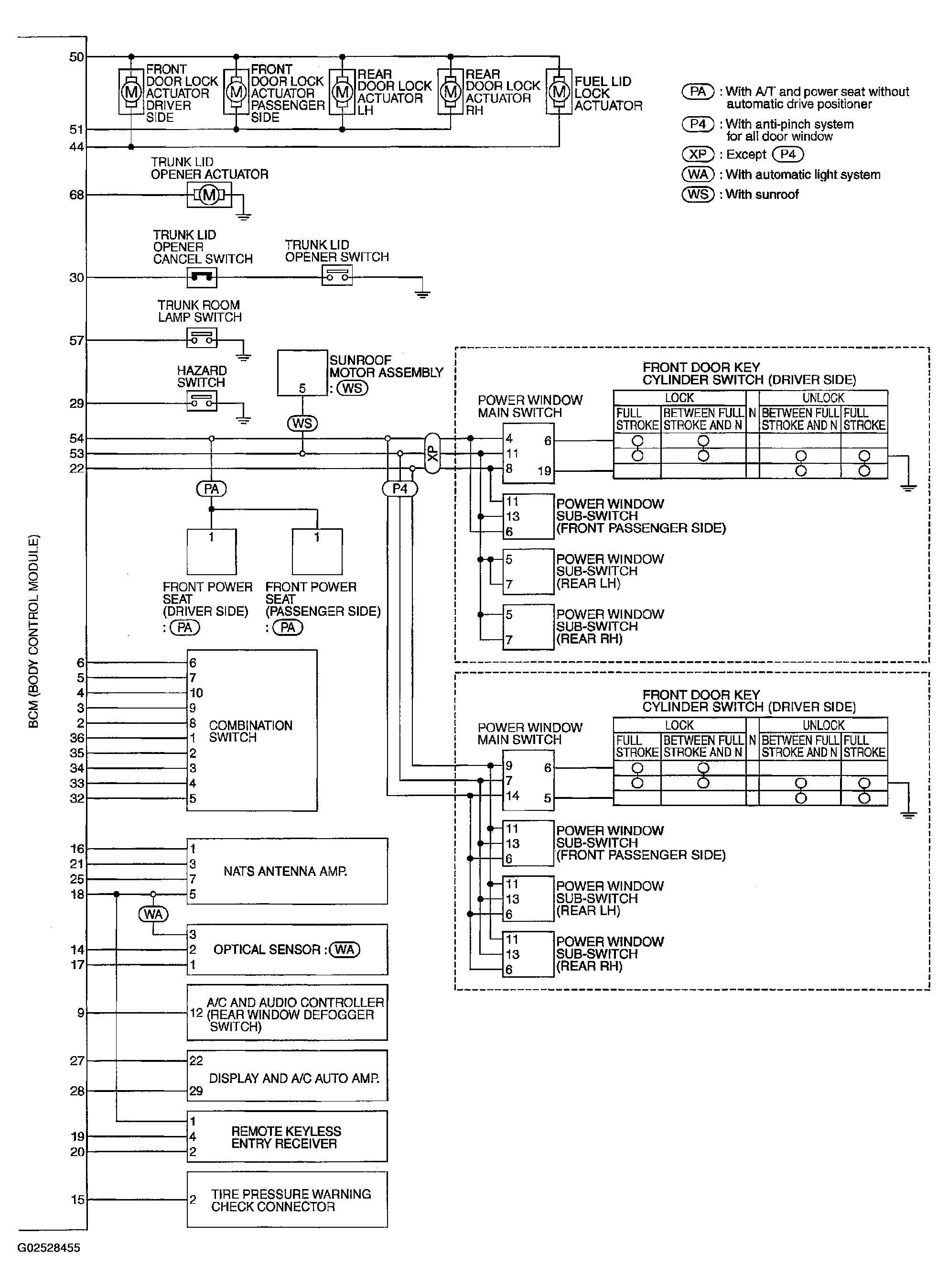
BCM (Body Control Module): Schematic

Fig 1: Schematic Diagram (1 Of 2)
G02528454Courtesy of NISSAN MOTOR CO., U.S.A.
Fig 2: Schematic Diagram (2 Of 2)
G02528455Courtesy of NISSAN MOTOR CO., U.S.A.