LEMON Manuals: Even more car manuals for everyone: 1960-2025
Home >> Infiniti >> 2004 >> M45 >> Repair and Diagnosis >> Engine Performance >> Engine Control System >> Electrical Load Signal >> Wiring Diagram
April 5, 2026: LEMON Manuals is launched! Read the announcement.

Electrical Load Signal: Wiring Diagram

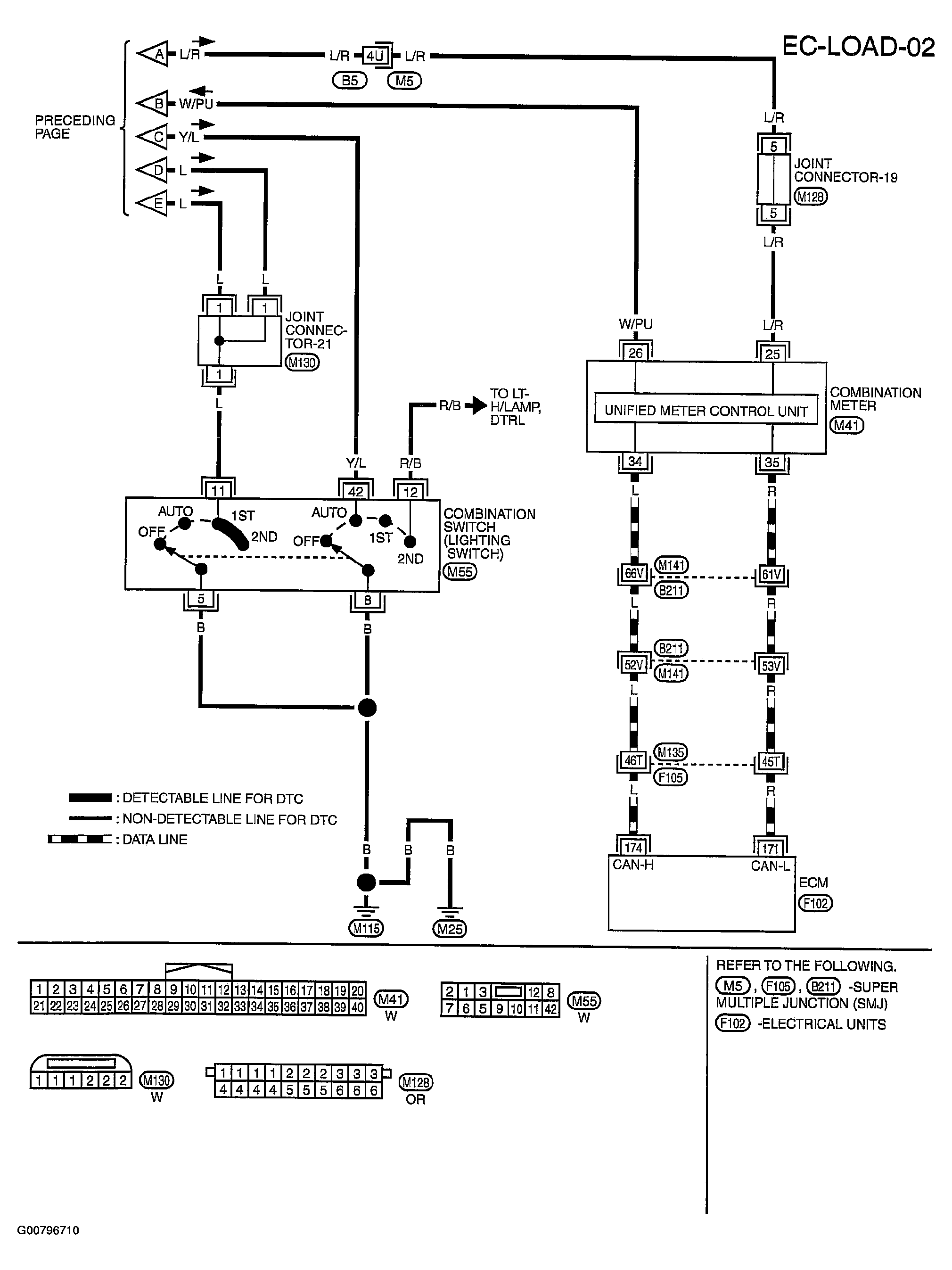
Fig 1: Circuit Diagram - Electrical Load Signal (1 Of 2) - EC-LOAD-01
G00796709Courtesy of NISSAN MOTOR CO., U.S.A.
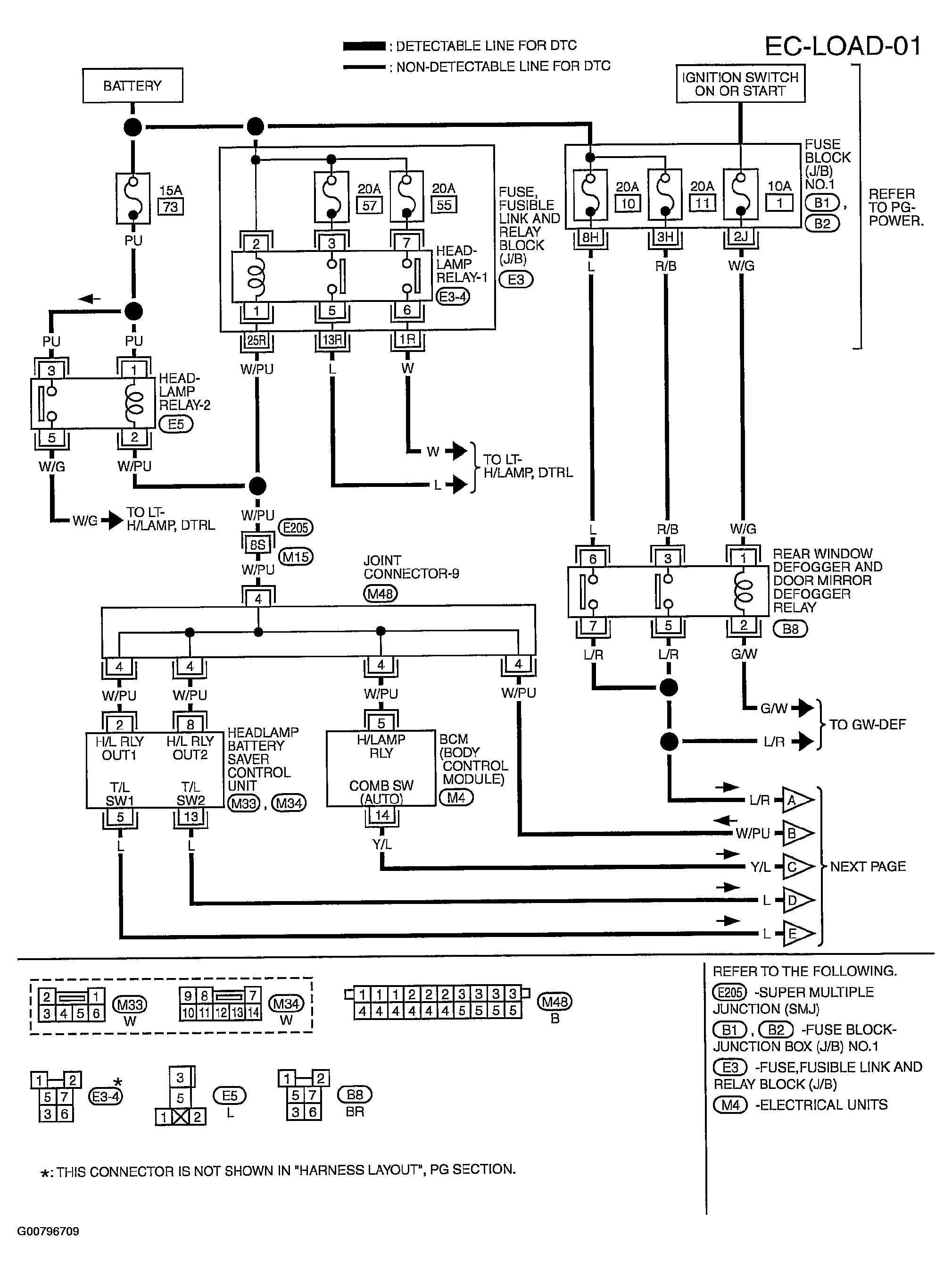
Fig 2: Circuit Diagram - Electrical Load Signal (2 Of 2) - EC-LOAD-02
G00796710Courtesy of NISSAN MOTOR CO., U.S.A.