LEMON Manuals: Even more car manuals for everyone: 1960-2025
Home >> Infiniti >> 2004 >> M45 >> Repair and Diagnosis >> Engine Performance >> Engine Control System >> Ignition Signal >> Wiring Diagram
April 5, 2026: LEMON Manuals is launched! Read the announcement.

Ignition Signal: Wiring Diagram

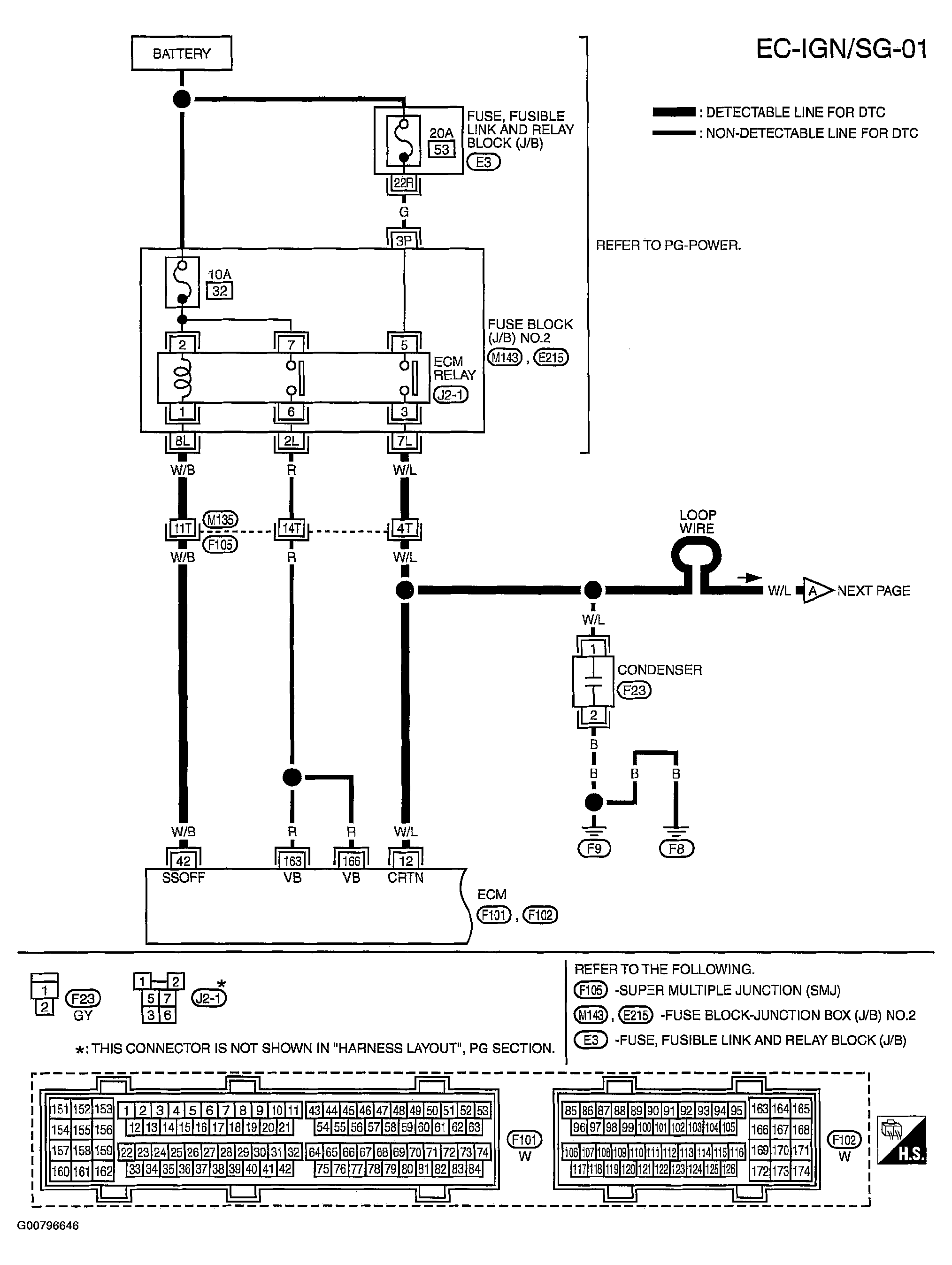
Fig 1: Circuit Diagram - Ignition Signal - (1 Of 3) - EC-IGN/SG-01
G00796646Courtesy of NISSAN MOTOR CO., U.S.A.

Specification data are reference values and are measured between each terminal and ground.

CAUTION: Do not use ECM ground terminals when measuring input/output voltage. Doing so may result in damage to the ECM's transistor. Use a ground other than ECM terminals, such as the ground.
Fig 2: Terminal Testing & Conditions Chart
G00796647Courtesy of NISSAN MOTOR CO., U.S.A.
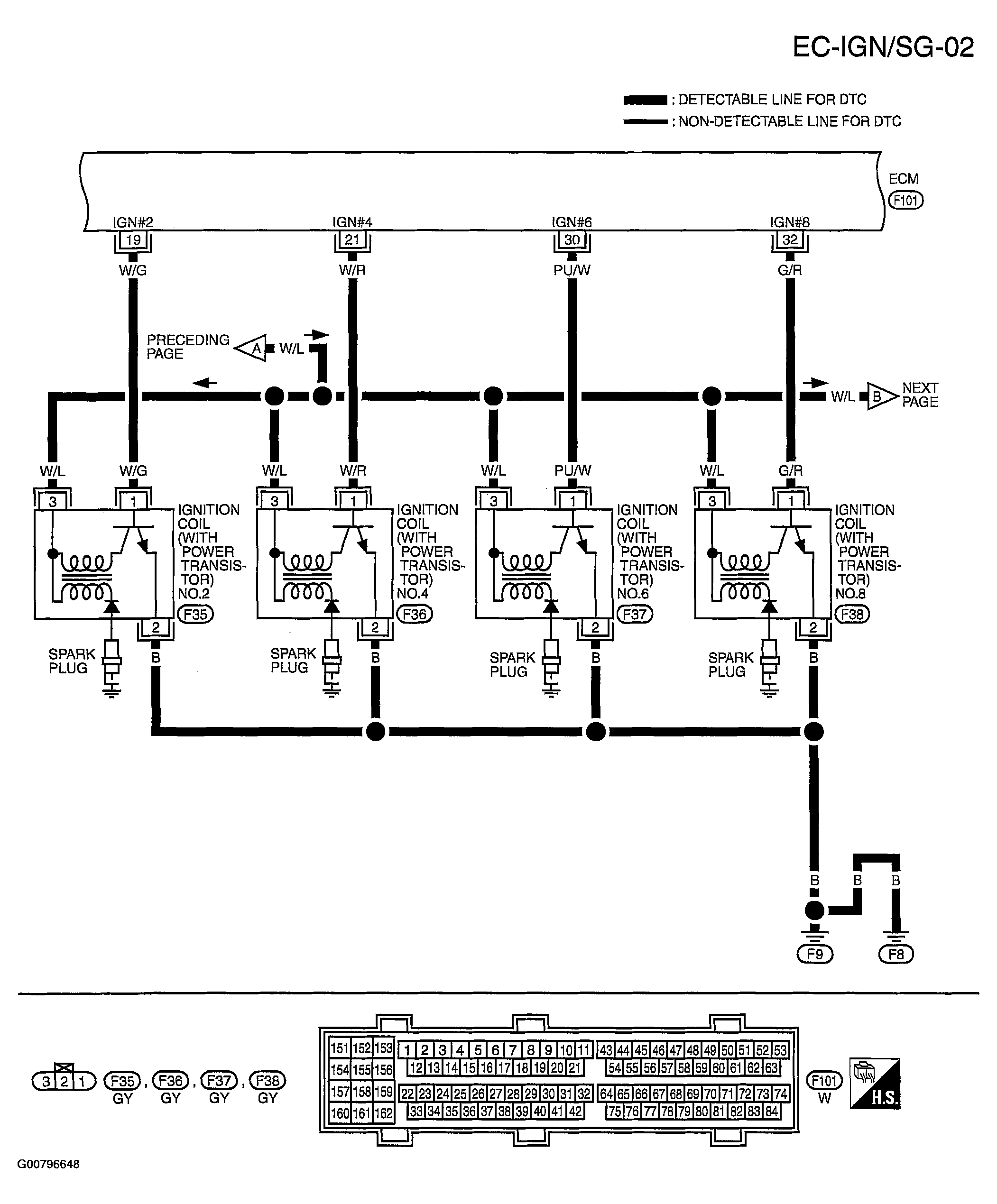
Fig 3: Circuit Diagram - Ignition Signal - (2 Of 3) - EC-IGN/SG-02
G00796648Courtesy of NISSAN MOTOR CO., U.S.A.

Specification data are reference values and are measured between each terminal and ground. Pulse signal is measured by COSULT-II.

CAUTION: Do not use ECM ground terminals when measuring input/output voltage. Doing so may result in damage to the ECM's transistor. Use a ground other than ECM terminals, such as the ground.
Fig 4: Terminal Testing & Conditions Chart
G00796649Courtesy of NISSAN MOTOR CO., U.S.A.
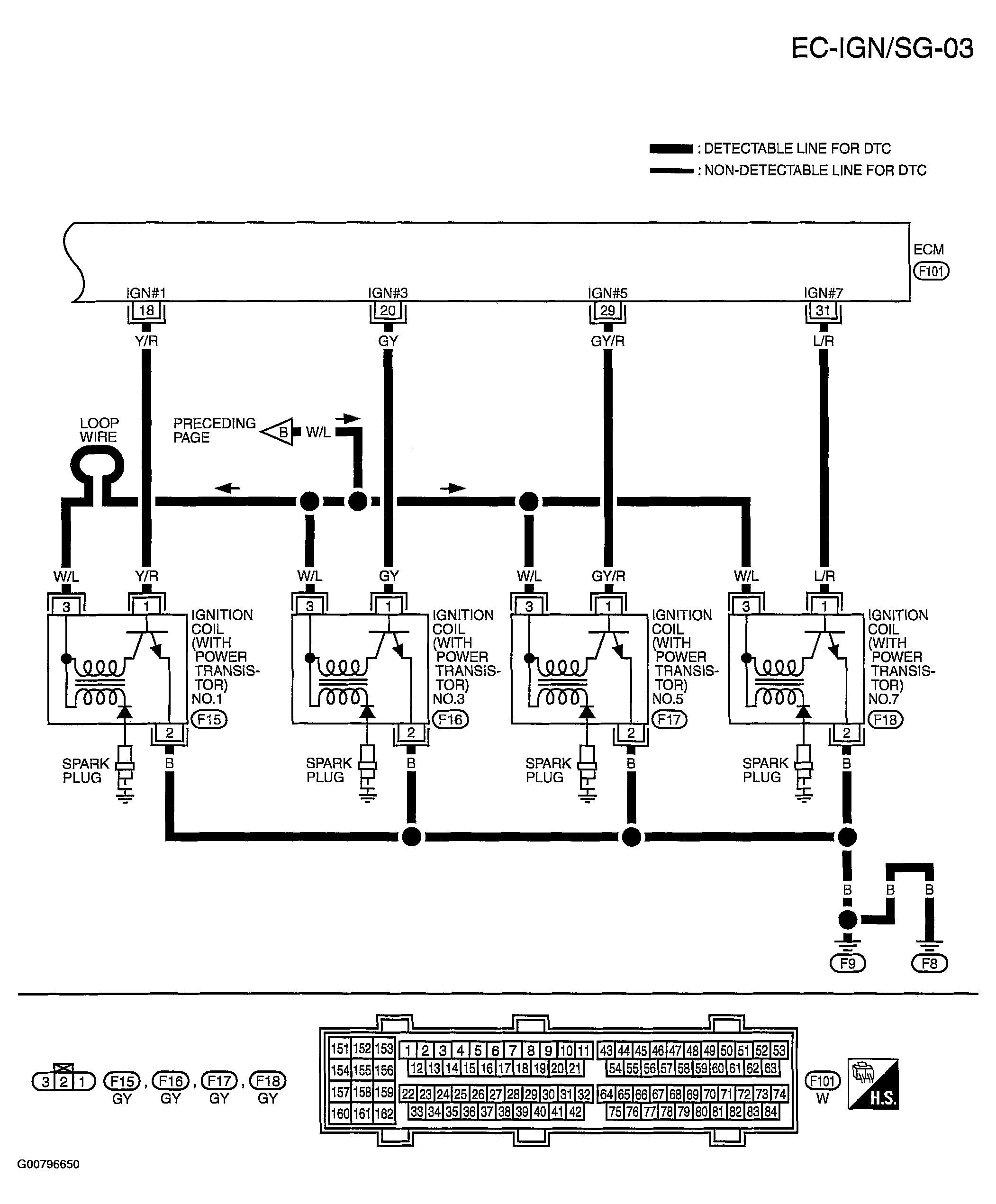
Fig 5: Circuit Diagram - Ignition Signal - (3 Of 3) - EC-IGN/SG-03
G00796650Courtesy of NISSAN MOTOR CO., U.S.A.

Specification data are reference values and are measured between each terminal and ground. Pulse signal is measured by COSULT-II.

CAUTION: Do not use ECM ground terminals when measuring input/output voltage. Doing so may result in damage to the ECM's transistor. Use a ground other than ECM terminals, such as the ground.
Fig 6: Terminal Testing & Conditions Chart
G00796651Courtesy of NISSAN MOTOR CO., U.S.A.