LEMON Manuals: Even more car manuals for everyone: 1960-2025
Home >> Infiniti >> 2005 >> Q45 >> Repair and Diagnosis >> Engine Performance >> System >> Engine Control System - System Testing >> Electrical Load Signal >> Wiring Diagram
April 5, 2026: LEMON Manuals is launched! Read the announcement.

Electrical Load Signal: Wiring Diagram

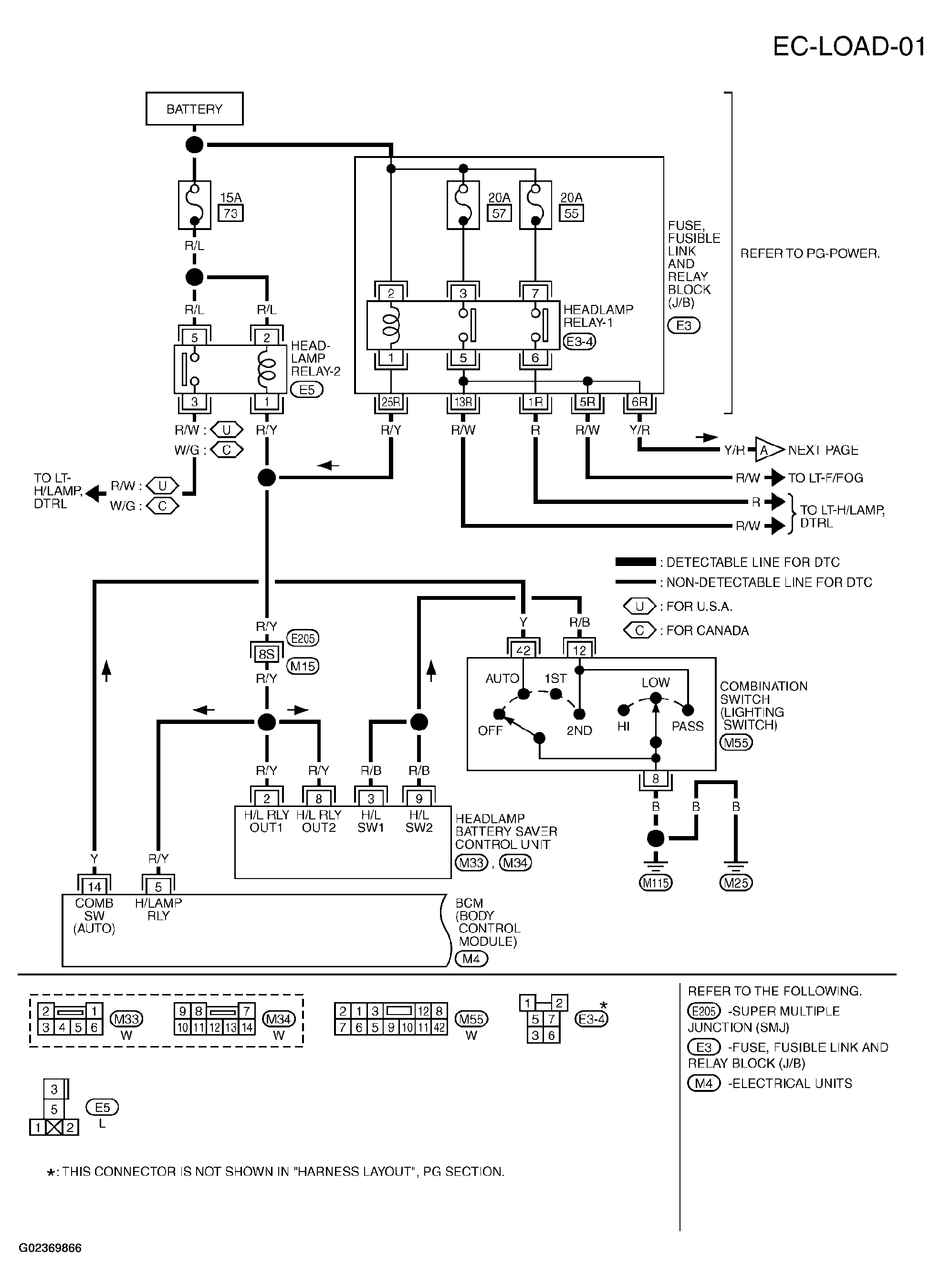
Fig 1: Wiring Diagram - EC-LOAD-01
G02369866Courtesy of NISSAN MOTOR CO., U.S.A.
Fig 2: Wiring Diagram - EC-LOAD-02
G02369867Courtesy of NISSAN MOTOR CO., U.S.A.

Specification data are reference values and are measured between each terminal and ground.

CAUTION: Do not use ECM ground terminals when measuring input/output voltage. Doing so may result in damage to the ECM's transistor. Use a ground other than ECM terminals, such as the ground.
Fig 3: Electrical Load Signal Connector Terminals Voltage Conditions Chart
G02369868Courtesy of NISSAN MOTOR CO., U.S.A.