LEMON Manuals: Even more car manuals for everyone: 1960-2025
Home >> Infiniti >> 2006 >> M35 Base >> Repair and Diagnosis >> Transmission >> Automatic Transmission >> Overhaul >> Components
April 5, 2026: LEMON Manuals is launched! Read the announcement.

Automatic Transmission: Overhaul: Components

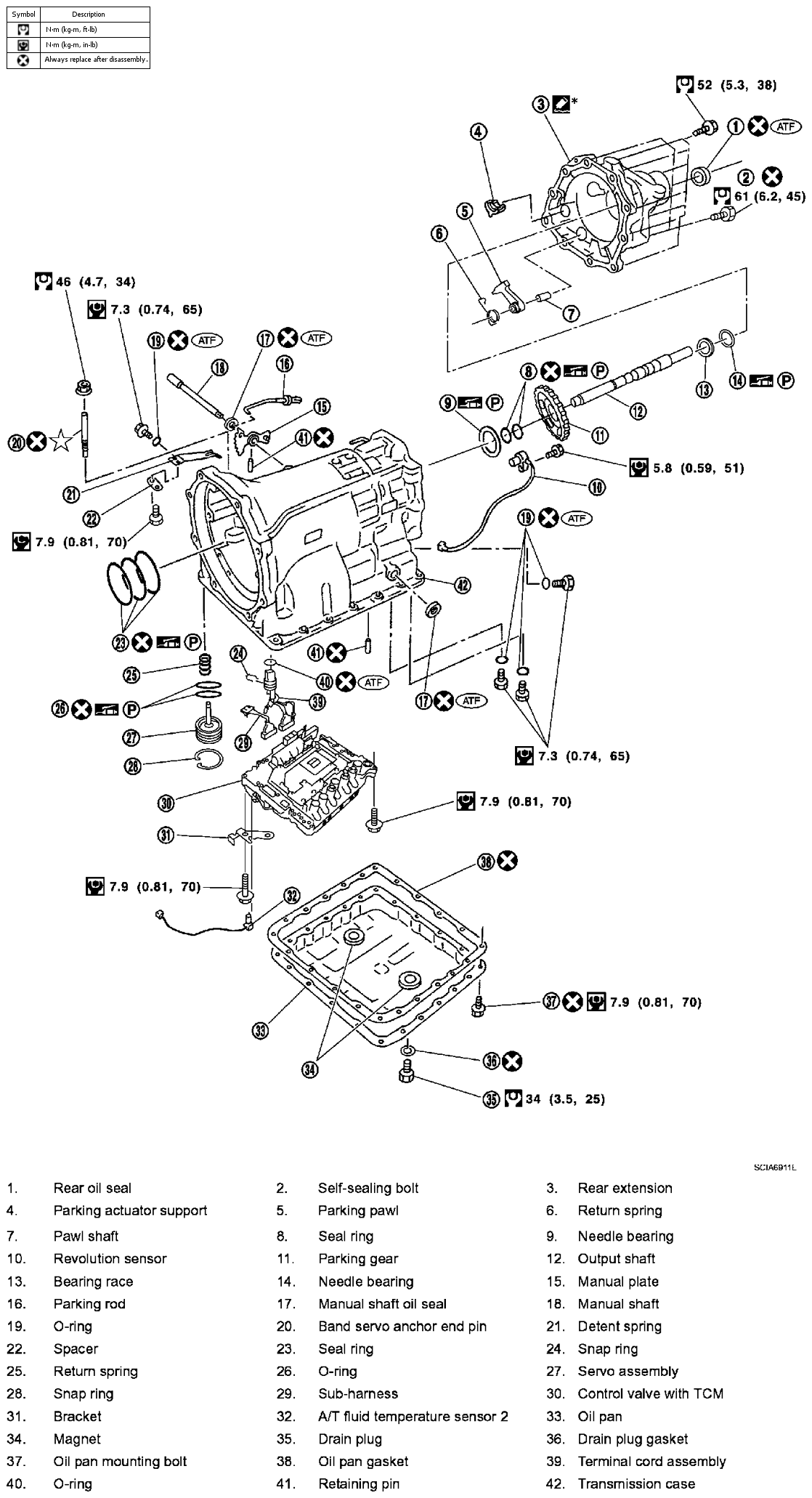
Fig 1: Exploded View Of Transmission Assembly Components With Torque Specifications (VQ35DE Models) (1 Of 2)
G04139417Courtesy of NISSAN MOTOR CO., U.S.A.
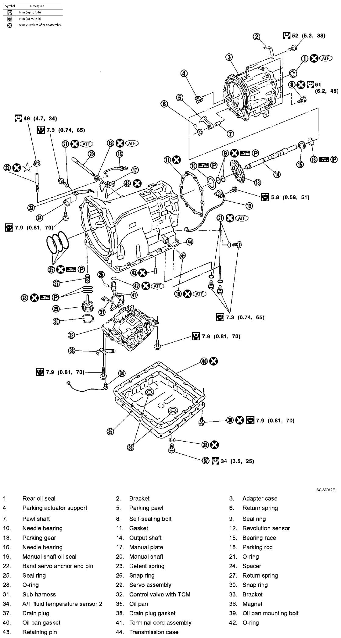
Fig 2: Exploded View Of Transmission Assembly Components With Torque Specifications (VK45DE Models) (1 Of 2)
G04139418Courtesy of NISSAN MOTOR CO., U.S.A.
Fig 3: Exploded View Of Transmission Assembly Components (VQ35DE Models) (2 Of 2)
G04139419Courtesy of NISSAN MOTOR CO., U.S.A.

Refer to GENERAL INFORMATION to make sure icons (symbol marks) in the figure. Refer to "COMPONENTS ".

Fig 4: Exploded View Of Transmission Assembly Components (VK45DE Models) (2 Of 2)
G04139420Courtesy of NISSAN MOTOR CO., U.S.A.

Refer to GENERAL INFORMATION to make sure icons (symbol marks) in the figure. Refer to "COMPONENTS "

Fig 5: Exploded View Of Transmission Assembly Components With Torque Specifications (VQ35DE Models - 2WD)
G04139421Courtesy of NISSAN MOTOR CO., U.S.A.
Fig 6: Exploded View Of Transmission Assembly Components With Torque Specifications (VK45DE Models - 2WD)
G04139422Courtesy of NISSAN MOTOR CO., U.S.A.
Fig 7: Exploded View Of Transmission Assembly Components With Torque Specifications (AWD Models)
G04139423Courtesy of NISSAN MOTOR CO., U.S.A.

Refer to GENERAL INFORMATION to make sure icons (symbol marks) in the figure. Refer to "COMPONENTS ".