LEMON Manuals: Even more car manuals for everyone: 1960-2025
Home >> Infiniti >> 2006 >> QX56 RWD >> Repair and Diagnosis >> Engine Performance >> System >> Engine Control System - Introduction >> Trouble Diagnosis >> Circuit Diagram
April 5, 2026: LEMON Manuals is launched! Read the announcement.

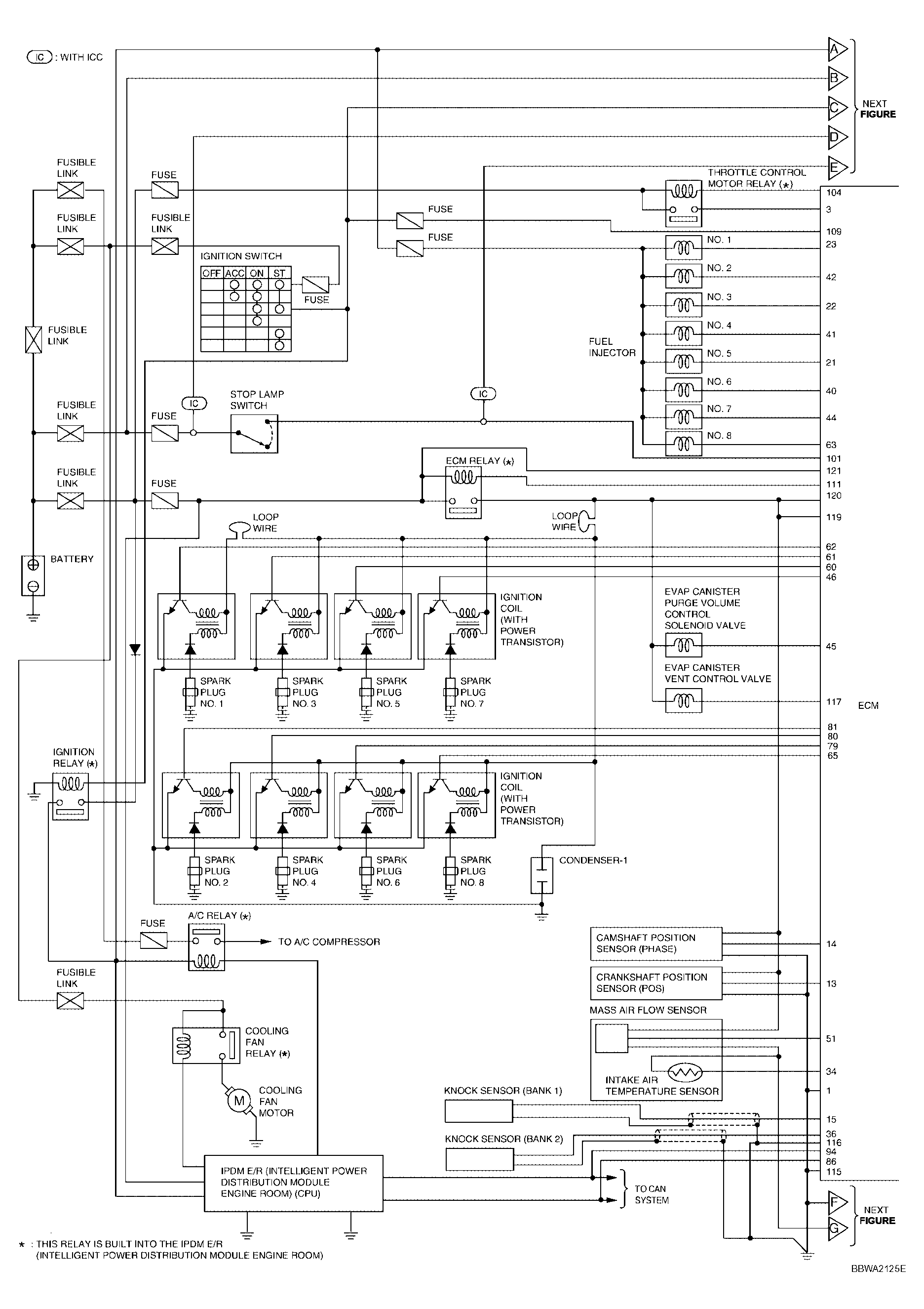
Circuit Diagram

Fig 1: Engine Control System - Circuit Diagram (1 Of 2)
G04132596Courtesy of NISSAN MOTOR CO., U.S.A.
Fig 2: Engine Control System - Circuit Diagram (2 Of 2)
G04132597Courtesy of NISSAN MOTOR CO., U.S.A.