LEMON Manuals: Even more car manuals for everyone: 1960-2025
Home >> Infiniti >> 2007 >> QX56 AWD >> Repair and Diagnosis >> Engine Performance >> System >> Engine Control System - Component Testing >> ICC Brake Switch >> Wiring Diagram
April 5, 2026: LEMON Manuals is launched! Read the announcement.

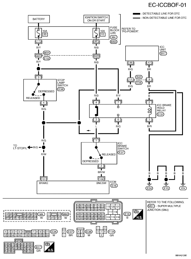
ICC Brake Switch: Wiring Diagram

For PG, go to POWER SUPPLY, GROUND & CIRCUIT ELEMENTS .

Fig 1: Wiring Diagram - EC-ICCBOF-01
G05229187Courtesy of NISSAN NORTH AMERICA, INC.

Specification data are reference values and are measured between each terminal and ground.

CAUTION: Do not use ECM ground terminals when measuring input/output voltage. Doing so may result in damage to the ECM's transistor. Use a ground other than ECM terminals, such as the ground.
INPUT/OUTPUT VOLTAGE REFERENCE

TERMINAL NO. WIRE COLOR ITEM CONDITION DATA (DC Voltage)
101 R/W Stop lamp switch [Ignition switch: OFF] 
  • Brake pedal: Fully released
Approximately 0V
[Ignition switch: OFF] 
  • Brake pedal: Slightly depressed
BATTERY VOLTAGE (11 - 14V)
108 BR/W ICC brake switch [Ignition switch: ON] 
  • Brake pedal: Slightly depressed
Approximately 0V
[Ignition switch: ON] 
  • Brake pedal: Fully released
BATTERY VOLTAGE (11 - 14V)