LEMON Manuals: Even more car manuals for everyone: 1960-2025
Home >> Infiniti >> 2007 >> QX56 AWD >> Repair and Diagnosis >> Engine Performance >> System >> Engine Control System - Component Testing >> Mil And Data Link Connector >> Wiring Diagram
April 5, 2026: LEMON Manuals is launched! Read the announcement.

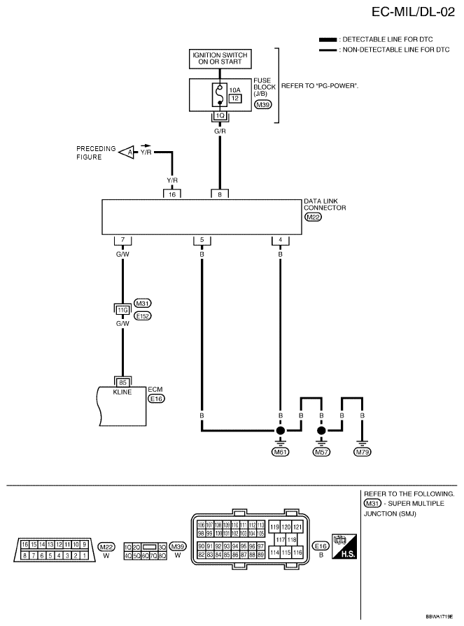
Mil And Data Link Connector: Wiring Diagram

For PG, go to POWER SUPPLY, GROUND & CIRCUIT ELEMENTS .

Fig 1: EC-MIL/DL-01 - Wiring Diagram
G04900827Courtesy of NISSAN NORTH AMERICA, INC.
Fig 2: EC-MIL/DL-02 - Wiring Diagram
G04900828Courtesy of NISSAN NORTH AMERICA, INC.