LEMON Manuals: Even more car manuals for everyone: 1960-2025
Home >> Infiniti >> 2008 >> M35 Base >> Repair and Diagnosis >> Engine Performance >> Engine Control Systems >> Engine Control System (VQ35DE) - DTCS P1220 To P2A03 >> DTC P1220: Fuel Pump Control Module (FPCM) >> Wiring Diagram
April 5, 2026: LEMON Manuals is launched! Read the announcement.

DTC P1220: Fuel Pump Control Module (FPCM): Wiring Diagram

For PG, go to POWER SUPPLY, GROUND & CIRCUIT ELEMENTS .

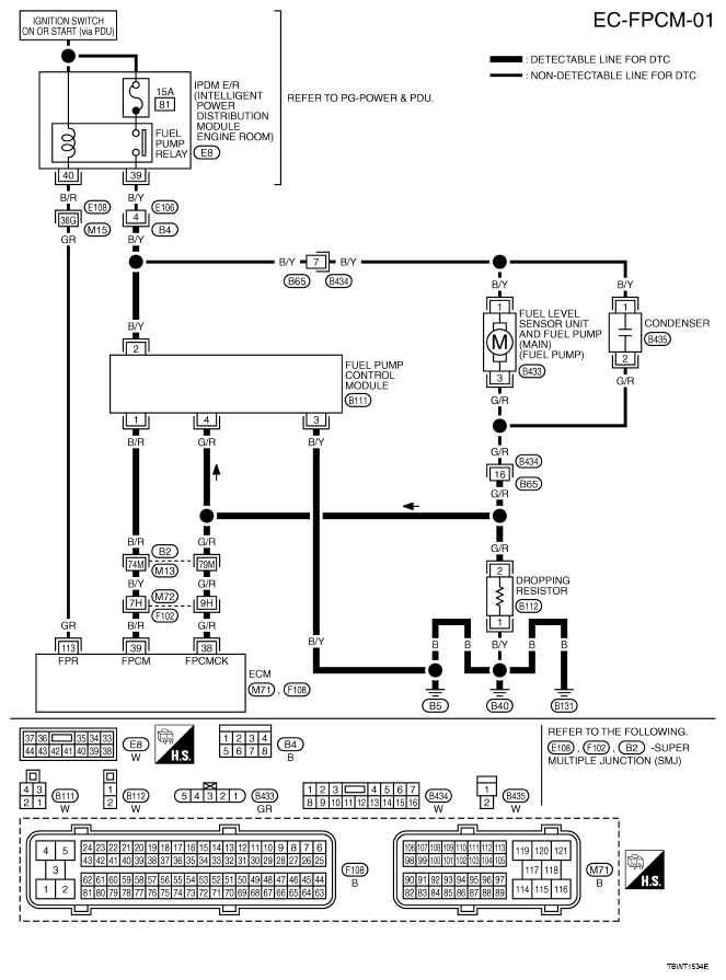
Fig 1: EC-FPCM-01 - Wiring Diagram
G05210001Courtesy of NISSAN MOTOR CO., U.S.A.

Specification data are reference values and are measured between each terminal and ground.

CAUTION: Do not use ECM ground terminals when measuring input/output voltage. Doing so may result in damage to the ECM's transistor. Use a ground other than ECM terminals, such as the ground.
ECM TERMINALS WITH VOLTAGE SPECIFICATION

TERMINAL NO. WIRE COLOR ITEM CONDITION DATA (DC Voltage)
38 G/R Fuel pump control module (FPCM) check [When cranking engine]  Approximately 0V
[Engine is running] 
  • Warm-up condition 
  • Idle speed
4 - 6V
39 B/R Fuel pump control module (FPCM) [When cranking engine]  0 - 0.5V
[Engine is running] 
  • Warm-up condition 
  • Idle speed
8 - 12V
113 GR Fuel pump relay [Ignition switch: ON] 
  • For 1 second after turning ignition switch ON

[Engine is running] 
0 - 1.5V
[Ignition switch: ON] 
  • More than 1 second after turning ignition switch ON
BATTERY VOLTAGE (11 - 14V)