LEMON Manuals: Even more car manuals for everyone: 1960-2025
Home >> Infiniti >> 2008 >> M45 Base >> Repair and Diagnosis (Single Page) >> Engine Performance >> Engine Control Systems >> Engine Control System (VK45DE) - Component And System Troubleshooting >> Ignition Signal >> Component Description >> Wiring Diagram
April 5, 2026: LEMON Manuals is launched! Read the announcement.

Component Description: Wiring Diagram

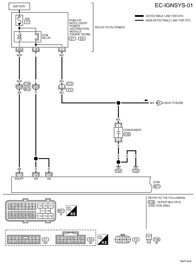
Fig 1: EC-IGNSYS-01 - Wiring Diagram
G05211152Courtesy of NISSAN MOTOR CO., U.S.A.

Specification data are reference values and are measured between each terminal and ground.

CAUTION: Do not use ECM ground terminals when measuring input/output voltage. Doing so may result in damage to the ECM's transistor. Use a ground other than ECM terminals, such as the ground.
SPECIFICATION DATA REFERENCE

TERMINAL NO. WIRE COLOR ITEM CONDITION DATA (DC Voltage)
111 SB ECM relay (Self shut-off) [Engine is running] 
[Ignition switch: OFF] 
  • For a few seconds after turning ignition switch OFF
0 - 1.5V
[Ignition switch: OFF] 
  • More than a few seconds after turning ignition switch OFF
BATTERY VOLTAGE (11 - 14V)
119
120
R
R
Power supply for ECM [Ignition switch: ON]  BATTERY VOLTAGE (11 - 14V)
Fig 2: EC-IGNSYS-02 - Wiring Diagram
G05211153Courtesy of NISSAN MOTOR CO., U.S.A.

Specification data are reference values and are measured between each terminal and ground.

Pulse signal is measured by CONSULT-III.

CAUTION: Do not use ECM ground terminals when measuring input/output voltage. Doing so may result in damage to the ECM's transistor. Use a ground other than ECM terminals, such as the ground.
SPECIFICATION DATA REFERENCE

TERMINAL NO. WIRE COLOR ITEM CONDITION DATA (DC Voltage)
46
60
61
62
L/O
V/W
P
Y/R
Ignition signal No. 7
Ignition signal No. 5
Ignition signal No. 3
Ignition signal No. 1
[Engine is running] 
  • Warm-up condition 
  • Idle speed
    NOTE: The pulse cycle changes depending on rpm at idle
G04900803Courtesy of NISSAN MOTOR CO., U.S.A.
[Engine is running] 
  • Warm-up condition 
  • Engine speed: 2, 000 rpm
G04900804Courtesy of NISSAN MOTOR CO., U.S.A.
*: Average voltage for pulse signal (Actual pulse signal can be confirmed by oscilloscope.)
Fig 3: EC-IGNSYS-03 - Wiring Diagram
G05211156Courtesy of NISSAN MOTOR CO., U.S.A.

Specification data are reference values and are measured between each terminal and ground.

Pulse signal is measured by CONSULT-III.

CAUTION: Do not use ECM ground terminals when measuring input/output voltage. Doing so may result in damage to the ECM's transistor. Use a ground other than ECM terminals, such as the ground.
SPECIFICATION DATA

TERMINAL NO. WIRE COLOR ITEM CONDITION DATA (DC Voltage)
65
79
80
81
BR/R
GR/R
GR/B
G/R
Ignition signal No. 8
Ignition signal No. 6
Ignition signal No. 4
Ignition signal No. 2
[Engine is running] 
  • Warm-up condition 
  • Idle speed
    NOTE: The pulse cycle changes depending on rpm at idle
G04900803Courtesy of NISSAN MOTOR CO., U.S.A.
[Engine is running] 
  • Warm-up condition 
  • Engine speed: 2, 000 rpm
G04900804Courtesy of NISSAN MOTOR CO., U.S.A.
*: Average voltage for pulse signal (Actual pulse signal can be confirmed by oscilloscope.)