LEMON Manuals: Even more car manuals for everyone: 1960-2025
Home >> Infiniti >> 2009 >> M45 Base >> Repair and Diagnosis (Single Page) >> Accessories & Equipment >> Anti-Theft Systems >> Body, Lock & Security System >> Service Information >> Intelligent Key System/Engine Start Function >> Schematic
April 5, 2026: LEMON Manuals is launched! Read the announcement.

Intelligent Key System/Engine Start Function: Schematic

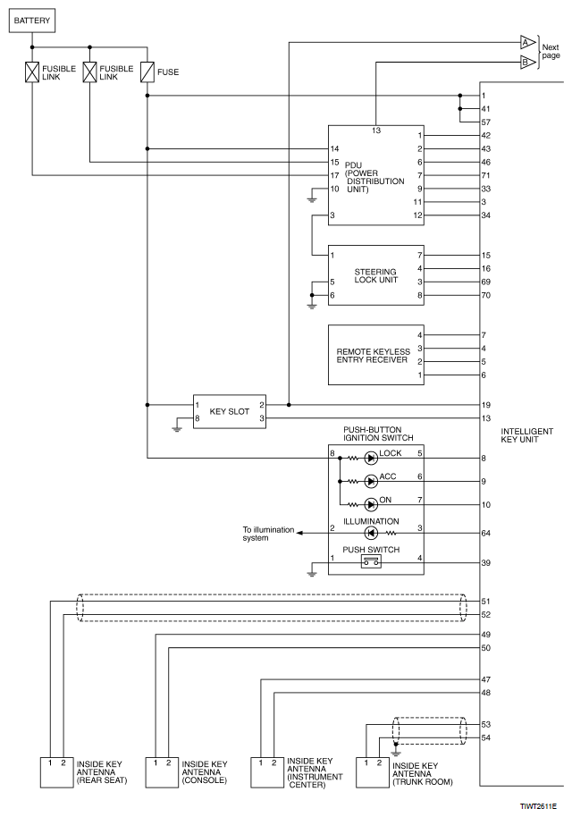
Fig 1: CAN Communication - Schematic (1 Of 2)
G06309014Courtesy of NISSAN MOTOR CO., U.S.A.
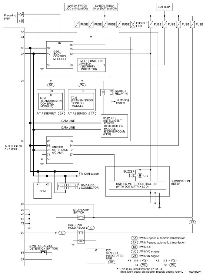
Fig 2: CAN Communication - Schematic (2 Of 2)
G06309015Courtesy of NISSAN MOTOR CO., U.S.A.