LEMON Manuals: Even more car manuals for everyone: 1960-2025
Home >> Infiniti >> 2009 >> M45 Base >> Repair and Diagnosis >> Accessories & Equipment >> Communication Devices >> Body Control System >> Service Information >> BCM (Body Control Module) >> Schematic
April 5, 2026: LEMON Manuals is launched! Read the announcement.

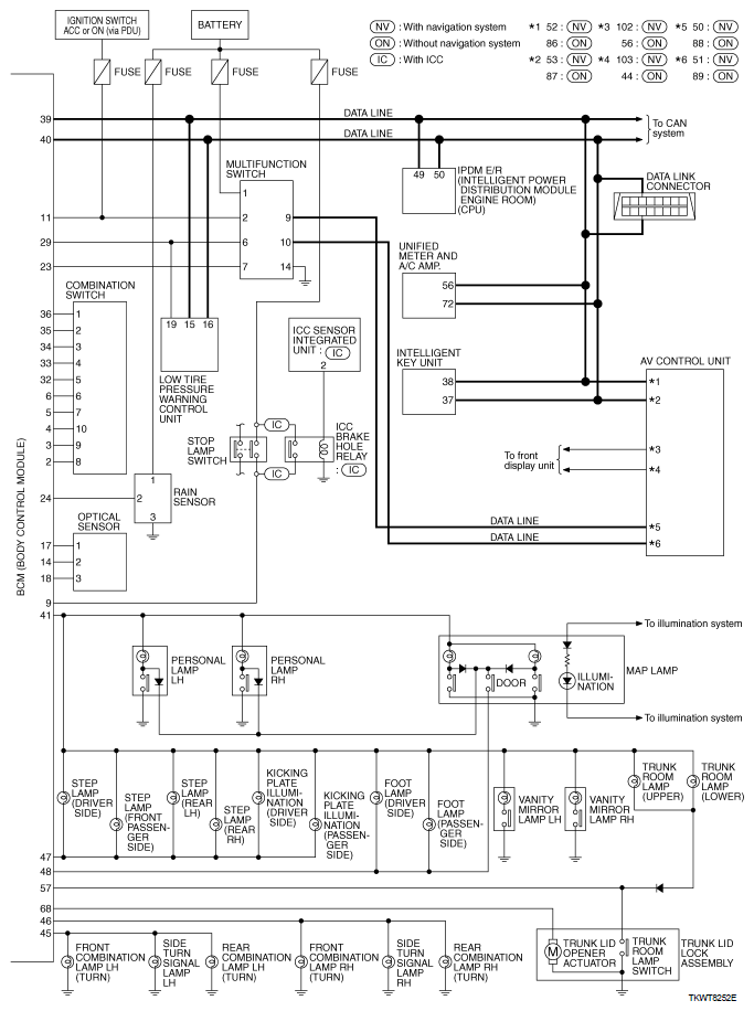
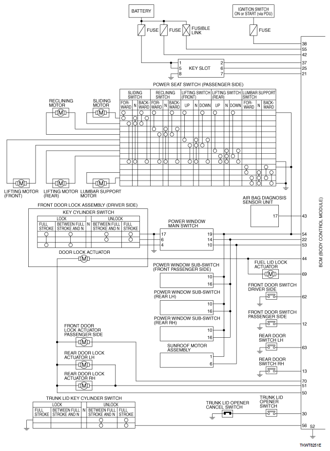
BCM (Body Control Module): Schematic

Fig 1: BCM Schematic (1 Of 2)
G06310721Courtesy of NISSAN MOTOR CO., U.S.A.
Fig 2: BCM Schematic (2 Of 2)
G06310722Courtesy of NISSAN MOTOR CO., U.S.A.